. .. .. . ... .c 安全教育培训记录表 教育培训主题 “安全生产月”宣传活动 教育培训部门 公司项目部 教育培训对象 项目部全...
安全教育培训试题及答案 编号:5-9 部门 姓名 成绩 一. 填空题( 每题3 分 ) 1 . 安全第一,预防为主,综合治理是我国安全生产 ...
1 安全教育培训讲义 第一部分 安全生产概述 安全是人类生存发展永恒的主题。而且随着社会的发展进步,安全问题会越来越受到整个社会的...
安全教育培训记录表 表 AQ-C1-18 编 号 培 训 主题 培 训 对象及人数 培 训 部门或召集人 主讲人 记录整理人 培 训 时间...
螃安全教育培训记录表 薀编号 袇AQ-C1-18 芆培训主题 膃入场人员安全教育培训 羈培训对象及人数 薆在施人员 莆培训部门或召集人 薄...
安全教育培训记录表 时 间 地 点 培训 对象 学 习 内 容 培训内容: 1、环境和工作场所 a) 各通道上不准堆放障碍物,应保持...
安全教育培训记录表 时 间 地 点 培训 对象 学 习 内 容 培训内容:劳动防护用品安全知识培训记录 一、劳动防护用品简介: 劳...
安全教育培训记录表 时 间 地 点 培训 对象 学 习 内 容 培训内容: 典型安全事故及应急救援案例分析 一、目的 通过此次学习...
安全教育培训记录表 培训部门 项目部 参训人员 施工现场作业人员 培训部门 或召集人 主讲人 记录整理人 培训时间 地点 学时 培...
注:1.项目对操作人员进行教育时填写此表。2.签名处不够时,应将签到表附后。 安全教育培训记录表 AQ-C1-18 编号 001 培训主题 遵纪...
安全教育培训记录表 施工单位:长春市政建设(集团)有限公司 项目名称 环观南路(平大路—外环路)工程第二合同段 培训主题 培训部门...
津建安-施-12 培训教育记录表(1) 施工单位: 编号: 培训部门 安质环保部 项目负责人 袁波 教育类别 班组长 培训日期/课时 培...
安全教育培训记录 安全培训 名称 全员安全教育培训 地 点 公司会议室 起止时间 20XX-XX-XX 培训形式 在岗培训 应到人数 XX 实...
安 全 教 育 培 训 表 号 : SAQD-PZH-002 项 目 名 称 : 贵 溪 耳 口 54MW 风 电 项 目 编 号 : SG01-001 ...
单位: 姓名: 分数: 1 安全教育培训考试卷 一、判断题:(正确,错误) ()1、电焊完成作业后,电焊工即可离开现场。 ()...
安 全教育培训考试试题 一、判断题(每小题2 分,共50 分。在正确的括号内打“√”,在错误的括号内打“×”) (对)1、安全生产是指在劳...
安全教育培训监理实施细则 审 定: 审 核: 编 写: 某工程施工监理部 安全教育培训监理实施细则 一、目标及范围 1.为加强安全文...
本文格式为Word 版,下载可任意编辑 第 1 页 共 10 页 安全教育培训方案(通用 6 篇) 安全教育培训方案1 为使我公司安全教育...
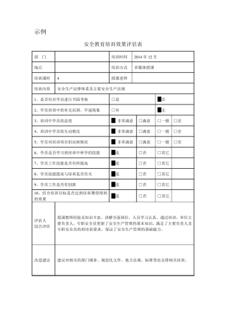
示例 安全教育培训效果评估表 部 门 培训时间 2 0 1 4 年1 2 月 地点 培训方式 多媒体授课 培训课时 4 授课老师 培训内...
安 全 教 育 培 训 心 得 体 会 5 篇 安 全 教 育 培 训 心 得 体 会 (1) 学 校 是 培 养 人 的 场 所 ,...

