精品文档---下载后可任意编辑频域法在热工对象辨识中的应用讨论的开题报告开题报告题目:频域法在热工对象辨识中的应用讨论讨论背景:在热...
精品文档---下载后可任意编辑面对控制的迭代辨识与控制设计方法讨论的开题报告题目:面对控制的迭代辨识与控制设计方法讨论一、选题的背景...
精品文档---下载后可任意编辑非线性系统辨识及其在股市预测中的应用讨论的开题报告一、讨论背景与意义在股市投资领域中,预测股票价格走势...
模板工程施工危险点辨识及预控措施作业项目危险点防范类型预控措施木工机械缺陷:平刨机无防护罩;圆盘锯皮带传动无防护;无分料器或防护挡...
电解车间的危险、有害因素辨识电解车间在生产过程中存在的危险、有害因素较多,危险因素主要有机械伤害、高处坠落、电气伤害和火灾爆炸危险...
安全风险辨识 评估报告 ----------煤业有限公司 2017年 7 月 5 日 前 言 为贯彻执行《煤矿安全生产标准化基本要求及评分方法》的...
安全风险辨识与分级管控制度 编制: 批准: 2 0 1 9 年 4 月 关于公司成立风险辨识、分级管控领导小组的通知 公司各级部门: ...
天全县马渡煤业有限责任公司 马渡煤矿 安全风险辨识评估技术 培训学习记录 2017 年 9 月 26 日 安全风险辨识评估技术培训学习人...
安 全 风 险 辨 识 评 估 制 度 第 一 条 为 明 确 风 险 辨 识 与 评 估 的 职 责 、 方 法 、 范 围 、...
安全风险辨识管理制度 一、目的 为加强公司风险管控,预防事故发生,实现安全技术,安全管理的标准化和科学化,特制定本制度。 二、范围...
安全风险辨识管控 Docu ment serial nu mber【NL89WT-NY98YT-NC8CB-NNUUT-NUT108】 安 全风险辨识管控 一、目的 风险识别、评价和...
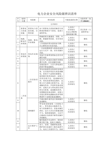
L可能性E频次C严重性D风险值评 价级 别触 电1. 离 出 线 母 排 太 近 。( 50)2.离 励 磁 碳 刷 太 近 。132575 一 ...
泗耳河送出项目部 安全风险辨识及预控措施 1 泗耳河送出工程 安全风险辨识及预控措施 四 川 省 明 远 电 力 建 设 工 程 ...
安全风险辨识分级管控指南 辉南县建筑施工领域安全风险辨识分级管控指南 1、安全管理 2、 基坑支护、降水 3、土方开挖 4、模板工程及...
安全风险辨识分级管控管理制度 1、编制目的 为认真落实国家、省市关于建立风险辨识分级管控和隐患排查治理双重预防机制的工作和《河北省...
安全风险辨识与分级管控制度 版本号:2018A0 编制: 批准: 2 0 1 8 年 4 月 关 于 公 司 成 立 风 险 辨 识 、分级...
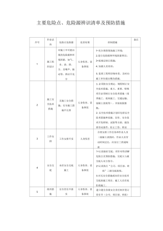
序号辨识部位可能导致事故风险分级/风险标识主要防范措施责任部门责任人1生产事故B/橙色施工单位建立健全各级各岗位安全生产责任制度项目经...
1 安全风险辨识与控制管理制度 目 录 1 . 目的 2 . 范围 3 . 引用文件 4 . 术语 5 . 职责 6 . 工作流程 2 1 目 ...
X X X X X X X X X X X X X X X X X X X 安全风险辨识与分级管控制度 版本号:2018A0 编制: 批准: 2 0 1 8 ...
安全风险危害识别 一、 危害识别 系统安全认为,导致事故发生的根源是危险源,系统中之所以发生事故,是由于系统中危险源的存在,要想防...

