1清库时没有按照先上后下的顺序清理,导致物料坍塌坍塌掩埋可能严重伤害不可接受2未系好安全带、安全绳没有固定在固定点或没有确认爬梯是否...
1************□DDDDDDDDDDDDDDDDDDDD0DDDDD***利 DDDDDDDD1850 叮 2650DDDDD2DDDDDDDDDDDDD2018D3D30DDDDDDDDDDDDDDDDDDDDDDDDDDDDDDDD...
记录编号:SDS-C-355-01使用编号:06090LECD危险等级(级)1作业者使用个体安全防护用品、用具不当,造成人员伤害36712632边坡作业发生滑动或...
第 1 页 共 3 0 页 第 2 页 共 30 页 《危险源辨识与风险评价一览表》编制说明: 1、各项目经理部、各职能部门根据《危险源...
水利工程施工完整危险源辨识及评价.
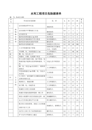
1 危险因素辨识及风险评价表 2 评价方法及评价标准 可能性(L) 暴露频率(E) 后果严重性(C) 分数值 事故或危险情况发生可能性...
1 附件1 危险源辨识与风险评价报告主要内容及要求 一、工程简介:工程概况(包括工程组成、工程等别、设计标准、抗震等级、主要特征值、...
XXX 工程 危险源辨识与风险评价 XXX 有限公司 编 制:X X X 审 核:X X X 批 准:X X X 合同编号:XXX 编制单位:X X ...
xxxxx 气体有限公司 安全风险辨识分级管控手册 风险管控领导小组 2018 年 10 月 2 公司简介 xxx 气体有限公司位于河北省遵化市x...
模版工程重大危险源辨识与控制 近年来,模板支架倒塌造成人员伤亡事故多发,究其原因,主要有六方面:现场管理不到位;方案编制不合理;钢...
公司危险源辨识、风险评价工作表 ER209.14-01 被评价单位(部门): 榨油厂 岗位:操作工 序号 作业步骤 作业活动 危险源 潜在事...
危险源辨识的步骤危险源辨识是建立风险预控管理体系的基础工作和主要内容,只有辨识了危险源之后,才能对其进行风险评估,进而制定合理的控...
危险源辨识及评价方法1•评价目的识别公司在活动、产品或服务中影响职业健康安全的危险源,评价危险源的风险程度,确定重大危险源,并对危...
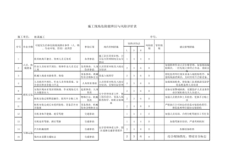
检修危险源辨识表 序号 作业活动 危险源 可能导致后果 判别依据 (I ~ V)(注1) 作业条件危险性评价 危险级别(注2) 现有控...
第 1 页 共 7 页 桩基施工危险源辨识与风险评价表 序号 作业(业务)活动/状态 发生部位 危险源/危害因素 危险类型(可能导致的...
桩基施工LSR1组织机构不健全,管理人员无资质各类事故施工队伍资质审核,公司安全管理制度及安全协议144D2作业人员培训不到位,特种作业人...
序号作业活动(危险源)危害因素现有的控制措施 可能导致的事故涉及相关方备注1水上作业水上作业人员未进行安全技术交底水上作业管理规定...
序 号作 业 活 动风 险 源可 能 导 致的 事 故危 险 等 级现 有 措 施拟 采 用 措 施1设 施 布 置 或 者 间 ...
-来 源 网 络 , 仅 供 个 人 学 习 参 考 桥 梁 危 险 源 辨 识 与 风 险 评 价 一 览 表 业 活 动 危 ...
复习资料 一、规范 1、国发[2010]23号决定在企业全面开展安全达标活动。深入开展以岗位达标、专业达标和企业达标为内容的安全生产标准化...

