电脑桌面
添加小米粒文库到电脑桌面
安装后可以在桌面快捷访问

电力企业安全风险源辨识清单

电力企业安全风险源辨识清单_第1页
1/6
电力企业安全风险源辨识清单_第2页
2/6
电力企业安全风险源辨识清单_第3页
3/6
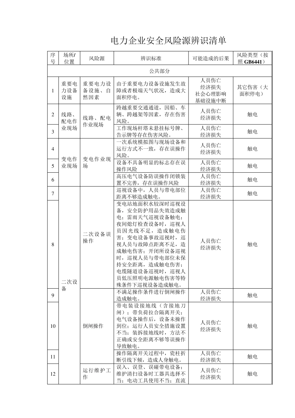
电力企业安全风险源辨识清单 序号 场所/位置 风险源 辨识标准 可能造成的后果 风险类型(按照GB6441) 公共部分 1 重要电力设备设施 重要电力设备设施、自然因素 由于重要电力设备设施发生故障或者极端天气状况,造成大面积停电。 人员伤亡 经济损失 社会心理影响 基础设施中断 其它伤害(大面积停电) 2 线路、配电作业现场 线路、配电作业现场 跨越重要交通通道,因船、车辆、跨越架等因素,存在伤害风险。 人员伤亡 经济损失 触电 3 工作现场杆塔未悬挂标号牌、告示牌等存在伤害风险。 人员伤亡 经济损失 触电 4 变电作业现场 变电作业现场 一次系统模拟图与现场设备和运行方式不一致,存在误操作风险。 人员伤亡 经济损失 触电 5 设备不具备明显的标志存在误操作风险 人员伤亡 经济损失 触电 6 高压电气设备防误操作闭锁装置不完善,存在误操作风险 人员伤亡 经济损失 触电 7 二次设备 二次设备误操作 巡视设备中,人员与带电部位距离不够造成触电。 人员伤亡 经济损失 触电 8 变电站地面积水较深时巡视设备,安全防护用品失效造成触电;雷雨天气巡视设备触电;夜间熄灯检查设备时,巡视人员因光线不足,造成触电伤害;变电设备事故巡视时,巡视人员与故障点距离不足,造成触电伤害;开闭所设备巡视时,巡视人员与带电部位未保持安全距离,造成触电伤害;电缆隧道设备巡视时,巡视人员低压照明电源触电伤害等特殊条件下巡视设备造成触电。 人员伤亡 经济损失 触电 9 倒闸操作 不满足操作条件进行倒闸操作造成触电。 人员伤亡 经济损失 触电 1 0 带电装设接地线(含接地刀闸);带负荷拉合隔离开关;电气设备操作后,设备未操作到位;运行人员安全措施设置不当;装拆接地线时,方法不正确或安全距离不够等误操作导致触电。 人员伤亡 经济损失 触电 1 1 操作隔离开关过程中,瓷柱折断引线下倾,造成人身触电。 人员伤亡 经济损失 触电 1 2 运行维护工作 误入、误登、误碰带电设备;维护清扫设备时工器具选择不当;电动工具使用不当;直流人员伤亡 经济损失 触电 序号 场所/位置 风险源 辨识标准 可能造成的后果 风险类型(按照GB6441) 设备维护清扫时;红外线测温时与设备带电部位未保持足够的安全距离等造成人员触电。 13 高处作业场所 高处作业人员因防护和防护失效坠落造成伤害。 人员伤亡 经济损失 高处坠落 14 SF6 设备巡视 SF6 有毒...

1、当您付费下载文档后,您只拥有了使用权限,并不意味着购买了版权,文档只能用于自身使用,不得用于其他商业用途(如 [转卖]进行直接盈利或[编辑后售卖]进行间接盈利)。
2、本站所有内容均由合作方或网友上传,本站不对文档的完整性、权威性及其观点立场正确性做任何保证或承诺!文档内容仅供研究参考,付费前请自行鉴别。
3、如文档内容存在违规,或者侵犯商业秘密、侵犯著作权等,请点击“违规举报”。

碎片内容

电力企业安全风险源辨识清单

您可能关注的文档

确认删除?
VIP
微信客服
  • 扫码咨询
会员Q群
  • 会员专属群点击这里加入QQ群
客服邮箱
回到顶部