电脑桌面
添加小米粒文库到电脑桌面
安装后可以在桌面快捷访问

污水站危险源辨识与风险评价(风险控制措施)清单

污水站危险源辨识与风险评价(风险控制措施)清单_第1页
1/8
污水站危险源辨识与风险评价(风险控制措施)清单_第2页
2/8
污水站危险源辨识与风险评价(风险控制措施)清单_第3页
3/8
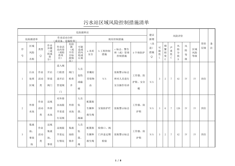
1 / 8 污水站区域风险控制措施清单 危险源辨识 建议新增(改进)措施○2 风险评价 管控 层级 备注 危险源清单 作业活动分析 (或设备、设施检查) 现有控制措施 序 号 区域 风险名称 类型 ○1 作业步骤(或组成部分) 作业活动内容(或检查项目) 危险源(或不符合标准情况) 可能造成的风险或后果 a 本质 安全 b 工程控制 措施 c 标志、警告和(或)管理控制措施 d 个体防护 可能性L 频繁程度E 严重性C 风险分值 D 风险等级 区域风险等级 1 污水处理区域 作业活动类 开启管道阀门 进入阀门检查进开启管道阀门 阀门检查井 人员划伤或磕碰 穿戴好劳保物品 N/A 张贴警示标志和对人员进行安全操作培训 工作服、防护鞋、安全帽 N/A 3 2 7 42 IV IV 岗位 2 外排水池 作业活动类 巡视外排水池 对外排水池提升泵进行巡视 外排水池 人员坠落、淹溺 配置救生圈和救生绳 安装防护栏 张贴警示标志 工作服、防护鞋 N/A 3 6 7 126 IV IV 岗位 3 集液池、事故池 作业活动类 巡视集液池、事故巡视提升泵运行情况 集液池检修井 人员坠落、淹配置救生圈和救生绳 检修口、阀门井盖定期检验 张贴警示标志 工作服、防护鞋 N/A 3 2 7 42 IV IV 岗位 2 / 8 池 溺、中毒 4 初沉池、调节池 作业活动类 巡视初沉池、调节池 巡视设备运行情况 初沉池、调节池 人员坠落、淹溺、中毒 配置救生圈和救生绳 安装防护栏 张贴警示标志和对人员进行安全操作培训 工作服、防护鞋 N/A 3 2 7 42 IV IV 岗位 5 初沉池、调节池 设备、设施类 巡视初沉池、调节池 巡视设备运行情况 提升泵、行车 机械伤害 穿戴好劳保物品 配备防护网罩 张贴警示标志和制定标准操作规程 工作服、防护鞋 N/A 3 6 7 126 Ⅲ Ⅲ 岗位 6 中沉池、好氧曝气池 作业活动类 巡视中沉池、好氧曝气池 巡视出水情况 密封间 人员坠落、淹溺、中毒 佩戴防毒面具;配置救生圈救生绳 安装防护栏、气体检测仪 张贴警示标志和制定标准操作规程 防毒面具、工作服、防护鞋 N/A 6 1 15 90 Ⅲ Ⅲ 岗位 7 中沉池、好氧曝气池 设备、设施类 巡检风机房 巡检风机房设备运行情况 曝气风机 噪音伤害 配备隔音耳罩 设备安装消音器 张贴警示标识;佩戴隔音耳罩 隔音耳罩、工作服、防护鞋 N/A 3 2 7 42 IV IV 岗位 8 中沉池、好氧曝气池 设备、设施...

1、当您付费下载文档后,您只拥有了使用权限,并不意味着购买了版权,文档只能用于自身使用,不得用于其他商业用途(如 [转卖]进行直接盈利或[编辑后售卖]进行间接盈利)。
2、本站所有内容均由合作方或网友上传,本站不对文档的完整性、权威性及其观点立场正确性做任何保证或承诺!文档内容仅供研究参考,付费前请自行鉴别。
3、如文档内容存在违规,或者侵犯商业秘密、侵犯著作权等,请点击“违规举报”。

碎片内容

污水站危险源辨识与风险评价(风险控制措施)清单

您可能关注的文档

确认删除?
VIP
微信客服
  • 扫码咨询
会员Q群
  • 会员专属群点击这里加入QQ群
客服邮箱
回到顶部