1 电 热 膜 项 目 规 划 设 计 纲 要 2 目 录 序 言 ...................................................................
下载后可任意编辑安全生产责任书(班组与个人)阳城博奇公司检修专业电热班2024 年 月 日下载后可任意编辑2024 年度安全生产责任状(班...
第 十 五 章 电 功 和 电 热 课 时练 第 1 课 时 电 能 表 与 电 功 ( 1) 课 堂 巩 固 1. 电 能 表 是...
18 如何选购电热水龙头 选购电热水龙头的注意事项下面说明: 耐高温、高强度外壳,表面进行特殊喷漆处理,耐高温、抗冰冻、防腐蚀。开关...
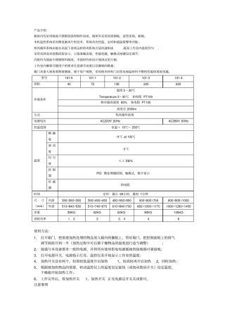
武汉格莱莫检测设备有限公司 产品说明书 101-0电热鼓风恒温干燥箱 使 用 说 明 书 武汉格莱莫检测设备有限公司 产品说明书 1 0...
HZG 系列高温煅烧回转窑(间接式高温焙烧回转窑,电热式煅烧回转窑,天然气回转窑煅烧机) 间接式高温焙烧回转窑,电热式煅烧回转窑,天...
常 州 干 燥 科 技 有 限 公 司 , 是 一 家 集 研 发 、设 计 、生 产 、销 售 、工 程 安 装 、技 术 服 ...
HZG 系列高温煅烧回转窑(焙烧回转窑炉,回转窑煅烧机,电热式煅烧回转窑) 焙烧回转窑炉,回转窑煅烧机,电热式煅烧回转窑介绍: 煅烧...
101-1A 型电热恒温鼓风干燥箱验证方案 ****药业有限公司 1. 验证目的 101-1A 型电热恒温鼓风干燥箱是公司购置的检测设备,其生产厂家...
附件1 工业和商用电热食品加工设备申证单元及型式类别 序号 申证单元 型式类别 1 商用箱式电烤炉 电烤箱、分层烘炉、电焗炉等 2 ...
下载后可任意编辑电炉喷料事故应急预案与电炉或电热套着火灭火预案汇编电炉喷料事故应急预案在冶炼过程中下列原因可造成喷料:(1)某一相...
产品介绍:箱体内均采用镜面不锈钢氢弧焊制作而成,箱体外采用优质钢板,造型美观,新颖。本机温控系统采用微电脑单片机技术,系统具有控温...
下载后可任意编辑热电厂干部述职述廉与热电厂电热车间员工爱岗敬业演讲稿汇编热电厂干部述职述廉根据公司党委关于对领导班子、后备干部进行...
下载后可任意编辑热电厂 2024 年度培训总结与热电厂电热车间员工爱岗敬业演讲稿汇编热电厂 2024 年度培训总结一、20xx 年度培训工作总...
下载后可任意编辑热电公司党建工作总结与热电厂电热车间员工爱岗敬业演讲稿汇编热电公司党建工作总结满洲里光明热电公司党总支在 XX 年党...
电热综合一类:电热器1.下面的图表是从某台电热饮水机的说明书上收集到的信息。经分析得知,电热饮水机有加热和保温两种工作状态,当S 闭...
第 20 课时电功率 电热的相关实验考点一 测量小灯泡的功率教材梳理 夯实基础重难探究 逐个击破原理 P=UI实物图与电路图电路连接 开...
第 1 题2题号 PPT 页码 题号 PPT 页码目录第 2 题4第 3 题5第 4 题6第 5 题7第 6 题8第 7 题9第 8 题10第 9 题11第...
11.【江苏省宿迁市 2015 年中考物理试题】电炉中电阻丝通电一段时间后变得很烫,而连接电炉的导线却不怎么热,主要是因为( )A.通过导...
AB根据刚才实验现象你有什么想法 ?可以提出什么问题 ?话题一电流热效应产热多少相关因素猜想电流电压电阻电功电功率时间导体长短导体材料...

