电脑桌面
添加小米粒文库到电脑桌面
安装后可以在桌面快捷访问

完整版032102AB电热鼓风干燥箱使用说明书VIP免费

完整版032102AB电热鼓风干燥箱使用说明书_第1页
1/2
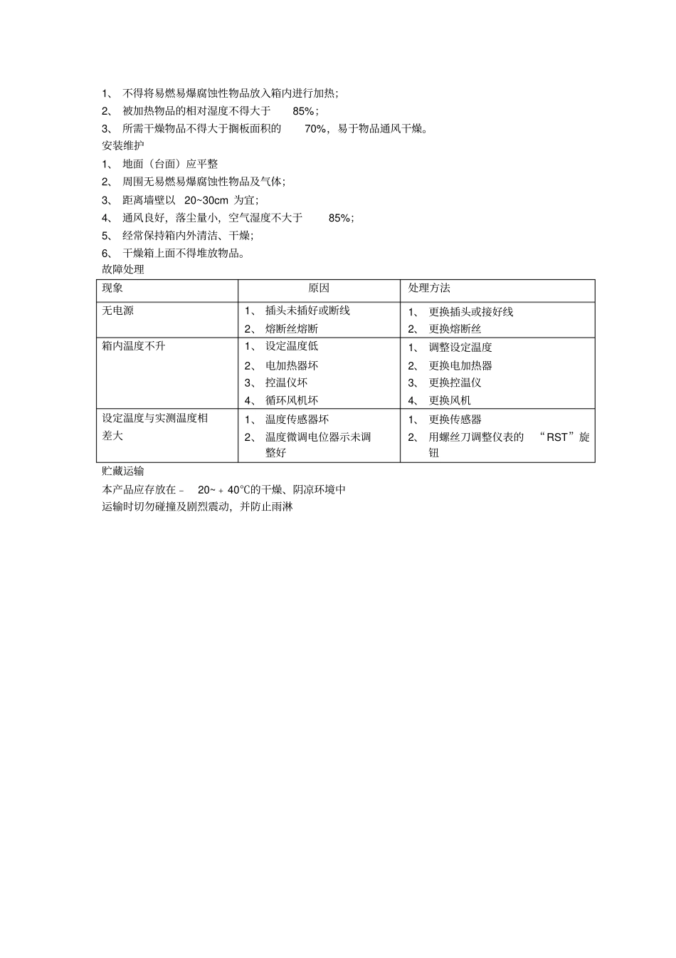
完整版032102AB电热鼓风干燥箱使用说明书_第2页
2/2
产品介绍:箱体内均采用镜面不锈钢氢弧焊制作而成,箱体外采用优质钢板,造型美观,新颖。本机温控系统采用微电脑单片机技术,系统具有控温、定时和超温报警等功能;热风循环系统由能在高温下连续运转的风机和合适风道组成,提高工作室内温度均匀. 采用双屏高亮度数码管显示,示值准确直观,性能优越,触摸式按键设定调节;内胆均为镜面不锈钢材料制成,半圆形四角设计使清洁更方便;工作室内搁架可随用户的要求任意调节高度以及搁架的数量;箱门具备大视角观察玻璃窗,便于用户观察,采用纳米材料门封条及保温材料令整机性能体现更优越。型号101-0 101-1 101-2 101-3 101-4 容积42 70 136 225 620 环境条件温度 5~30℃Temperature 5~30℃铂电阻 PT100 相对最高湿度 80% 铂电阻 PT100 高度至 2000m 方式热风循环系统电源电压AC220V ,50Hz AC380V ,50Hz 控温范围室温+ 10℃~ 250℃温度精 确度±1℃ at 100℃波 动度±1℃均 匀度≤± 2.5℃ % 控 制器PID 微处理器控制,触摸式,数字显示传 感器铂电阻时间定时:最长 99小时,最短 1分钟尺寸(mm)内部350×350×350 350×450×450 450×550×550 500×600×750 800×800×1000 外部510×640×530 510×740×670 610×840×730 660×1000×1170 1000×1290×1450 净重39KG 52KG 62KG 90KG 145KG 消耗功率1.2 2 2. 4 4 6 使用方法:1、 打开箱门,把需要加热处理的物品放入箱内的搁板上,管好箱门,把控制面板上的排气调节阀扭开到一半(加热过程中可以被干燥物品的温度进行适当调整);2、 接通与本设备要求一致的电源,并将所有使用供电电源插座的接地端可靠接地;3、 打开电源开关,电源指示灯亮、温控仪表开始显示工作室的温度;4、 加热开关设有两个,如需较低温度开启加热1,较高时再开启加热2,同时加热;5、 根据被加热物品的需要,转动温控仪上的温度设定旋钮(或按动拨码开关)设定温度,干燥箱开始加热工作;6、 工作完毕后,将加热开关1、加热开关2 及电源总开关关闭即可。注意事项1、 不得将易燃易爆腐蚀性物品放入箱内进行加热;2、 被加热物品的相对湿度不得大于85%;3、 所需干燥物品不得大于搁板面积的70%,易于物品通风干燥。安装维护1、 地面(台面)应平整2、 周围无易燃易爆腐蚀性物品及气体;3、 距离墙壁以20~30cm 为宜;4、 通风良好,落尘量小,空气湿度不大于85%;5、 经常保持箱内外清...

1、当您付费下载文档后,您只拥有了使用权限,并不意味着购买了版权,文档只能用于自身使用,不得用于其他商业用途(如 [转卖]进行直接盈利或[编辑后售卖]进行间接盈利)。
2、本站所有内容均由合作方或网友上传,本站不对文档的完整性、权威性及其观点立场正确性做任何保证或承诺!文档内容仅供研究参考,付费前请自行鉴别。
3、如文档内容存在违规,或者侵犯商业秘密、侵犯著作权等,请点击“违规举报”。

碎片内容

完整版032102AB电热鼓风干燥箱使用说明书

确认删除?
VIP
微信客服
  • 扫码咨询
会员Q群
  • 会员专属群点击这里加入QQ群
客服邮箱
回到顶部