Unit 2 The United Kingdom「 Union Jack 」 or 「 Union Flag」 Have you ever been to the UK?Have you heard of ...
下载后可任意编辑房屋租赁合同 租赁(综合业态) NO. 甲方(出租人): 无锡市瑞景资产物业管理有限公司乙方(承租人): 鉴于,甲方受...
招聘与人员选拔招聘与人员选拔摘要 : 在人生的旅途中无论是谁都会面临一个这样的问题-- 招聘与人员选拔。无论你是什么身份,处于什么样...
招投标试题 18 真题实战1. 王某的日工资为80 元。政府规定 2010 年 10 月 1 日至 7 日放假 7 天,其中 3 天属于法定假日,...
招投标试题 13 单项选择题1、关于投标有效期的说法,正确的是()。A、投标有效期延长通知送达投标人时,投标人的投标保证金期限随之延长...
招商形象宣传片 ---6分钟招商形象宣传片策划大纲片长: 6 分钟本片为招商宣传片。 旨在向意向代理商展现一点传奇事业必成之理由。全片...
招商或公务接待方案模板— 2 —接待方案*********(填制作单位或部门名称)** 年** 月** 日*月** 日— ** 日,某某某公司总经理**...
招商人员薪酬及提成 2 / 7 园区招商团队薪酬管理方案为进一步加强园区的招商销售工作,激励招商销售人员积极签约,实现快速去化回笼资...
抑郁症临床路径抑郁症临床路径(2013 年版)一、抑郁症临床路径标准住院流程(一)适用对象。第一诊断为抑郁发作( ICD-10:F32),复发...
扬州八怪 - 金农作品赏析扬州八怪金农作品赏析金农《隶书七言联》扬州八怪金农作品赏析摘要:金农的画造型奇古,善用淡墨干笔作花卉小品...
执法人员文明用语规范2 XX 市 XX 城市管理行政执法大队执法人员文明用语规范为进一步完善我XX 执法大队精神文明建设,建立一支执法文...
执委会议事规则执委会议事规则第一章总则第一条为进一步规范公司分子公司向集团提报的事项行为,保证公司分子公司投资决策的规范性、科学化...
执业药师西药专业知识二目录药学专业知识二第一章精神与中枢神经系统第一节 镇静催眠药地西泮佐匹克隆唑吡坦第二节 抗癫痫药卡马西平丙戊...
vMware vSphere vCenter5.5 安装过程 vMw are vSphere 5.5 已经在2013 年9 月22 日发布,整个全系列解决方案的软件均有升级。下...
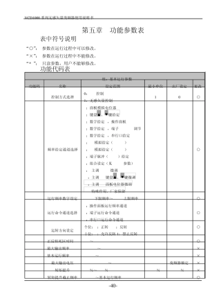
VCD1000 系列无感矢量变频器使用说明书 - - 40 第五章 功能参数表 5.1 表中符号说明 “○”: 参数在运行过程中可以修改。 “×...
中铁二局第四工程有限公司绥阳煤电化一体化水泥项目进厂道路工程项目部施工专项方案 - 1 - 目 录 一、编制依据........................
TMS320F2809, TMS320F2808, TMS320F2806, TMS320F2802, TMS320F2801 TMS320C2802, TMS320C2801,and TMS320F2801x DSPs 数据手册...
意大利语阅读: 无畏的小乔万尼? Giovannin senza paura C'era una volta un ragazzetto chiamato Giovannin senza paura, p...
怎样塑造人物形象2 怎样塑造人物形象在语文教学中,写作教学是一个难点,尤其是人物的塑造,大家常常觉得难以把握,写出来的人千人一面,...
怎样使用跌落式开关跌落式开关使用和操作一般的跌落式熔断器没有消弧装置,所以在变压器停送电时,为了防止电弧烧伤事故,应避免带负荷拉闸...

