一家民营企业品绩考评方案为了更好的对员工进行管理、监督、指导、评价、教育、激励和帮助,创建一个绩优团队,推动公司实现战略目标,人力...
附件:株洲市县城城市管理考评标准株洲市城市管理委员会二〇一三年六月目录(一)株洲市县城市容考评标准…………………………………………...
福建师范大学数学与计算机科学学院09级年级两委考评制度一、目的:为了更好地促进年级工作的开展,经年级常委会研究决定,特制订此制度以统...
第十一课工作考评,让员工业绩飞扬?工作考评,让员工业绩飞扬培训目的*了解酒店经理如何对员工进行日常工作指导*了解酒店经理如何对员工进...
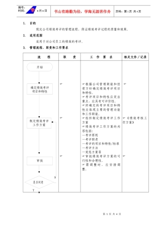
第1页共4页编号:时间:2021年x月x日书山有路勤为径,学海无涯苦作舟页码:第1页共4页1.目的规定公司绩效考评的管理流程,保证绩效考评过程...
西藏天路交通股份有限公司绩效考评管理办法新华信管理咨询制作2002年04月16日目录第一章总则...............................................
对联通移动员工绩效考评方法的分析课件•背景介绍•绩效考评方法•联通移动公司绩效考评方法现状分析•改进联通移动公司绩效考评方法的建议...
财务部员工绩效考评办法一、目的:为正确考核每一位员工在所任岗位的工作业绩与工作能力促使员工改进工作作风,提高工作质量及效率,完成公...
领导干部考评会主持词同志们:现在开始开会。请大家关闭手机、集中精力、认真听会。这次全县领导干部大会,主要是全面传达和深入贯彻全市领...
西藏天路交通股份有限公司绩效考评管理办法新华信管理咨询制作目录第一章总则.............................................................
换届考评主持词主持词各位领导、同志们:(准备开会了,请大家将手机关机或调到静音状态。)根据市委统一安排和部署,按照市委换届办《关于...
第1页共7页副校长工作考评履职述职报告姓名:XXX学校:XXX时间:XXX副校长工作考评履职述职报告平凡的一又是不平凡的一年。一年来,年。市...
综治部门考评会主持词主持词同志们:今天,我们在这里召开会议,主要是对各相关部门2013年综合治理人口与计划生育目标责任书完成情况进行考...
第1页共4页【仅供参考】2024年社区党建上半年考评总结范文部门:_________姓名:_____________年___月___日(此文内容仅供参考,可自行修改...
2024年工作绩效考评方案与2024年工信委安全生产工作方案汇编2024年工作绩效考评方案一、指导思想坚持以科学进展观为指导,深化贯彻落实县委...
综治部门考评会主持词吉青综治字[2011]号关于印发《2011年度乡镇、街道社会治安综合治理目标管理考评办法》的通知各乡镇、街道综治委:现将...
第1页共4页【仅供参考】计划生育目标管理岗责考评方案部门:_________姓名:_____________年___月___日(此文内容仅供参考,可自行修改)计...
2024年年终考评工作个人总结与2024年年终营销个人总结汇编2024年年终考评工作个人总结我委自XX年4月以来,即根据市政府工作报告的要求全面...
第1页共29页学校党支部工作达标考评自查报告姓名:XXX学校:XXX时间:XXX学校党支部工作达标考评自查报告近两年来,我校党支部高举邓小平理...
医院医保考评及奖惩制度第九十二条应用乙类药品、自费药品及各项自费检查等未填写《自费项目同意书》者,每例罚款50元,且承担病人及医保中...

