中压燃气管道工程施工组织方案编制审核批准二00年月第一章编制说明一、编制说明二、编制依据三、编制原则第二章工程概况一、工程概况二、主...
(此文档为Word格式,下载后可以任意编辑修改!)(文件备案编号:)编制日期:年月日、工程概况1、工程简述本工程为XX工程。输气管线规格...
0第一章、工程概况1。1、工程概况1。2、主要工程量清单1。3、施工特点1.4、施工总体目标第二章、工程采用的施工验收规范、标准第三章、施工...
xxx中压蒸汽供热管道机务安装工程施工组织设计编制:审核:批准:目录1工程概述...........................................................
仅供参考[整理]第1页共25页安全管理文书中压燃气管道施工技术要求日期:__________________单位:__________________仅供参考[整理]第2页共...
平度市人民路中压燃气管道工程常用软件课程设计中压燃气管道工程施工组织方案编制:审核:批准:二00年月目录平度市人民路中压燃气管道工程...
中压水电解制氢装置控制系统改造李兰峰(南阳鸭河口发电有限责任公司河南南阳474671)摘要:介绍了南阳鸭河口发电有限责任公司制氢装置的配...
前钢30000Nm3/h空分项目安装工程中压氮压机试车方案编制:审核:安全员审核:批准:浙江省工业设备安装集团有限公司二0一项目部2013年7月3...
风管系统按其系统的工作压力(P)划分为三个类别:P≤500Pa为低压系统500Pa<P≤1500Pa为中压系统P>1500Pa为高压系统压力容器的压力等级和...
中压燃气管道工程施工组织设计目录第一章工程概况第二章编制依据第三章施工部署第四章主要机具装备及劳动力配备计划第五章质量管理规划第六...
江苏省电力公司2007年电网项目主设备/材料招标文件1第二部分技术部分第一册技术通用部分第二册技术专用部分江苏省电力公司2007年电网项目主...
第0页共54页编号:时间:2021年x月x日书山有路勤为径,学海无涯苦作舟页码:第0页共54页安徽省XX市天然气利用工程(中压A级)燃气工程施工...
中压配电变压器低压侧单相接地保护浅析杨旭东(中国石油集团工程设计有限责任公司北京分公司,北京市100085)PreliminaryDiscussiononLow--vo...
风管系统按其系统的工作压力(P)划分为三个类别:P≤500Pa为低压系统500Pa<P≤1500Pa为中压系统P>1500Pa为高压系统压力容器的压力等级和...
中压锅炉水质标准
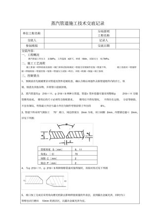
蒸汽管道施工技术交底记录单位工程名称分局部项工程名称交底人记录人参加班组交底日期交底内容:一、工程概况蒸汽管道工作压力3.5MPa,工作...
600MW机组检修文件包GHBD-QJ-01-027/01#1机组#1中压主汽阀A级检修设备编码:10MAB10AA001设备专业主管:工作负责人:检修单位:计划检修时...
•城轨交通供电系统概述•城轨交通供电中压网络•中压网络的运行与维护•中压网络的优化与改造•城轨交通供电中压网络的发展趋势contents目...
竣工验收天津市管道工程集团有限公司本工程为天津海港保税区中压蒸汽管道工程。主要施工管道为蒸汽管道,蒸汽管道采用主要管材彩钢板外护...
接线模式总结接线模式总结1.1.同电源不同母线辐射接线同电源不同母线辐射接线2.2.同电源不同母线同电源不同母线TT型接线型接线3.3.同电源不...

