目录一、工程概况31.1工程简介31.2工程创优目标3二、编制依据4三、工程质量保证体系43.1质量保证体系43.2质量管理制度63.3创优组织与实施10...
北京市某创优工程试验方案目录1.编制依据..................................................12.工程概况..................................
旅游局环境创优年工作汇报4月11日上午,县委、县政府召开了全县环境创优年深化思想作风建设动员大会;4月11日晚,县委、县政府又召开全县领...
(九)黄骅港三期工程质量控制重点、难点及预控措施、创优计划黄骅港三期工程为国内最大翻车机房,筒仓直径及高度,项目部充分利用这些工程...
疗养院创优工作汇报我院党支部根据卫生局党委开展创先争优活动相关文件精神,积极部署,较好完成创先争优各项工作任务,现将我院开展“创先...
环卫处创优工作汇报创先争优活动开展以来,区环卫处党支部高度重视,按照上级党委的要求,结合自身实际,制定实施方案,积极动员部署,创新...
落实全县环境创优年深化思想作风建设动员会情况汇报县环境创优年深化思想作风建设活动领导小组办公室:4月11日上午,县委、县政府召开了全...
激励外来务工青年学优创优调研报告编者按:本文主要从基本情况分析;需要重点关注的问题;相关的对策与建议进行讲述。其中,主要包括:外来...
联工委创优情况报告联工委以邓小平理论和“三个代表”重要思想为指导,一年来。认真贯彻中共中央十七大会议精神,坚持以科学发展观为统领,...
精选创优争先安全生产实施方案第十二个五年计划期间是全县逐步迈向小康社会的重要进展时期,是加快推动新型工业化进程的关键时期,也是深化...
旅游局创优发展自查汇报一、开展创优发展环境活动基本情况在市局创业服务办的指导下,结合我县创优发展环境活动部署,我局不折不扣地开展创...
基层团支部创优建设调查研究报告随着整个国家和社会对共青团工作的重视,基层团支部的建设发展已经引起越来越多的重视。我校校团委一直以来...
旅游局落实全县环境创优年深化思想作风建设动员会情况汇报4月11日上午,县委、县政府召开了全县环境创优年深化思想作风建设动员大会;4月11...
关于整治吃拿卡要问题创优发展环境的工作情况汇报为认真贯彻落实省、市、县关于整治“吃拿卡要”问题创优发展环境的文件精神和会议要求,巩...
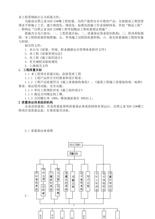
本工程贯彻执行公司质量方针:为提高自然之家B20-23#楼工程质量,为用户提供安全可靠的产品,全面提高工程的管理水平和施工工艺,建立制度...
第0页共22页编号:时间:2021年x月x日书山有路勤为径,学海无涯苦作舟页码:第0页共22页敦格铁路(甘肃段)DGGSZQ-3标当金山隧道创优规划编...
****工程精品工程策划书编制:审核:审批:****公司***项目部***年**月**日目录1第一篇工程概况及工程特点一、工程概况二、工程特点三、总...
第1页共48页编号:时间:2021年x月x日书山有路勤为径,学海无涯苦作舟页码:第1页共48页1.工程概况1.1工程建设概况序号项目内容1工程名称...
廊坊市某小区A01#、A02#、A03#、A05#、A07#、A09#、A11#、A13#楼工程质量创优计划及质量保证措施廊坊市**建筑安装工程有限公司**区...
第1页共86页编号:时间:2021年x月x日书山有路勤为径,学海无涯苦作舟页码:第1页共86页目录第1章编制依据..................................

