填空与选择题岩体结构结构面和结构体的排列与组合形成。包括结构面和结构体两个要素。结构面指发育于岩体中,具有一定方向和延伸性,有一定...
工作许可证制度拟制:审核:批准:景县港华燃气有限公司风险管理部景县港华燃气有限公司JingxianHongKongandChinaGasCo.Ltd景县港华-文件编...
1.工业微生物育种在发酵工业中的作用如何?其目的是什么?工业微生物育种建立在:(1)遗传和变异(微生物遗传学)的基础之上;(2)物理和...
岩石构造标本集(沉积岩类)分享作者:骆驼刺已被分享6次评论(0)复制链接安山质角砾岩.jpg岩石名称:安山质角砾岩英文名称:Andesitebrecci...
硫酸工业1.阐述硫铁矿为原料制取硫酸的主要工序及焙烧原理,并写出主要化学反应式。(10分)接触法硫酸生产过程⑴选矿:原料破碎、筛分、配...
答案不全,望请大家用红色补充答案思考题第一章:1、什么叫矿物?什么叫造岩矿物?矿物:就是岩石的基本组成单元,它是天然产出的,具有一定...
混凝土浇筑岗位危险告知书:你将从事的混凝土浇筑作业,存在着高处坠落、窒息、触电、坠物伤人等岗位危险,现予告知。你在作业时务必遵守相...
山东省护士执业注册管理规程为进一步规范护士执业注册管理工作,根据国务院《护士条例》(国务院令第517号)、原卫生部《护士执业注册管理...
(钢结构子分部工程B楼屋面钢结构部分)编制人:虎少滨总监理工程师:批准人:批准时间:-1-一、工程概况本工程位于由A/B/C/D/E/F楼组成,A...
乡村学校少年宫档案记录表所在学校:湖南省费县刘庄中心小学详细地址:湖南省费县探沂镇刘庄村建成时间:2016年12月2016·刘庄中心小学制1...
柱层析浅谈极性小的用乙酸乙酯:石油醚系统极性较大的用甲醇:氯仿系统极性大的用甲醇:水:正丁醇:醋酸系统拖尾可以加入少量氨水或冰醋酸...
1苏教版科学小学三年级上册实验目录单元实验名称实验材料演示分组我们都是科学家让纸鹦鹉“站起来”一张彩色卡纸、铅笔、水彩笔、剪刀、回...
1、一项工程,甲、乙合作要12天完成;如果甲先做三天后,再有乙接着做8天,共完成这项工程的5/12。如果这件工程有甲、乙单独完成各需多少天...
家用缝纫机原理和保养第一节缝纫机的工作原理初次接触缝纫机的人可能会提出这样一个问题:缝纫机是怎样把线缝在衣料上的?要弄清这个问题,...
家乡的树种一、杨树杨树是杨柳科杨属植物落叶乔木的通称。全属有100多种,主要分布在中国(江苏大丰杨树基地),欧洲(东非林场),亚洲,...
VCU系统结构和功能说明书新能源汽车作为一种绿色的运输工具在环保、节能以及驾驶性能等方面具有诸多内燃机汽车无法比拟的优点,其是由多个...
同学甲:我觉得墙报能够激发学生创新的智慧。因为墙报绝对不是文字或图案的简单堆积,一期比较成功的墙报应该是其设计理念,设计方案能够体...
学习《中国共产党廉洁自律准则》《中国共产党纪律处分条例》测试题一、单项选择题:(共75题)1.新修订的《中国共产党廉洁自律准则》和《中...
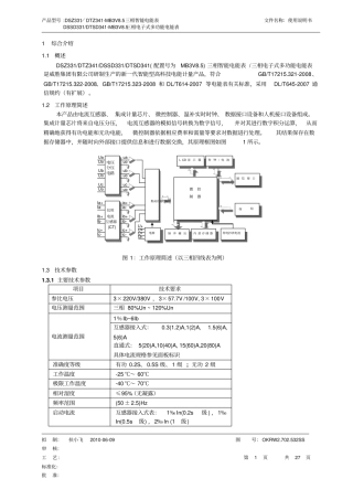
产品型号:DSZ331/DTZ341-MB3V8.5三相智能电能表文件名称:使用说明书DSSD331/DTSD341-MB3V8.5三相电子式多功能电能表拟制:扶小飞2010-06-...
如何研究透一家公司第一部分:确定一家公司的“质地”(描绘一家公司的总体印象)1.1天花板1.2商业模式1.3企业的核心竞争力1.4...

