关于无刷电机 FOC 驱动算法的研究A Study of the Field Oriented Control of Brushless DC Motors 内容摘要近些年来,高新技...
三相交流电机FOC矢量控制
最近有时间把TI ST 还有Microchip 三家关于PMSM 控制中使用电阻采样相的电路看了一下,发现各家都有自己的特点,就做个总结吧。 1.T ...
MICROCHIPAN1078PMSM电机FOC控制中文
TI网站FOC框图
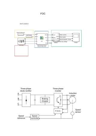
MATLAB2013FOC1.2.3.4.demuxField-OrientedControlInductionMotorDriveField-OrientedControlInductionMotorDriveConv_inMotorCtrijnConvrA...
F单电阻采—ch-jvinopigmp-ilTpiqihrl-Hanur-ffmnnkhiQlilllnn1imc■•-0■耐静1耳曲Hirh*QFOC中的电流采样电流采样是FOC的基础,具体有电...
无传感器磁场定向控制(FOC)风机控制原理主要内容风机用直流无刷电机FOC的控制原理无感FOC的控制原理主要内容风机用直流无刷电机...
客车车身制造规程FOC、HOC、HOCL/N客车车身制造规程目录1.前言………………………………………………72.概述……………………………………...

