电脑桌面
添加小米粒文库到电脑桌面
安装后可以在桌面快捷访问

FOC控制仿真说明VIP免费

FOC控制仿真说明_第1页
1/9
FOC控制仿真说明_第2页
2/9
FOC控制仿真说明_第3页
3/9
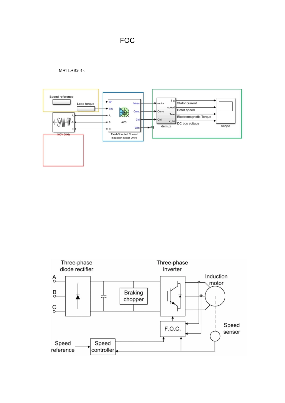
MATLAB2013FOC1.2.3.4.demuxField-OrientedControlInductionMotorDriveField-OrientedControlInductionMotorDriveConv_inMotorCtrijnConvrAiptorin回一Ctrtnnnnnnnnnnnnnnn牛 Link:FOC/Field-OrientedControlInductionMotorDrive*-SimulinkFileEditViewDisplayDiagramSimulationAnalysisCodeToolsHelp畧・令 J 器◎〒園彳羽 4 巴[団〒旧"Il«™i|◎彳蛊〒Field-OrientedControlInductionMotorDriveThree-phasediode12FixedStepDisMultipleoutputbusesOutputbusselectionAC-DC2DCDC-DCAC-DC3DC-ACFOC[0]H*01i*Z1i*Z-+CDtoirq|ue_ref■+I_JTorquereference(Nm)4————8errorReferenceMeas*CDReiLoutTorque*I.'zCtrlsat.ErrorReferenceregmodeR«ft亠NMBBSErrorPIregulatorintenraturFirstorderlow-pyissfilterPIFOCMagCFOC5FOCFOC1/zonn皿iqsCalculationSwitchingcontrol■Est_FluxStartFluxCalculationFOC111)Fluxcalculation屮rd2)Tetacalculatione3)ABC-DQ3/24)DQ-ABC2/35)i*qs6)id*dsd7)Currentregulator8)Switchingcontrol9)FIux_PIPI10)M_vector11)MagnetizationMagCnnnnn0.6sDD1.55s6Dnnnnnnnnnnnnnnnnnnnnnnmnnnnnnnnnnnnnn皿nnnnnnnnnnn⑴0-0.045sDnrnrrnrnrnrnrnrnrrnrnrnrnrnrnrrnrnnnnnnnnnnnnnnn⑵0.045-0.5Unnnnnnnnnnnnnnnnnnnnnnnnnnnnnnnnn皿(3)0.5-0.6sUDo.5s 叩 nnnnnnnmnnnnnnnnnnnn叩叩叩叩叩叩叩叩叩叩叩叩叩500r/minnnnnnnnnnnnnn(4)0.6-isDnnnnnnnnnnnnnnnnnnnn(5)i-i.5sDnnnnnnnnonnnnnnnnnnnnnnnnnnnnnnnnnnnnnnnnnnnnnnnn(6)i.5-i.55sDnnnnnnnnnnnnnnnnnnnnnnnnnnnnnnnnnnnnnnnnnnnnnnnnnnnnnnnnnnnnnnnnnnnnnnnnnnnnn⑺i.55-3sDnnnnnnnnnnnnnnnnnnnnnnn皿Statorcurre00.511;522.5Rotorspe00.511.52Z5ElectromagneticTorquDCbusvoltag0.511.-522.53120kw皿皿皿皿皿皿nnnnn皿皿400V1450r/min29.295e-30.3027e-3H14.85e-30.3027e-3H10.46e-3H3.1kg-m?0.08N・m・s500r/minnnnnn

1、当您付费下载文档后,您只拥有了使用权限,并不意味着购买了版权,文档只能用于自身使用,不得用于其他商业用途(如 [转卖]进行直接盈利或[编辑后售卖]进行间接盈利)。
2、本站所有内容均由合作方或网友上传,本站不对文档的完整性、权威性及其观点立场正确性做任何保证或承诺!文档内容仅供研究参考,付费前请自行鉴别。
3、如文档内容存在违规,或者侵犯商业秘密、侵犯著作权等,请点击“违规举报”。

碎片内容

FOC控制仿真说明

wxg+ 关注
实名认证
内容提供者

该用户很懒,什么也没介绍

确认删除?
VIP
微信客服
  • 扫码咨询
会员Q群
  • 会员专属群点击这里加入QQ群
客服邮箱
回到顶部