第 1 页 共 47 页编号:时间:2021 年 x 月 x 日书山有路勤为径,学海无涯苦作舟页码:第 1 页 共 47 页内部检查表第 2 ...
第 1 页 共 2 页编号:时间:2021 年 x 月 x 日书山有路勤为径,学海无涯苦作舟页码:第 1 页 共 2 页XXX 有 限 公 司...
模板工程实测实量检查表模板工程实测实量检查记录工呈名称 余政储出【2016】39 号地块施工单位上海金鹿建设(集团)有限公司检查部位#楼...
安全状况检查表检验项目待改善事项其他备注复检消防□无法使用 □道路阻塞灭火器□失效 □走道阻塞 □缺少走道□阻塞 □脏乱门□阻塞 ...
1 生活区管理序号检查项目检查情况1施工现场生活区设置符合标准2生活区内无污水、污物,垃圾及时清理3生活垃圾存放符合标准4办公室内垃圾...
12018 年 2 月份安全检查表本期检查主题:场站安全管理检查目的:及时发现场站安全管理中存在的问题,预防事故发生,提高成员公司场站安...
注:分值从一表示评价结果是:很好差-1-附件质量管理体系认证企业检查表一、企业基本情况企业名称法定代表人企业地址所在地邮编组织类型□...
序号检查项目检查内容检查结果1作业前的安全准备工作前应调度部门办理第一种工作票并办理停电许可手续工作负责人工作前应与调度联系,在得...
序号检查项目检查内容检查结果1作业前的安全准备参加检测人员,须经专业培训、考试合格并持有合格证,新人员未经培训不得进行此项工作详细...
人员电气设备安全检查由各机动部组织,相关专业管理人员参加。目的对变、配电安全管理中可能存在的隐患、有害危险因素、缺陷等进行查证,查...
序号检查项目检查内容检查结果1作业前的安全准备参加作业人员,须经专业培训,考试合格并持有合格证,新人员不得进行此项工作带电作业人员...
序号检查项目检查内容检查结果1作业前的安全准备作业人员必须取得相应的带电作业资格证,且在有效期内。选派的工作负责人应有较强的责任心...
序号检查项目检查内容检查结果1检修前的准备在断路器检修前,必须按《电业安全工作规程》要求,填写工作票或按命令执行命令方式可以为口头...
序号检查项目检查内容检查结果1互感器的巡视单独巡视的值班员和非值班员须经企业领导批准巡视时,不得进行其他工作,不得移开或越过遮栏巡...
序号检查项目检查内容检查结果1检修前的准备在变压器检修前,必须按《电业安全工作规程》要求,填写工作票或按命令执行命令方式可以为口头...
餐具、饮具集中消毒服务单位卫生监督检查表单位名称:联系人:联系电话:检查日期:检查项目序号检查内容是否符合备注1.厂区环境与布局要求...
附件:饲料生产企业安全生产照单检查表企业名称:项目检查内容检查方法存在主要问题一、各部门工作部署及检杳1、贯彻落实各级政府及相关部门...
项目名称:时间:建筑施工企业安全生产检查表建筑施工企业安全生产检查表序号?检查项目检查内容检查方法现场检查情况1安全生产管理制度1.1...
序号检查项目检查内容检查结果1安全生产许可证是否有许可证,许可证是否在有效期内2安全管理网络是否有本单位安全管理网络体系是否成立了安...
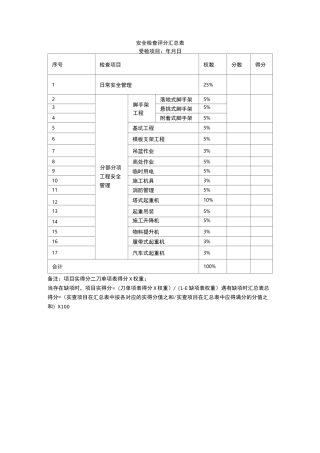
安全检查评分汇总表受检项目:年月日序号检查项目权数分数得分1日常安全管理25%2脚手架工程落地式脚手架5%3悬挑式脚手架5%4附着式脚手架5%5...

