第1页共6页编号:时间:2021年x月x日书山有路勤为径,学海无涯苦作舟页码:第1页共6页××港××作业区3#泊位后方堆场工程技术负责人:编制...
项次工序节点名称要求与做法二十防雷与接地装置的安装①外露的避雷针(带)及引下线等防雷装置,当选用碳素型钢时,须作热镀锌处理。镀锌层...
第1页共6页编号:时间:2021年x月x日书山有路勤为径,学海无涯苦作舟页码:第1页共6页安天阳光花园南22#楼冬季施工方案【1.】冬期施工起始...
第1页共10页编号:时间:2021年x月x日书山有路勤为径,学海无涯苦作舟页码:第1页共10页第1页共页作业指导书塑料件外观检验规范编号HWJS—7...
第1页共7页编号:时间:2021年x月x日书山有路勤为径,学海无涯苦作舟页码:第1页共7页Xxx地产暖场活动一、活动目的1、活跃现场气氛,周末暖...
第1页共4页编号:时间:2021年x月x日书山有路勤为径,学海无涯苦作舟页码:第1页共4页探索数字化工厂建设之路【摘要】随着集团公司信息化工...
服装产品的开发程序在服装企业,新产品开发应该遵循一定的程序来进行。所谓服装新产品的开发程序,是指从调查研究、总体构想、设计构思、产...
第1页共4页编号:时间:2021年x月x日书山有路勤为径,学海无涯苦作舟页码:第1页共4页模具的最新和最佳新材料内容摘要:模具制造商一直坚持...
第1页共4页编号:时间:2021年x月x日书山有路勤为径,学海无涯苦作舟页码:第1页共4页煤炭指标详解1.水份:是煤中无用成分,同时还影响煤的...
第1页共3页编号:时间:2021年x月x日书山有路勤为径,学海无涯苦作舟页码:第1页共3页施工组织设计一、编制说明:依据建设单位提供的施工图...
第1页共6页编号:时间:2021年x月x日书山有路勤为径,学海无涯苦作舟页码:第1页共6页某工程脚手架施工组织方案脚手架施工方案目录一、工程...
第1页共6页编号:时间:2021年x月x日书山有路勤为径,学海无涯苦作舟页码:第1页共6页第一卷某中学变配电室改造工程施工组织设计.............
煤矿安全新技术第一章概述矿井通风是矿井安全生产的基本保障。矿井通风指借助于机械或自然风压,向井下各用风点连续输送适量的新鲜空气,供...
第1页共6页编号:时间:2021年x月x日书山有路勤为径,学海无涯苦作舟页码:第1页共6页煤矿安全新技术第一章概述矿井通风是矿井安全生产的基...
第1页共5页编号:时间:2021年x月x日书山有路勤为径,学海无涯苦作舟页码:第1页共5页排水工程施工一、概述、工程概述本工程雨水管道采用平...
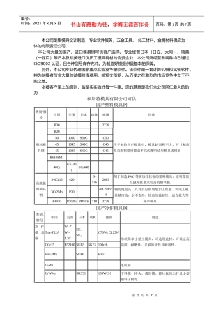
第1页共7页编号:时间:2021年x月x日书山有路勤为径,学海无涯苦作舟页码:第1页共7页本公司是集模具设计制造,专业软件服务,五金工具、化...
第1页共6页编号:时间:2021年x月x日书山有路勤为径,学海无涯苦作舟页码:第1页共6页最标准的房屋装修合同范本根据《中华人民共和国合同法...
第1页共4页编号:时间:2021年x月x日书山有路勤为径,学海无涯苦作舟页码:第1页共4页正确理解交通事故认定原则和安全原则《中华人民共和国...
第1页共6页编号:时间:2021年x月x日书山有路勤为径,学海无涯苦作舟页码:第1页共6页架空电力线路的防雷保护引言雷电是一种大气放电现象,...
第1页共4页编号:时间:2021年x月x日书山有路勤为径,学海无涯苦作舟页码:第1页共4页隧道雪沟斜井抽排水方案一、工程概况.工程简介隧道雪...

