--1各位核查专家:现将监理人员诚信评价使用表格的程序再次说明如下:一、附录C《监理职责考核用表》中的4种表格,是考核用的手填表格。二...
施工单位用表目录序号表格名称表格类型表格编号1施工技术方案申报表CB01承包[]技案号2施工进度计划申报表CB02承包[]进度号3施工图用图计划...
宁夏回族自治区义务教育阶段学校办学基本标准(试行)督导评估用表小学建设用地和校舍建筑面积统计(1.1)银川市贺兰县(市、区)北庙学校2...
第五节建筑屋面工程检查用表《建筑工程施工质量验收统一标准》中建筑屋面分部的隔热屋面子分部划分了架空屋面、蓄水屋面、种植屋面三个分项...
十堰市诚信示范学校申报表申报单位房县万峪初中(公章)地址房县万峪河乡旱田村5组39号邮编442012负责人杨平职务校长联系电话13733569829创...
通州区先锋小学“互学课堂”备课用表年级:学科:主备:执教:2015年月日互学内容(课时)互学目标互学重难点重点:难点:课前准备互学案设...
监理表格17.1A表工程技术报审17.1.1.1A1工程技术报审表17.1.1.2A1-1工程技术报审表17.1.1.3A1-2工程技术报审表17.1.1.4A1-3工程技术会审记...
钢柱外形尺寸监理检测记录工程名称:编号:构件名称构件编号制作单位图号检查项目允许偏差图例实测结果备注12345678910构件长度L±L/2500,...
实用标准文案精彩文档SH/T3903-A.1工程开工/复工报审表WorksCommencement/ResumptionApprovalRequest工程名称WorksTitle:编号ItemNo:致(...
湖南省高速公路建设项目年终考核表(考核用表)项目名称:考核项目考核内容(分值)扣分标准扣分原因扣分实际得分一、综合管理(100分)1、...
宜昌建立监理统一用表设计交底及图纸会审纪要表:A—01工程名称:编:本表及续页表一式五份工程法人、监理、设计各一份承包二份本表由出席...
中学部信息技术成绩分析表科目信息技术班级初一2班人数35任课教师均分69.3高分人数6高分率17%最高分9220分以下学生名单无前30%学生均分82.7...
延边诚信混凝土有限公司表A01水泥进场验收台帐序号进厂日期品种等级厂别车号数量仓号复检报告编号验收人延边诚信混凝土有限公司表A02粉煤灰...
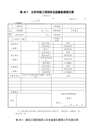
表JD-1北京市施工现场安全监督备案登记表表AQ-A-1市区县工程编码:工程概况工程名称工程地址工程规模M2(M)结构类型层数工程总造价万元工程...
华能太仓港务有限责任公司管理制度HNTCG-ZD-ZL07A/0江苏省水运工程质量管理统一用表2010-**-**发布2010-**-**实施华能太仓港务有限责任公司...
南京地铁工程承包单位:合同号:监理单位:编号:测量控制点交接表F4.1.1点号坐标高程(m)位置备注X(m)Y(m)交桩单位:(公章)交桩单...
仁怀市五马小学“有效参与”集体(备课)导学案编写时间:201年月日单元学案编写者总课时学案使用者起止时间学习目标学习重点与难点学习准...
建筑工程施工质量验收资料(GJ:钢结构工程部分)档号档案馆代号案卷题名编制单位上海宝钢工程建设总公司编制日期二00年月密级保管期限共卷...
工程分项开工申请批复单(A-01)承包单位:合同号;监理单位:编号:开工项目:桩号:建议开工日期:计划完工日期:此项工程负责人:附件:...
土方开挖工程检验批质量验收记录(GB50202-2002)表6.2.4编号:010101□□□工程名称分项工程名称项目经理施工单位验收部位施工执行标准名称...

