2016-2022年中国注射穿刺器械行业分析及投资趋势预测报告中国产业研究报告网什么是行业研究报告行业研究是通过深入研究某一行业发展动态、...
中心静脉穿刺置管技术中心静脉压(CVP)是衡量左右心排出回心血的能力和判断有效循环血容量的指标,现临床上已广泛应用。一.适应症1.体外...
联系方式:青岛山纺仪器有限公司青岛市四方区萍乡路2号杨超135064891860532-85642930A701安全帽冲击穿刺试验机一、仪器用途:A701安全帽冲...
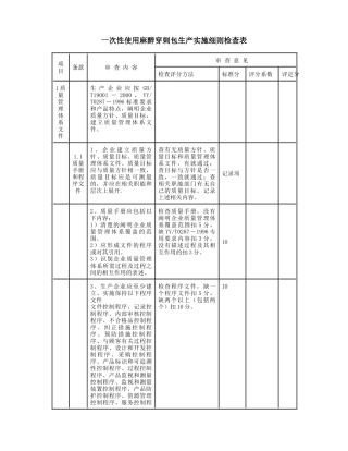
一次性使用麻醉穿刺包生产实施细则检查表项目条款审查内容审查意见检查评分方法标准分评分系数评定分1质量管理体系文件生产企业应按GB/T190...
联系方式:青岛市四方区萍乡路2号杨超135064891860532-85642930A701安全帽耐冲击、穿刺试验机一、仪器用途:本仪器专用于检测安全帽耐冲击...
四大穿刺考核评分表格
《内科常见穿刺技术》课程标准课程名称:内科常见穿刺技术培训对象:低年资住院医师、实习学员、进修生模块一胸腔穿刺术一、培训目标1.熟悉...
品管圈(QCC)活动成果汇报护心圈改善主题:提高动脉穿刺一次性成功率活动单位:某某市医疗中心某某医院心血管内科活动时间:2019年2月1日...
腹腔穿刺术ppt课件完整版•腹腔穿刺术基本概念与原理•腹腔穿刺术器械准备与消毒•腹腔穿刺术操作过程详解•并发症预防与处理措施•腹腔穿...
胸腔穿刺术教学课件目录•胸腔穿刺术基本概念与原理•术前准备与评估•手术操作技巧与规范•并发症预防与处理措施•术后护理与康复指导•总...
一、腹腔穿刺1、适应症:检查腹腔积液的性质,协助明确病因;腹膜腔内注药;减轻压迫症状;2、禁忌症:有明显出血倾向;电解质严重紊乱,如...
第二章经皮穿刺术介入放射学所有介入手术操作第一步必须用穿刺术,因此,该技术是所有介入医生必须掌握的第一个操作.经皮穿刺术是在影像设...
CT引导下的穿刺技术CT引导下的穿刺技术定义•指在CT机的引导下利用穿刺针经皮穿刺进入脏器或组织,获取细胞学或组织学材料,以明确病变性质...
心脏介入术后穿刺部位并发症的预防和医疗护理目录一、心脏介入术包括哪些二、穿刺部位三、术后穿刺部位止血方法及其优缺点四、穿刺动脉血管...
颈内静脉穿刺术●●解剖特征解剖特征起始于颅底颈静脉孔,形成颈动脉鞘,全程由SCM覆盖上段位于SCM内侧,颈内动脉后方中段位于SCM前缘下面...
动静脉穿刺技巧大纲•静脉的选择•特殊静脉穿刺方法及技巧★•动脉的选择•动脉采血的操作流程★•动脉采血的注意事项•穿刺技巧★•静脉穿...
超声引导下动静脉穿刺置管技术原理•超声引导置管(Ultrasound-guidedcannulation)被定义为在针穿刺皮肤之前用超声扫描来确定针的存在及其...
超声引导下的塞丁格穿刺技术PICCPICC的全称:的全称:外周静脉置入中心静脉外周静脉置入中心静脉导管导管PeripherallyInsertedPeripher...
超声引导下的塞丁格穿刺技术PICCPICC的全称:的全称:外周静脉置入中心静脉外周静脉置入中心静脉导管导管PeripherallyInsertedPeripher...
腰椎穿刺术及注意事项腰椎穿刺▪腰椎穿刺术是神经科临床常用的检查方法之一,对神经系统疾病的诊断和治疗有重要价值、简便易行,操作也较为...

