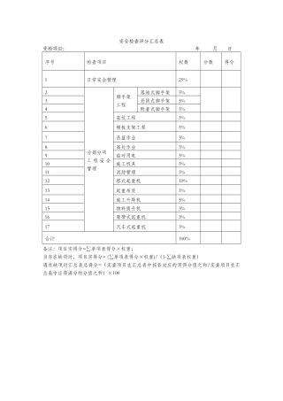
安全检查评分汇总表受检项目:年月日序号检查项目权数分数得分1日常安全管理25%2分部分项工程安全管理脚手架工程落地式脚手架5%3悬挑式脚手...
普洱市医院健康教育考核自查评分表日期:项目内容要求计分标准标准分扣分标准扣分情况实得分组织领导组织情况有院健康教育领导小组(委员会...
一、男生(体重单位:公斤)初中学生身高标准体重测试评分表身高段(厘米)营养不良较体重低正常体重超重肥胖50分60分100分60分50分123~12...
分析天平组(减量法)考核评分表考核项目--评分标准--得分项目考核内容比重得分基本操作技能(80分)天平的检查,调节天平的零点5天平门开...
分工会(职工小家)年度目标管理考核评分表分工会:工会主席:自评分:校工会评分:目考核内容及要素考核分值自评分支持)有专人分管工会工...
1/10附表1:公路工程质量管理行为督查内容及评分表督查内容抽查指标项标准或要求评分建设质量监督手续及时、完善施工许可手续及时、完善质...
公路工程“平安工地”建设考核评分表工程名称:建设单位:施工单位:监理单位:序号评分项目满分基本要求扣分标准检查记录扣分续表三17沥青...
公务员遴选考试面试评分表测评要素政策理论素养综合分析能力工作组织能力修养与协作能力语言表达仪表仪容合计满分等次标准优中差优中差优中...
实用文案标准文档附表1住宿业卫生监督量化分级评分表总得分:标化分:核定等级:单位名称负责人地址联系电话卫生许可证编号:第号项目评查...
职业技能鉴定统一试卷中级保健按摩师技能考核评分表考号:姓名:单位:操作时间:至长春医专总表知识能力口试部分保健按摩技能操作部分得分...
膂荿《住宿场所卫生监督量化分级评分表使用指南》蒇袆第一部分总则羂1.未取得有效卫生许可证的住宿场所,不适用此表,不参与评级。蒀2.评...
拉麻中学优质课评选课堂教学评分表授课教师班级学科课题项目要点分值得分教态(4分)衣着整洁;精神饱满振奋;动作协调;自然大方。4教材处...
广播体操比赛活动方案为了丰富校园文化生活,把老师们从繁重的脑力劳动中解放出来,养成锻炼身体的良好习惯,做到每天锻炼1小时,健康工作5...
人际交往能力指标考评标准差中良优关系建立:0102030405060708090100刚愎自用不易与他人相处,自我封闭较为自我,不易与他人建立长期关系能...
渠道维护工初级工测水量水评分表姓名:考号:时间:分项分值内容总分起点距(5分)水深(10分)流速仪安装(10分)测点深(10分)仪器位置...
总则1.为了加强建筑工程施工质量管理,提高公司施工质量水平,树立公司品牌,实现标准化、规范化管理,保证工程质量,减少业主投诉和工程...
附件三表1上海市文明工地重大工程、土建装饰安装专业工程安全防护设施检查表(试行)工程名称:施工单位:.类别序号评分内容标准分扣分实得...
1/2附件二:水上交通安全目标管理考核标准评分表考核项目考核内容考评标准考核方法分值应实组织机构建设辖区各级水上交通安全监管职能部门...
长沙中联重工科技发展股份有限公司绩效考评组成表新华信管理咨询公司制作绩效考评表清单及用途说明考评表名称使用时间填写方接受方用途说明...
1/4上海市学术类社团等级评估评分表评估指标(分)四级指标满分自评分评估机构评分一级指标二级指标三级指标四级指标基础条件(分)法人资...

