电脑桌面
添加小米粒文库到电脑桌面
安装后可以在桌面快捷访问

二水上交通安全目标管理考核标准评分表VIP免费

二水上交通安全目标管理考核标准评分表_第1页
1/2
二水上交通安全目标管理考核标准评分表_第2页
2/2
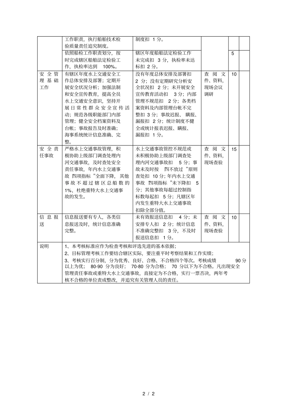
1/2附件二:水上交通安全目标管理考核标准评分表考核项目考核内容考评标准考核方法分值应实组织机构建设辖区各级水上交通安全监管职能部门重视和加强安全监督管理;建立健全水上交通安全领导小组和安全执法监督管理职能部门;全面组织落实安全目标管理责任;各项安全执法监督管理工作做到岗位清、职责明、制度全,严格遵守工作程序。对上级工作安排贯彻落实不力扣3分;未成立安全领导小组和安全职能部门专职人员扣2分;年度安全目标管理责任落实不力扣3分;各单位、部门岗位不明、职责不清、制度不全,各项工作程序不明扣2分。查阅文件、资料10安全管理责任制履行法定职责,实行安全管理目标责任制,签订目标管理责任书;实行海事安全执法和船舶技术检验责任追究制度。履行法定职责不好扣2分,各级职能部门不实行安全目标责任制扣2分,未签定责任书扣4分,责任追究制度不落实扣2分。查阅文件、资料,实地检查10落实水上交通安全行业管理责任和水上交通安全执法监督管理责任。未落实行业安全管理和安全执法监督管理责任扣5。5积极督促县、乡政府落实渡口渡船和乡镇船舶安全管理职责,对乡镇船舶交通安全管理实施业务指导。未督促、协助政府落实渡口渡船和乡镇船舶管理职责扣2分,乡镇船舶及渡口安全隐患整改不力扣2分,未有效实施业务指导扣1分。5安全执法监督管理开展航运企业安全生产标准化达标工作,对航运企业进行摸底登记,并报省局。认真组织开展各类专项安全检查和集中整治活动,按时上报统计报表和工作总结。未开展安全生产标准化达标工作,未对航运企业进行摸底登记,扣3分,各类专项安全检查和安全活动少开展一次扣1分,未及时上报统计报表和工作总结扣1分。查阅文件、资料;现场抽查基层单位或部门5对重点水域、重点船舶、重点时段、重大隐患实施有效监控和整改,检查、监控面达到100%。对水上交通安全“四重”实施监管和整改不力扣3分,检查、监控面未达标扣2分。5强化通航环境和通航秩序的整治和监管,及时查处“三无”船舶和“三违”、“三乱”现象,取缔不适航船舶和碍航作业活动。通航环境面貌未改善,航行秩序维护不好扣2分,查处“三无”、“三违”、“三乱”现象不力扣1分,未有效取缔不适航船舶和碍航作业活动扣2分。5严格船员管理,按时完成辖区船员年审工作,积极协助开展船员考试培训发证工作,严格执行船舶安全配员规定,建立健全船员学习培训制度,保障航行船舶船员执证率达100%。船员年审工作未完成或不积极组织、协助开展船员考培、发证工作扣3分,船舶安全配员规定执行不力扣3分,无学习培训制度扣2分,船员持证率未达标扣2分。5实行“谁检验、谁发证、谁负责”的制度,严格执行船检工作程序,切实履行地方船检未有效履行地方船检工作职责扣2分,出现船检质量问题扣2分,不实行或不执行102/2工作职责,执行船舶技术检验质量责任追究制度。制度扣1分。依照船检工作职责划分,按时完成辖区船舶法定检验工作,执检率达到100%。辖区年度船舶法定检验工作未完成扣3分,执检率未达标扣2分。5安全管理基础工作有辖区年度水上交通安全工作总体安排及部署;定期开展安全状况分析;加强法制和安全宣传教育,提高全员水上交通安全意识,坚持开展日常性群众安全宣传活动;规范各级职能部门内部管理;健全安全档案资料及台帐;事故报告及时准确;海事系统统计信息准确、完整。没有年度总体安排及部署扣2分;没有定期研究分析安全状况扣2分;未开展安全宣传教育活动扣3分;内部管理不规范扣2分;各类档案资料及内部管理台帐不完整扣3分;事故迟报、瞒报、漏报扣2分;统计制度不健全或统计报表迟报、瞒报、漏报扣1分。查阅文件、资料,现场会议调研10安全责任事故严格水上交通事故管理,积极协助上级部门调查处理内河交通事故,及时查处安全责任事故,年内水上交通事故“四项指标”全面下降,其他事故不超过辖区总船数的1%,杜绝重特大水上交通事故的发生。水上交通事故管控不规范或未积极协助上级部门调查处理内河交通事故扣5分;事故未及时按“四不放过”原则查处扣10分;年内水上交通事故“四项指标”未下降扣5分;其他事故每超过控制指标数每起扣5分;凡辖区年内发生...

1、当您付费下载文档后,您只拥有了使用权限,并不意味着购买了版权,文档只能用于自身使用,不得用于其他商业用途(如 [转卖]进行直接盈利或[编辑后售卖]进行间接盈利)。
2、本站所有内容均由合作方或网友上传,本站不对文档的完整性、权威性及其观点立场正确性做任何保证或承诺!文档内容仅供研究参考,付费前请自行鉴别。
3、如文档内容存在违规,或者侵犯商业秘密、侵犯著作权等,请点击“违规举报”。

碎片内容

二水上交通安全目标管理考核标准评分表

确认删除?
VIP
微信客服
  • 扫码咨询
会员Q群
  • 会员专属群点击这里加入QQ群
客服邮箱
回到顶部