下载后可任意编辑电吊司机工种作业合同甲方: 乙方: 签订地点: 签订时间: 合同编号: 下载后可任意编辑电吊司机工种作业合同 甲方...
韶关产业发展所需专业工种目录表序号专业名称对应或相关职业(工种)资格1机床切削加工(车工方向) 、机床切削加工(车工)、机床切削加...
下载后可任意编辑特别工种退休申请书 ××单位: 本人×××,生于××年××月××日,于××年××月××日将届满 50岁,符合国发(197...
下载后可任意编辑特别工种培训协议范本甲方: 乙方: 签订地点: 签订时间: 合同编号: 下载后可任意编辑特别工种培训协议范本 甲方...
下载后可任意编辑特别工种培训协议书范本甲方: 乙方: 签订地点: 签订时间: 合同编号: 下载后可任意编辑特别工种培训协议书范本 ...
下载后可任意编辑煤矿特种作业工种【关于煤矿井下特种作业人员配备标准】 关于煤矿井下特种作业人员配备标准煤矿特种作业种类。 根据安监...
下载后可任意编辑测量工种作业安全协议书范本下载后可任意编辑 甲方:(施工单位) 乙方:(施工人员) 签约地点: 一 通用部分: 为...
下载后可任意编辑测量工种作业安全协议书一、协议目的为确保测量工种作业过程中的安全,保障人员健康,保障财产安全,本协议制定。二、协议...
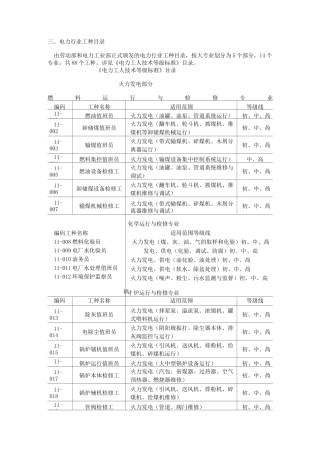
三、电力行业工种目录由劳动部和电力工业部正式颁发的电力行业工种目录,按大专业划分为 5 个部分,14 个专业,共 88 个工种。详见《...
下载后可任意编辑最新特别工种培训协议概述特别工种是指需要特别技能和知识的职业,包括但不限于高空作业、潜水、电焊等。为了保障特别工种...
下载后可任意编辑建筑各工种安全操作规程 涉及安全的 7 个工种 土方安全操作规程一、人工施工要求: 1、施工人员进入施工场地时必须戴...
揽投工种职工职业技能大赛理论部分试卷(A)注意事项1、考试时间: 60 分钟。2、请首先按要求在试卷的标封处填写您的姓名、准考证号和所...
通防工种人员培训记录科、队 :时间:序号姓名岗位相关培训内容培训考核情况考 试成 绩备注已培训(√) 未培训(×)毛建飞监控中心主...
瓦斯检查工一、岗位职责1、认真执行“三大规程”及“一通三防”的有关规定。2、按照瓦斯检查计划巡回图表规定,认真检查责任区内各地点的瓦...
1 / 14 通讯线路工种考工定级复习题初级部分一、填空1、 三级管具有 ( 电流放大)及( 开关特性),三极管工作状态 ( 饱和)、...
根据劳动部、财政部联合下发的劳薪字〔1992〕43 号《关于建立化工有毒有害作业岗位津贴制度的通知》精神,原化工部制定:, 一、实施化工...
□1车工▲1490240□2机修钳工▲2760350□3铣工▲2030350□4电焊工▲3000350□5磨工▲1670280□6冷作工▲2300350□7电工▲1770280□8刨、插...
目录一、主要工种安全操作规程......................................................................... 1电工安全操作规程 ...........
下载后可任意编辑分项工程和各工种安全技术交底制度根据建筑业具有高空、高处悬空作业的特点,为贯彻落实”安全第一,预防为主”的方针,保障...
. . 各 工 种 安 全 技 术 交 底 . . 安全技术交底 L JA4—1 工程名称 分部工程 分项工程(工种)名称:普通工 交底内...

