拉伸展开直径计算公式
拉伸件展开直径计算公式
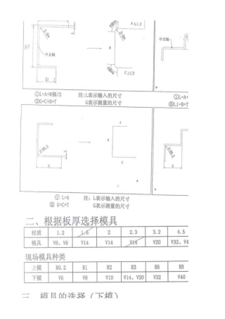
折弯系数表 冷轧钢板、电镀锌钢板或敷铝锌板 板厚 V 形槽槽宽 0.6 0.8 1.0 1.2 1.5 2.0 2.5 3.0 3.5 4.0 4.5 5.0 最短尺...
折弯图纸展开图
精品文档---下载后可任意编辑房地产公司展开营销活动总结范文五篇 总结,是对过去一定时期的工作、学习或思想情况进行回顾、分析,并做出...
精品文档---下载后可任意编辑展开 2024 清明节祭扫活动总结五篇 清明节是我国人民祭奠先烈、先人、先贤的节日。为了加强对学生的革命传...
展开与折叠知识点一:正方体旳表面展开图 正方体是特殊旳棱柱,它旳六个面都是大小相似旳正方形,将一种正方体旳表面展开,可以得到 11 ...
精品文档---下载后可任意编辑关于理想和现实的作文:展开理想的翅膀,载着实际行动向前冲刺关于理想和现实的作文:展开理想的翅膀,载着实...
第十讲 展开想象 拓宽思路 知识要点: 1、运用联想和想象,丰富表达的内容。 2、生活是想象之源,想象是作文的翅膀。 3、养成联想和...
展开科学的翅膀,放飞科学的梦想科技节活动总结 展开梦想的翅膀 中国移动科技人才候选人**分公司**先进事迹 有许多人,他们为了理想的实...
数学-助你日期:点滴积累,成就未来-1-【1-1】对应表格数字填入对应的字母【1-2】对应表格数字填入对应的字母【1-3】对应表格数字填入对应...
小学六年级下册 圆柱与圆锥 展 开 图 练习 (含答案) 2 小学六年级下册圆柱与圆锥的展开图练习 一.解答题(共 19 小题) 1....
安装预算知识:90度弯头展开尺寸 1.第一章管道施工图识读1.打算模范哀求,暖气支管不得小于DN20。 2.保温通例做法――给水:防结露保温,...
精品文档---下载后可任意编辑非线性偏微分方程的精确解与广义改进的 F—展开法的开题报告题目:非线性偏微分方程的精确解与广义改进的 F...
精品文档---下载后可任意编辑钣金展开 CAD 图形代码处理技术的开题报告一、讨论背景钣金展开 CAD 图形代码处理技术是指在 CAD 软件中...
精品文档---下载后可任意编辑钣金件参数化展开计算机辅助设计及优化排样的开题报告一、选题背景及意义随着制造业转型升级,钣金加工在传统...
精品文档---下载后可任意编辑1.经历正方体的展开与折叠的过程,体验长方体、正方体等图形展开与折叠之间的关系认识长方体和正方体的展开图...
22134321122413精品文档---下载后可任意编辑正方体、长方体、圆柱、圆锥、球、六棱柱、三棱锥2.截面可能是三角形的几何体,请打“√”正方...
精品文档---下载后可任意编辑全方位图像并行展开优化算法的讨论与实现的开题报告一、讨论背景和意义图像并行展开是一种高效的算法优化技术...
精品文档---下载后可任意编辑与超球展开相关的 Hardy 空间上的连续线性泛函的开题报告概述:在本文中,我们讨论了与超球展开相关的 Hard...

