青岛海尔电冰箱股份有限公司企业标准EnterpriseStandardofHaierRefrigeratorCo.,Ltd.Q/BZJ082002-2000代替Q/BZJ082002-1999电冰箱抽样检测...
目录1前言............................................................................12设计原理......................................
第1页共5页编号:时间:2021年x月x日书山有路勤为径,学海无涯苦作舟页码:第1页共5页专题18随机抽样(B3二)一.课标要求:1.能从现实生活...
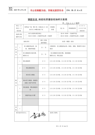
第1页共54页编号:时间:2021年x月x日书山有路勤为径,学海无涯苦作舟页码:第1页共54页钢筋安装检验批质量验收抽样方案表苏TJ4.1.1.1-抽样...
第1页共4页编号:时间:2021年x月x日书山有路勤为径,学海无涯苦作舟页码:第1页共4页抽样方法与总体分布估计教学设计海南华侨中学高三年级...
第1页共6页编号:时间:2021年x月x日书山有路勤为径,学海无涯苦作舟页码:第1页共6页昆虫生态及预测预报课程论文种群空间分布型及抽样数量...
第1页共59页编号:时间:2021年x月x日书山有路勤为径,学海无涯苦作舟页码:第1页共59页第三章抽样检验大纲要求与内容提要一、基本概念1、...
第1页共10页编号:时间:2021年x月x日书山有路勤为径,学海无涯苦作舟页码:第1页共10页北京市西城区2010年抽样测试初三语文试卷2010.5考生...
第1页共3页编号:时间:2021年x月x日书山有路勤为径,学海无涯苦作舟页码:第1页共3页第12組NOTE5ReviewC.L.T若X1,X2,…,Xn為randomsamplew...
第1页共30页编号:时间:2021年x月x日书山有路勤为径,学海无涯苦作舟页码:第1页共30页授课章节第七章抽样原理与方法授课对象生物科学本科...
信号与系统分析实验指导书实验一常用信号的分类与观察一、实验目的1、观察常用信号的波形特点及其产生方法;2、学会使用示波器对常用波形参...
上海市教育委员会文件沪教委体〔2009〕68号上海市教育委员会关于开展2009年上海市大学生《国家学生体质健康标准》抽样监测活动的通知各高等...
第1页共8页编号:时间:2021年x月x日书山有路勤为径,学海无涯苦作舟页码:第1页共8页第六章统计量及抽样分布概率论和数理统计都是研究随机...
第48页共28页编号:时间:2021年x月x日书山有路勤为径,学海无涯苦作舟页码:第48页共28页第四章理论分布和抽样分布在上章样本分布及其特征...
第1页共2页编号:时间:2021年x月x日书山有路勤为径,学海无涯苦作舟页码:第1页共2页2.1.1简单随机抽样学习目标:1.理解简单随机抽样的概...
第1页共41页编号:时间:2021年x月x日书山有路勤为径,学海无涯苦作舟页码:第1页共41页空间相关性与分类比例在不同抽样设计中对准确性测量...
)(x3.74.14.54.95.35.73.74.14.54.95.35.73.74.14.54.95.35.7n=5n=10n=30(a)(b)(c)第三章样本均数的抽样误差与置信区间★联系:数据/变...
四川省灭火器维修申请表企业名称:(章)填表日期:年月日四川省公安消防总队印制说明1.本申请表为灭火器维修企业进行维修资质申请,申请公...
第1页共1页编号:时间:2021年x月x日书山有路勤为径,学海无涯苦作舟页码:第1页共1页产品名称生产日期交检批/数量检验日期检验人抽检数量...
第1页共18页编号:时间:2021年x月x日书山有路勤为径,学海无涯苦作舟页码:第1页共18页第七章整群抽样第一节整群抽样概述一、整群抽样的概...

