表工程竣工安全验收所需资料 工程竣工验收安全评定备案需提供的 资料明细 一、工程项目竣工验收安全评定备案资料: 1、由施工总包单位...
安全防范工程验收制度五篇 安全防范工程验收管理制度 安全防范工程验收管理制度 一、一般规定 本制度是参照 gb50348-2004 的规范,规...
安全标准化三级达标验收现场整改报告[优秀范文 5 篇] 金圆发【2013】 6 号 签发:白智天 关于宁夏金圆化工有限公司安全标准化 (三...
下载后可任意编辑政府采购合同验收制度的逻辑关系 谷辽海 【关键词】公共财政 【全文】 政府采购合同的验收是采购人或采购代理机构对中...
下载后可任意编辑政府采购协议供货合同 (正反面打印)合同编号:供方: 需方: 为了保护供需双方合法权益,根据《中华人民共和国政府采...
合同登记编号: 技 术 服 务 合 同 书(通用类)项目名称: XXXXX 扩建项目安全验收评价 委托方: XXXX 实业有限公司 (甲方)...
下载后可任意编辑 工程竣工验收单工程名称开工日期管理单位竣工日期 使用单位施工单位 工程内容: 工程验收存在问题及处理意见: 年 月...
下载后可任意编辑合同编号:KR-YSPJ/ -2024-技术咨询合同(安全验收评价)项目名称: 委托方(甲方): 受托方(乙方):长沙科锐安全工...
下载后可任意编辑合同编号:技术咨询合同 项目名称: 委托方(甲方): 受托方(乙方): 天津世纪天源安全卫生评价监测有限公司 签订...
安 全 生 产 检 查管 理 制 度 目 录1、安全例会制 ………………………………………………………………………度1 2、安全教育...
绍 兴 市 科 技 计 划 项 目验 收 证 书验收证书编号:绍科验字〔〕号计划编号:项目名称:计划类别:完成单位:验收日期:绍 ...
精心整理消防验收一、各单位职责1、甲方组织成立由施工总包方、监理方各专业工种(消防、水、电、暖通、土建、装饰)的验收班子;2、明确各...
. 精选范本一、判断题1、 当采用新型原材料及器材时,如设计许可,可不需有关部门的技术鉴定。(×)2、杆塔用螺栓的质量应符合国家现行...
目的明确瓦楞纸箱采购质量要求,确保我司入库瓦楞纸箱的质量能满足规定要求。适用范围适用于 IQC对我司采购的瓦楞纸箱(以下简称“纸箱”...
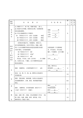
指标名称具体要求实际情况满分自评分复查分规划布局(1) 规模不少于18 个班,班额不超过50 人。(2) 校园内分区明确,规划布局合理。有清...
1 / 8 河北省煤矿紧急避险系统验收标准( 修订 )检查单位:冀中能源股份有限公司葛泉矿葛泉井分数: 97 验收结论:合格矿井基本信息...
上海 XX系统集成有限公司硬件设备验收单上海 XX系统集成有限公司硬件设备验收单- 2 - 硬件设备验收单客户名称:客户地址 ( 邮编 )...
WORD 格式整理版优质 .参考 .资料太原市治超信息综合管理系统集成测试验收方案版本: 0.1 日期: 2012 年 07 月修订记录WORD 格...
系统安装分项工程质量验收记录070601□□单位(子单位)工程名称子分部工程综合布线系统验收部位施工单位项目经理分包单位分包项目经理施工...
施工机具进场验收与维修保养制度一、进场施工机械设备安装后必须按规定进行验收,合格方可使用,做好验收记录,验收人员履行签字手续。验收...

