电脑桌面
添加小米粒文库到电脑桌面
安装后可以在桌面快捷访问

纸箱验收标准

纸箱验收标准_第1页
1/5
纸箱验收标准_第2页
2/5
纸箱验收标准_第3页
3/5
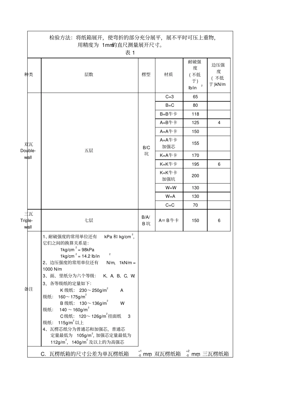
目的明确瓦楞纸箱采购质量要求,确保我司入库瓦楞纸箱的质量能满足规定要求。适用范围适用于 IQC对我司采购的瓦楞纸箱(以下简称“纸箱”)进行来料检验、试验和判定。引用 / 支持性文件下列文件中的条款通过本标准的引用而成为本标准的条款。凡是注日期的引用文件,其随后所有的修改(不包括勘误的内容)或修订版均不适用于本标准。 GB/T 191 包装储运图示标志 GB/T 6543 运输包装用单瓦楞纸箱和双瓦楞纸箱 GB/T 6544 瓦楞纸板 GB/T 6545 瓦楞纸板耐破强度的测定方法 GB/T 6546 瓦楞纸板边压强度的测定方法 GB/T 6547 瓦楞纸板厚度的测定方法 GB 462 纸和纸板水分的测定方法 GB 450 纸和纸板试样的采取 GB/T 包装 运输包装件基本试验第 2 部分 温湿度调节处理 GB/T 包装 运输包装件压力试验方法 GB/T 4892 硬质直方体运输包装尺寸系列 GB/T 计数抽样检验程序第 1 部分: 按接收质量限检索的逐批检验抽样计划检验方式、方法出厂检验纸箱供应商应具备原纸进料检验和成品纸箱出厂检验能力,包括有相关的耐破、边压测试仪器和熟练的测试人员。每批纸箱出厂前, 供应商都必须自检, 只有本标准中所有的检验项目经检验合格后方能出厂。抽样检验供应商应保证生产的纸箱符合本检验标准和订货合同的规定,货到我司后应先向我司IQC出具纸箱出厂检验合格报告。我司 IQC有权以相同材料、相同工艺、相同规格、同时交付的产品为一批,在交货地同时按本标准和订货合同进行检验。除空箱抗压测试外,所有项目按照GB/T 正常检查二次抽样方案,一般检查水平Ⅰ,AQL=,见表 3。空箱抗压测试从一批中任意抽取3 个样品进行测试 ( 我司包装工程师认为有必要时可进行此项测试 ) 。判定规则按本标准之、、、、条款规定的检验项目和要求对瓦楞纸箱进行单项判定,其中有两项不合格,则该纸箱为不合格。若同一项目有两个及以上纸箱不合格时,则可判这些纸箱不合格。不合格的纸箱数达到表3 规定的拒收数时,则可判该批为不合格。耐破强度、边压强度、空箱抗压强度有一个样品不合格,则该批不合格。供需双方对产品质量有争议时,由第三方质量监督检验机构进行仲裁检验。表 3 抽样与合格判定方案第二次接收数 AC拒收数 Re抽样数接收数 AC拒收数 Re1 2 5(10) 1 2 2 3 8(16) 3 4 3 4 13(26) 4 5 5 6 20(40) 6 7 7 8 32(64) 9 10 10 11 50(100) 12 13 14 15 80(160) 18 19 内容术语...

1、当您付费下载文档后,您只拥有了使用权限,并不意味着购买了版权,文档只能用于自身使用,不得用于其他商业用途(如 [转卖]进行直接盈利或[编辑后售卖]进行间接盈利)。
2、本站所有内容均由合作方或网友上传,本站不对文档的完整性、权威性及其观点立场正确性做任何保证或承诺!文档内容仅供研究参考,付费前请自行鉴别。
3、如文档内容存在违规,或者侵犯商业秘密、侵犯著作权等,请点击“违规举报”。

碎片内容

纸箱验收标准

确认删除?
VIP
微信客服
  • 扫码咨询
会员Q群
  • 会员专属群点击这里加入QQ群
客服邮箱
回到顶部