2015-2016 学年江西省上饶市余干县蓝天实验学校八年级(上)期末生物试卷一、单选题.(共15 小题,每题1 分)1.体表有外骨骼的是()A...
- 1 - / 47 榆林市蓝天保卫战年工作方案为打赢蓝天保卫战,持续改善全市空气质量,按照《陕西省蓝天保卫战年工作方案》统一部署,根据...
下载后可任意编辑以陶行知教育理论撑起高效课堂的蓝天以陶行知教育理论撑起高效课堂的蓝天 摘 要: 在建设语文高效课堂的过程中,以陶行...
1目 录一、引言..................................................................................................................3...
下载后可任意编辑碧水蓝天工程监理工作制度(一) 施工图纸会审制度(二) 施工组织设计审核及审批制度(三) 开工申请制度(四) 现场...
1 “蓝天”工程白皮书(2013—2015) 目录 前言 一、大气污染防治现状 二、 “蓝天”工程工作思路和目标 三、实行煤炭消费总量控制...
下载后可任意编辑抚顺市蓝天工程实施方案抚顺市人民政府二〇一三年四月十二日抚顺市“蓝天工程”实施方案下载后可任意编辑为了改善抚顺市空...
下载后可任意编辑学校中科蓝天太阳能热水工程项目注意事项随着太阳能市场的日益成熟,太阳能系统在学校应用占有一定份额,但目前很多学校都...
- 1 -下载后可任意编辑本页为作品封面,下载后可以自由编辑删除,欢迎下载!!! 精 品文档1【精品 word 文档、可以自由编辑!】郑开...
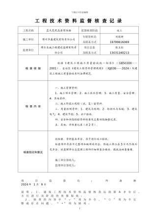
下载后可任意编辑工 程 技 术 资 料 监 督 核 查 记 录项目监督员:邱海潮 2024 年1 月 9 日说 明 :1 、 建 筑 工...
1 新蓝天股份人力资源部的工作思路及其目标愿景、规划 目 录 一、前言 二、人力资源管理体系阐述 三、新蓝天人力资源管理问题诊断 ...
下载后可任意编辑 合同编号:佛山市蓝天网络科技有限公司2024 年度代理协议(20241117 版)授权方:佛山市蓝天网络科技有限公司被授权方:...
新乡市 XX年蓝天工程实施方案新乡市 XX年蓝天工程实施方案是如何制定的?以下是 XX收集的新乡市XX年蓝天工程实施方案,欢迎大家阅读了解!...
下载后可任意编辑四年级下册飞向蓝天的恐龙 部编版四年级下册语文教案 6,飞向蓝天的恐龙【教案】 6 飞向蓝天的恐龙 教学目标▶1.认识...
下载后可任意编辑保护蓝天白云的标语三篇 【篇一】保护蓝天白云的标语 1、爱绿护绿,保护环境;勤俭节约,珍惜资源。 2、保护环境是我们...
市外冲刺班模拟题(1) I 英语基础知识 (共50 分) 一、连词成句。听录音,按照所听到的单词重新排列顺序,组成一个新的句子(每小题...
附件 2 表 1 各城市空气质量改善目标分解表地市基准( 2017年)PM 2.5AQI PM 2.5AQI 2018 年2019年2020 年2020年广州35 80.5%...
下载后可任意编辑蓝天碧水工程暨环保工作创建会讲话与蔬菜种植示范基地建设情况汇报汇编蓝天碧水工程暨环保工作创建会讲话同志们:今日,我...
下载后可任意编辑董事长秘书年终工作总结 2024 与蓝天保卫战工作汇报汇编董事长秘书年终工作总结 2024我于 XX 年 3 月 12 日进入...
关于 20XX 年决胜蓝天保卫战心得体会多篇 由会员“jean123”投稿推荐,但愿对你的学习工作能带来参考借鉴作用。 今年是打赢蓝天保卫战...

