家庭生活用煤供应管理方案为认真贯彻落实“三个代表”重要思想,进一步加强对我县农村家庭生产生活用煤(以下简称民用煤)的供应管理,确保...
平朔物资供应中心2010年第二批集采设备集中采购目录报价截止时间:请相关报价人在2010年10月20日下午4时前报价,逾期递交的报价恕不接受。...
供应室改进方案对照XX市一级医院消毒供应室建设标准与管理规范,目前我院的消毒供应室存在如下方面问题亟待改进。一、布局设置与基本设备方...
平朔物资供应中心2010年第二批集采设备集中采购目录报价截止时间:请相关报价人在2010年10月20日下午4时前报价,逾期递交的报价恕不接受。...
供应商大会的发言供应商会议发言尊敬的各位来宾、合作伙伴:你们好值此欢聚一堂的美好时刻,我谨代表**公司和采购部的全体同仁给各位来宾拜...
平朔物资供应中心2010年第二批集采设备集中采购目录报价截止时间:请相关报价人在2010年10月20日下午4时前报价,逾期递交的报价恕不接受。...
企业物资供应区域联合工作座谈会上的致辞今天,中国石化在郑州召开中原地区企业物资供应区域联合工作座谈会,值此,我代表中原油田,向前来...
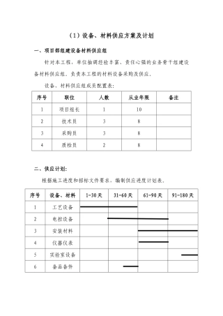
(1)设备、材料供应方案及计划一、项目部组建设备材料供应组针对本工程,单位抽调经验丰富、责任心强的业务骨干组建设备材料供应组。负责...
第1页共6页编号:时间:2021年x月x日书山有路勤为径,学海无涯苦作舟页码:第1页共6页成本与充足供应相抗衡——小麦大区间震荡肖永志一、市...
目录第1章导言..............................................11.1选题背景..............................................................
供应商大会的发言******科技有限公司2015年供应商大会---采购发言稿尊敬的各位老总、各位朋友:大家下午好。首先自我介绍一下,我是采购部...
評價供應鏈子性能測量在運輸後勤收到2001年11月26日;收到用修正形成133月2002;2002年4月5日接受摘要研究這目的是調查架構,並且儀器測量...
消毒供应室火灾应急预案1.发现火情后立即呼叫周围人员,分别组织灭火,同时报告保卫科,并告知准确方位。2.火势小,使用灭火器扑救。关闭总...
粮油供应实施工作方案为保障全区粮油市场供应平衡和价格稳定,按照市人民政府办公厅《关于进一步做好粮油市场供应和价格稳定工作的通知》要...
·密级:C文档标识:UCAPlatformRelease1发布日期:2016年7月14日众陶联供应链子平台需求规格说明书(概要说明书)软通动力信息技术有限公司...
土地供应与管理方案为促进土地集约、高效利用,充分发挥土地收购储备职能,实现政府垄断土地一级市场,最大限度发挥土地资产效益,促进经济...
目录06一、目的、范围、引用标准和术语、定义1、目的2、范围3、引用标准4、术语和定义07二、供应链管理体系1、供应链结构示意图2、供应链质...
供应科科长竞聘演讲稿尊敬的各位领导,各位评委,各位同事:大家好。首先感谢公司和各位领导给予我这次竞聘上岗的机会。我将珍惜这次提高自...
·密级:C文档标识:UCAPlatformRelease1发布日期:2016年7月14日众陶联供应链子平台需求规格说明书(概要说明书)软通动力信息技术有限公司...
8CRM软件主要供应商及其解决方案8.1中国CRM软件市场供应商概况国内的CRM于1999年开始引入概念,2000年起步,2001年和2002年得到快速发展。...

