附表5自考生毕业论文评审表(评阅人用)姓名罗芹梅学号20090665专业美术教育题目提高全民素质发展农村教育——落后农村中小学存在的美术教...
地下连续墙工程监理实施细则编制人:批准人:批准时间:上海市监理项目部目录1、专业工程概况和特点2、执行标准、法规3、监理工作的流程4、...
第1页共45页编号:时间:2021年x月x日书山有路勤为径,学海无涯苦作舟页码:第1页共45页晟鼎投资集团人力资源部常用表格目录表格名称:文件...
第1页共21页编号:时间:2021年x月x日书山有路勤为径,学海无涯苦作舟页码:第1页共21页四、人事作业程序与管理规章附表附表6.1.5组织表...
附表2西北农林科技大学生物学实验室八号教学楼十层平面布置图北[[西北农林科技大学生物学实验室八号教学楼九层平面布置图8S0148S01248S0108...
一、潍柴欧Ⅱ发动机功率对照二、潍柴欧Ⅲ发动机功率对照三、重汽欧Ⅱ发动机功率对照四、重汽欧Ⅲ发动机功率对照五、中国重汽变速箱型号对照...
附表B建筑工程分部(子分部)工程、分项工程划分B.0.1建筑工程的分部(子分部)工程、分项工程可按表B.0.1划分。表B.0.1建筑工程分部工程、...
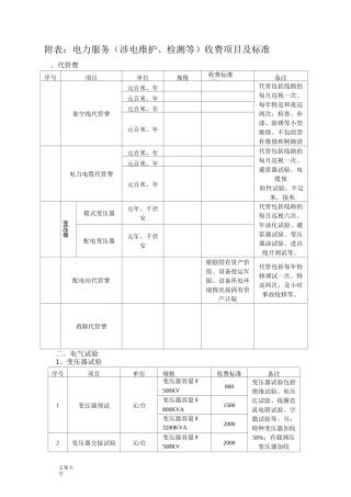
文案大全附表:电力服务(涉电维护、检测等)收费项目及标准、代管费序号项目单位规格收费标准(元)备注架空线代管费元百米、年代管包括线...
企业所得税审核报告编号::(委托单位名称)我们接受委托,对贵单位年度及其情况进行了查证。我们查证的依据是《中华人民共和国企业所得税暂...
工程用膨润土说明(附表)工程用膨润土选用优质膨润土精心加工而成低固相造浆材料。具有起浆快、含砂量低、造浆率高、滤失量低、流变性强、润...
附表1路基压实度检验汇总表承包单位:合同号:监理单位:编号:序号桩号压实度(%)路槽顶面以下深度备注起讫上路床(0—30cm)下路床(30...
表A.0.2室内空间尺寸、护栏和扶手、玻璃安装、橱柜工程、防水工程验收记录表序号单位工程名称山观南苑拆迁安置房四期#楼验收部位(户号)6...
附表1《国家学生体质健康标准》评价指标与分值年级评价指标分值备注小学一、二年级身高标准体重20必测坐位体前屈、投沙包40选测一项50米跑...
一般纳税人《增值税纳税申报表》及附表填表说明一、《增值税纳税申报表(适用于增值税一般纳税人)》填表说明(一)“税款所属时间”:指纳...
襄阳市市管干部增加离退休费审批表姓名邹时超出生年月1947.3参加工作时间1969.7原工作单位职务襄阳市三中助理调研员(副高)离(退)休时间20...
第1页共24页编号:时间:2021年x月x日书山有路勤为径,学海无涯苦作舟页码:第1页共24页四、人事作业程序与管理规章附表附表6.1.5组织表附...
18附录A名词解释和说明A.1都市圈以中心城市为核心,与周边城镇在日常通勤和功能组织上存在密切联系的一体化地区,一般为一小时通勤圈,是区...
实用标准文案精彩文档B.1巡视记录工程项目巡视记录编号:施工单位合同段巡视人日期年月日巡视范围主要施工情况质量、安全、环保等情况发现...
晟鼎投资集团人力资源部常用表格目录表格名称:文件编号:1、员工入职手续一览表GXSD-HR012、人员需求计划申请表GXSD-HR023、人员增补申请...
四、人事作业程序与管理规章附表附表6.1.5组织表附表6.1.6职务说明书附表6.1.7人事权限划分表附表6.1.8名额编制表附表6.1.9人员增...

