露天矿山技术规范标准编号:JC/T1081-2008发布部门:国家发展和改革委员会发布日期:2008-06-16实施日期:2008-12-01提出单位:中国建筑材...
附件1露天矿山风险分级管控体系建设参考内容1、露天矿山评估单元划分附表1.1.1露天矿山单元划分表序号主单元分单元平台边坡边界防护1露天采...
**附件2金属非金属露天矿山安全风险分级标准一、固有风险(29分)序号评审项目评审内容标准分值计分方法实际得分备注无相关安全监管部门备...
砂石场的各种责任制度一、矿长安全生产岗位责任制1、矿长对全矿的安全生产负全面责任,是安全生产的笫一责任人。2、认真贯彻执行党和国家的...
小型露天采石场安全生产标准化评分办法二○一一年八月目录一、说明.......................................................................
第1页共2页编号:时间:2021年x月x日书山有路勤为径,学海无涯苦作舟页码:第1页共2页非煤矿山安全生产检查表(露天开采)矿山名称开采矿种...
螂羃腿蒆蚈羂芁艿薄羁羁蒄蒀肀肃芇蝿肀膅蒂蚅聿芈芅薁肈肇蒁薇蚄膀莄蒃蚃节蕿螁蚃羂莂蚇蚂肄薇薃蚁膆莀葿螀芈膃螈蝿羈莈蚄螈膀膁蚀螇芃蒇薆...
《安全评价》课程设计《安全评价》课程设计设计名称:衡阳市某露天采石场安全现状评价学院:环境保护与安全工程学院班级:本12安工03班学号...
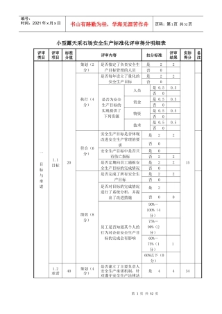
第1页共52页编号:时间:2021年x月x日书山有路勤为径,学海无涯苦作舟页码:第1页共52页小型露天采石场安全生产标准化评审得分明细表评审类...
小型露天采石场安全生产标准化评分办法二○一一年八月目录一、说明.......................................................................
金属非金属露天矿山安全生产标准化评分办法二○一一年八月目录一、说明...................................................................
前言富平县兴石建材厂已有陕西省一三九煤田地质勘探队地质技术公司编制《富平县底店乡龙兴石渣厂资源储量检测说明书》,并委托陕西宇泰建筑...
露天矿山安全生产管理台账2018年度矿山名称:露天矿山安全生产管理台账台账种类:企业基本基本情况台账编号:01表01-1企业基本情况(年度)企...
第1页共93页编号:时间:2021年x月x日书山有路勤为径,学海无涯苦作舟页码:第1页共93页第一章总论1.1概述1.1.1矿区位置、交通及自然地理X...
略阳县横现河镇赵家梁采石厂露天采石场安全现状评价报告目录1概论........................................................11.1评价目的....
金属非金属露天矿山安全生产标准化评分办法二○一一年八月目录一、说明...................................................................
小型露天采石场安全分级评定标准二○一二年目录一、说明..........................................................................1二...
第1页共6页编号:时间:2021年x月x日书山有路勤为径,学海无涯苦作舟页码:第1页共6页附件2:金属非金属露天矿山安全生产检查表序号检查项...
一、办公室安全生产责任制1、协助领导搞好综合协调工作,加强对各项工作规范有序和及时落实。2、负责公司公文、资料、信息处理工作,做好内...
第1页共7页编号:时间:2021年x月x日书山有路勤为径,学海无涯苦作舟页码:第1页共7页JC中华人民共和国建材行业标准JC/T1081——2008装饰石...

