露天矿山管理制度1第1页共84页编号:时间:2021年x月x日书山有路勤为径,学海无涯苦作舟页码:第1页共84页目录安全生产目标…………………...
xxxx矿业有限公司企业标准危险源辨识与风险评价报告(第01次编制)编制人:xxx审核人:xxx批准人:xxxxxxx矿业有限公司2013年1月20日发布前...
露天矿山管理制度12第1页共107页编号:时间:2021年x月x日书山有路勤为径,学海无涯苦作舟页码:第1页共107页目录安全生产目标………………...
目录:第一章:编制依据...............................................................................-3-1、编制依据:................
XXX石厂安全生产综合应急预案XXX石厂二〇一七年一月XXX石厂安全生产综合应急救援预案编制单位:XXX石厂单位主要负责人:批准发布人:发布日...
应急预案编号:ZQ-HDJDSCYA-15062220160829应急预案版本:第二版生产安全事故应急预案编制单位:*****有限责任公司(采石厂)发布日期:201...
xxxxxxxxxxxxxxxx矿山应急救援预案xxxxxxxxxxxxxxxx矿山二〇一三年八月xxxxxxxxxxxxxxxx矿山应急救援预案法定代表人:安全负责人:安全管理...
江西天峰建材有限公司稠川采石厂事故应急预案预案编号:稠川采石厂01号实施日期:2015年1月1审核(签字):签发人(签字):(公章)第1页...
附件1金属非金属露天矿山安全风险分级管控和隐患排查治理体系建设实施指南(试用版)目录一、编制目的......................................
在全省露天矿山推广中深孔爆破开采技术现场会暨年中工作会上的讲话朱崇洲(2011年7月22日)同志们:这次会议,主要任务是学习交流露天小型...
内蒙古武川县大青山乡白石头沟灰岩矿开采项目可行性研究报告中国冶金建设集团包头钢铁设计总院二0一0十二月八日采矿权人:武川县鹏胜建筑材...
安全生产管理制度1、安全生产例会制度2、安全教育培训制度3、安全检查制度4、生产安全事故报告和调查处理制度5、安全生产奖惩制度6、职业危...
遵义市露天采石场安全标准化考评方案(试行)第一条为推进《金属非金属矿山安全标准化规范》(AQ2007-2006)工作的开展,指导本市露天采石...
金属非金属露天矿山安全生产标准化评分办法二○一一年八月目录一、说明...................................................................
**县公安消防中队扑救露天堆垛火灾战术训练实施教案第一部分分段作业一、作业准备学习有关理论知识(略)二、作业实施以中队为单位,在**县...
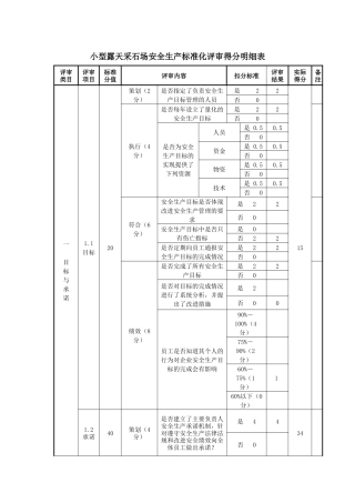
小型露天采石场安全生产标准化评审得分明细表评审类目评审项目标准分值评审内容扣分标准评审结果实际得分备注一目标与承诺1.1目标20策划(2...
煤炭生产许可证申请表(露天矿)申请单位(盖章)地址:邮编:负责人签字:联系人:联系电话:申请日期:年月日新疆维吾尔自治区煤炭工业管...
小型露天采石场安全生产标准化评分办法二○一一年八月目录一、说明.......................................................................
《安全评价》课程设计《安全评价》课程设计设计名称:衡阳市某露天采石场安全现状评价学院:环境保护与安全工程学院班级:本12安工03班学号...
ATLASROCD7液压露天钻机培训课程ATLASROCD7培训课程该培训课程仅针对普通机手和修理工而编写,通过学习,使之对钻机的系统原理有大概的整体...

