目 录 第一章 工程概况及工场布置 第二章 工程进度及进度保证措施 第三章 主要施工机具及劳动力等资源配备 第四章 施工队伍 第五...
中央财政小型农田水利重点县建设验收暂行办法 第一章 总则 第一条 为加强中央财政小型农田水利重点县(以下简称重点县)建设验收管理,...
全市冬春农田水利基本建设电视电话会议召开 全国冬春农田水利基本建设电视电话会议召开 国务院 11 月 2 日召开全国冬春农田水利基本...
下载后可任意编辑沧州职称改革职改办职称论文发表-农田水利灌溉|防渗渠道|施工问题|策略和措施论文选题题目沧州职称改革职改办职称论文发表...
下载后可任意编辑江川县职称论文发表-农田水利|设计|渠道论文选题题目江川县职称论文发表-以下是农田水利|设计|渠道职称论文发表选题参考题...
全市冬春农田水利基本建设电视电话会议召开 全国冬春农田水利基本建设电视电话会议 国务院副秘书长丁学东 这次会议的主要任务是,认真学...
下载后可任意编辑我国小型农田水利工程施工质量管理摘要:小型水利工程施工质量管理是工程以合理规划、优良设计来满足施工功能,并发挥理想效...
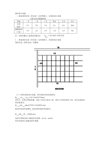
下载后可任意编辑第一章 施工总平面布置1、说明1.1 工程简介本工程为“小农水”治理项目,工程位于 州 县走马镇,工程涵盖杨坪村、刚家...
下载后可任意编辑施工组织设计第一章 编制说明一、编制依据本施工组织设计作为指导该工程施工的依据,编制时对该工程施工组织机构设置、施...
甘肃省 xxxx2024 年小型农田水利高效节水灌溉试点县建设方案xx 水利水电勘测设计院二○一一年七月下载后可任意编辑批 准: 核 定: ...
下载后可任意编辑施工组织设计第一章 工程概况为了如期完成本工程的施工任务,实现我们制定的施工控制目标,特编制本实施性施工组织设计,...
下载后可任意编辑第一章 编制依据及工程概况一、编制依据l、清丰县 2024 年第一期补充耕地储备项目施工招标文件、施工图设计图册及现场...
下载后可任意编辑施工组织设计编制单位:河南天基建筑安装工程有限公司编制时间:二〇一〇年八月目 录一、工程概况二、分部分项工程的施工...
下载后可任意编辑两部委修改小农水建设补助专项资金管理办法http://www.aweb.com.cn 2024 年 06 月 21 日 08:42 农博网 财农[2024...
在全市农田水利基本建设工作电视电话会议上的讲话 (二○一○年十一月二十五日) 在实施农田水利基本建设三年恢复性规划的关键时刻,市委...
1 湖 北 省 小 型 农 田 水 利 项 目 建 设 与管理指南 (试行) 一、前期工作 (一)资金分配 以县(市、区)为单位,...
下载后可任意编辑*****乡农田水利灌溉渠道维修合同 甲方:********* 乙方:******** 甲**乡农田水利灌溉渠道维修工程一宗,经双方协商承...
第四章 施工程序及主体工程施工方法 4.1工程施工特点、难点、重要分析及对策 4.1.1工程施工特点: (1)本工程主要施工项目为土方平整...
专业术语解释与说明答案 1.节水灌溉是根据作物需水规律及当地供水条件,为了有效地利用降水和灌溉水获取农业的最佳经济效益、社会效益和生...
下载后可任意编辑工程施工合同发包人(全称): (甲方)承包人(全称): (乙方)依照《中华人民共和国合同法》、《中华人民共和国建筑...

