1 3-1-1 隧 道 围 岩 级 别 划 分 与 判 定 隧 道 围 岩 分 级 就 是 评 定 围 岩 性 质 、 判 断 隧 道 ...
双面搭接焊 12A轴×1轴/01、A轴×4轴/02、A轴×7轴/03、A轴×10轴/04、A轴×12轴/05、D轴×1轴/06、D轴×12轴/07、G轴×1轴/08、G轴×4轴/...
山东建筑工程类别划分及取费标准(2009-09-10 13:24:15)工程类别划分标准、费率(一)工程类别划分标准工程类别划分标准,是根据不同的单位...
消化内科常用药物类别及举例 (一)治疗消化性溃疡药物 1.抗酸药 碳酸氢钠、铝碳酸镁、磷酸铝凝胶 2.H 2 受体拮抗剂 西咪替丁、雷尼...
1 整理鱼竿的类别与调性及钓法 关于钓竿的分类及选择! 我们现在使用的钓竿一般分为手竿和投竿两大类。手竿又分为溪流竿和台钓竿,投竿分...
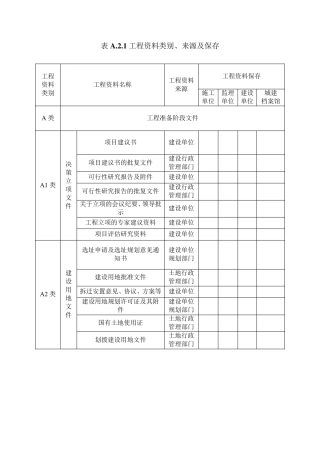
表A .2.1 工程资料类别、来源及保存 工程资料类别 工程资料名称 工程资料来源 工程资料保存 施工 单位 监理 单位 建设 单位 ...
工程类别:一,工程类别的标准一、建筑工程类别划分标准 项 目 一 类 二 类 三 类 四 类 工业建筑 单层厂房 跨度 m >24 >1...
第 四 章 工 程 类 别 划 分 标 准 一、建筑工程 (一)建筑工程类别划分标准 (二)装饰工程类别划分标准 (三)工程类别划...
工程类别划分标准 一、建筑工程类别划分标准 项 目 一 类 二 类 三 类 四 类 工业建筑 单层厂房 跨度 m >24 >18 >12 ≤...
福建省建筑安装工程费用定额 (2003版) 征 求 意 见 稿 福建省建设工程造价管理总站 二○ ○ 三 年 九 月 1 目 录 总说...
下载后可任意编辑资产类别与项目的划分 (附件一)一、固定资产类:1. 房地产(1) 地产面积(按红线图面积计)(2) 地产价值(按政...
一级学科(或专业类别)、二级学科(或专业领域)、学院、研究方向 招生 考试科目 备注 人数 0101 哲学 010101 马克思主义哲学 028...
按建筑工程的结构、高度、跨度和施工技术复杂程度将土建工程类别划分如下: 一、一般土建工程: (一)凡符合下列条件之一者,为一类建筑工...
土建工程施工中的危险源主要类别 说 明 ---------- 易发事故举例: 易燃易爆场所作业-----油漆工程、电焊氧割.油漆工程、电焊氧割中的...
国民经济行业分类 (GB/T 4754-2011) 代码 类别名称 A 农、林、牧、渔业 0 1 农业 0 1 1 谷物种植 0 1 2 豆类、油料和薯...
ABCDEFGHIJKLMNOPQRST门类大类中类小类A农、林、牧、渔业1农业11 谷物种植111 稻谷种植112 小麦种植113 玉米种植119 其他谷物种植文化...
A农、林、牧、渔业A01农业B011 谷物及其他作物的种植C0111 谷物的种植D0112 薯类的种植E0113 油料的种植F0114 豆类的种植G0115 棉花...
代码类别名称 A 农、林、牧、渔业 01 农业 011 谷物及其他作物的种植 012 蔬菜、园艺作物的种植 013 水果、坚果、饮料和香料作物...
冶金工厂主要危险源及主要事故类别和原因 冶金工厂, 危险源, 事故, 类别 一、(一)冶金工厂的概况及特点 冶金工业包指冶企工业的铁...
1 电冰箱常识 一、 冰箱型号、类别含义 > 冰箱型号编制规定是根据国家有关标准,并在标准型号的右边增加环保冰箱特 殊功能冰箱、出口...

