电脑桌面
添加小米粒文库到电脑桌面
安装后可以在桌面快捷访问

1隧道围岩类别划分与判VIP免费

1隧道围岩类别划分与判_第1页
1/22
1隧道围岩类别划分与判_第2页
2/22
1隧道围岩类别划分与判_第3页
3/22
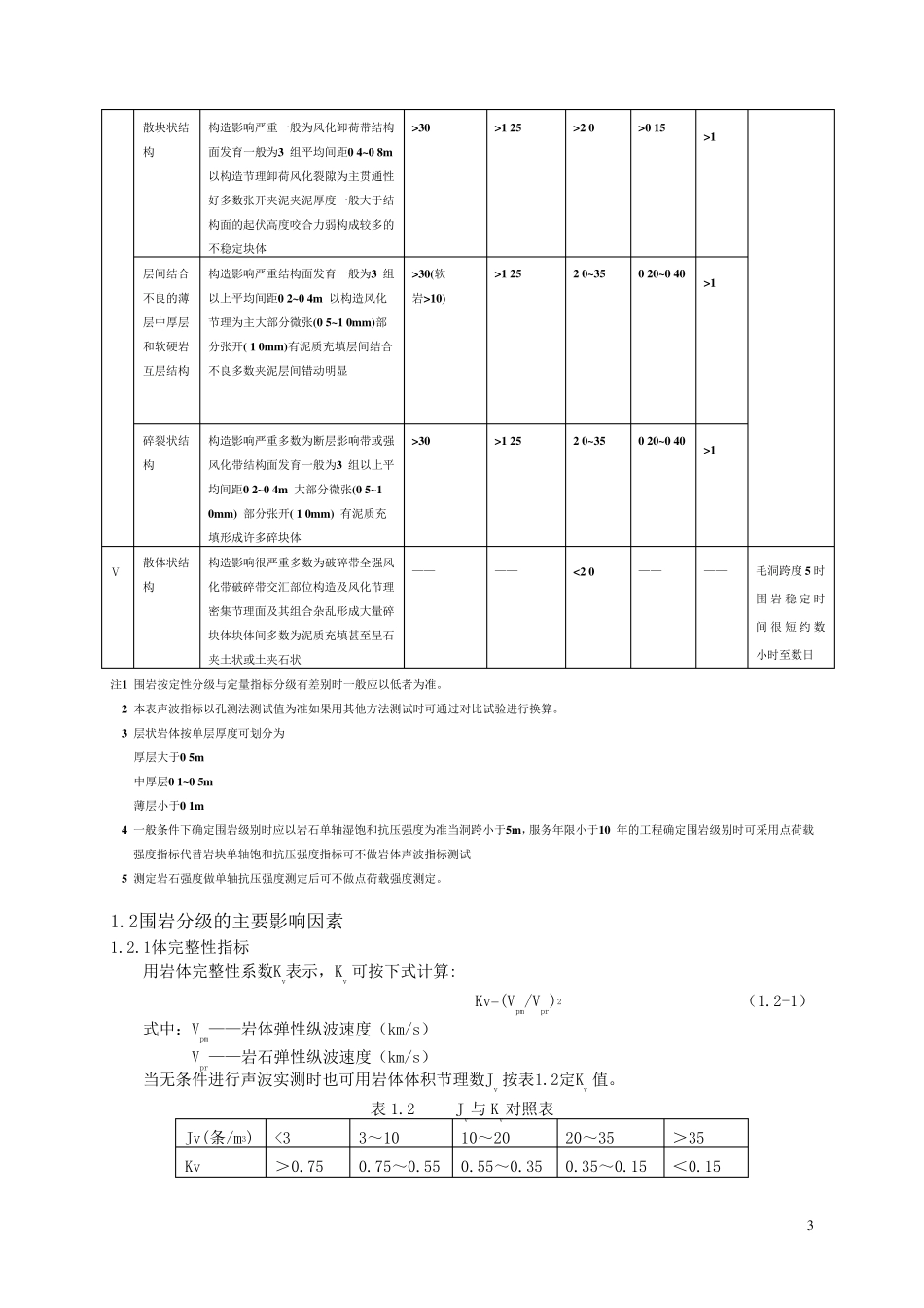
1 3-1-1 隧 道 围 岩 级 别 划 分 与 判 定 隧 道 围 岩 分 级 就 是 评 定 围 岩 性 质 、 判 断 隧 道 围 岩 稳 定 性 , 作 为 选 择 隧 道 位 置 、 支 护 类 型 的 依 据和 指 导 安 全 施 工 。 国 内 外 现 在 的 围 岩 分 级 方 法 有 定 性 、 定 量 、 定 性 与 定 量 相 结 合3 种 方 法 , 且 多 以 前 两 种 方 法 为主 。 定 性 分 级 的 做 法 是 , 在 现 场 对 影 响 岩 体 质 量 的 诸 因 素 进 行 定 性 描 述 、 鉴 别 、 判 断 , 或 对 主 要 因素 作 出 评 判 、 打 分 , 有 的 还 引 入 分 量 化 指 标 进 行 综 合 分 级 。 以 定 性 为 主 的 分 级 方 法 , 如 现 行 的 公 路 、铁 路 隧 道 围 岩 分 级 等 方 法 经 验 的 成 分 较 大 , 有 一 定 人 为 因 素 和 不 确 定 性 , 在 使 用 中 , 往 往 存 在 不 一致 , 随 勘 察 人 员 的 认 识 和 经 验 的 差 别 , 对 同 一 围 岩 作 出 级 别 不 同 的 判 断 。 采 用 定 性 分 级 的 围 岩 级 别 ,常 常 出 现 与 实 际 差 别 1~ 2 级 的 情 况 。 定 量 分 级 的 做 法 是 根 据 对 岩 体 性 质 进 行 测 试 的 数 据 或 对 各 参 数打 分 ,经 计 算 获 得岩 体 质 量 指 标 ,并以 该指 标 值进 行 分 级 。如 国 外 N.Barton 的 Q 分 级 ,Z.T.Bieniaw sks的 地质 力学(MRM)分 级 、 Dree 的 RQD 值分 级 等 方 法 。 但由于岩 体 性 质 和 赋存 条件十分 复杂, 分级 时仅用 少数 参 数 和 某个数 学公 式难以 全 面准确 地概括所有 情 况 , 而且 参 数 测 试 数 量 有 限, 数 据 的代表性 和 抽样的 代表性 均存 在 一 定 的 局限, 实 施 时难度较 大 。 影 响 围 岩 稳 定 的 因 素 多 种 多 样, 主 要 是 岩 石的 物理力学性 质 、 构造发育情 况 、 承受的 荷载(工程荷载和 初始应力)、 应力变形状态、 几何边界条件、 水的 赋存 状态等 。 这些因 素 中 , 岩 体...

1、当您付费下载文档后,您只拥有了使用权限,并不意味着购买了版权,文档只能用于自身使用,不得用于其他商业用途(如 [转卖]进行直接盈利或[编辑后售卖]进行间接盈利)。
2、本站所有内容均由合作方或网友上传,本站不对文档的完整性、权威性及其观点立场正确性做任何保证或承诺!文档内容仅供研究参考,付费前请自行鉴别。
3、如文档内容存在违规,或者侵犯商业秘密、侵犯著作权等,请点击“违规举报”。

碎片内容

1隧道围岩类别划分与判

您可能关注的文档

确认删除?
VIP
微信客服
  • 扫码咨询
会员Q群
  • 会员专属群点击这里加入QQ群
客服邮箱
回到顶部