触觉以肌肤去接收外在的信息,例如温度、材质。第二章感觉统合与专注力孩子上课老是发呆或分心,老师刚叮咛他专心一点,没三分钟他又分心去...
I摘 要通过感觉教育原理与专门的器械训练相结合的方式,能够让幼儿在活动中受到多种感觉刺激,从而达到有效锻炼幼儿感觉统合能力的目的,...
一、前言:剥橘子时视觉使我们知道它是黄色的(成熟时)、圆形的,触觉使我们知道它有粗糙的外皮和多汁的果肉,嗅觉告诉我们有芬芳的气息,味...
感觉统合训练主要器材使用手册 (一)滑板 功能:调节前庭感觉、触觉和本体感觉,引发平衡反应。 训练时间:每周 2-3 次,每次 20-30...
感觉统合训练在小学体育教学中的运用 摘要:结合教学实践,将分为两个部分分析:第一部分对感觉统合的相关概念进行了论述;第二部分对感觉...
感觉统合基础资料表编号:_____:_____ 性别:男□ 女□ 出生日期:____年___月___日核对日期:____年___月...
第四章 感觉和知觉教学要求:1.掌握感觉、知觉的概念。2.了解感觉、知觉种类;感觉的一般规律、知觉的基本特征、直观教学的形式和特点、正...
小学生艺术感觉培育探讨 新中国的儿童现代美术教育严格来说是在 20 世纪 70 年代末真正起步,至今算来已有 30 多年了。改革开放带来...
儿童感觉统合能力进展评定量表一:量表分类:中小学心理健康综合测评二:量表名称:儿童感觉统合能力进展评定量表三:编号:GJTH四:测验介...
第一幕(放上学的路上)张俊:我今日给你指的那个女生,觉得怎么样?洛宇:(装傻)什么怎么样?张俊:别装蒜啊!快说!洛宇:(叹气)你每...
I摘 要通过感觉教育原理与专门的器械训练相结合的方式,能够让幼儿在活动中受到多种感觉刺激,从而达到有效锻炼幼儿感觉统合能力的目的,...
1摘 要本研究以行动研究法进行个案研究,对一名发育迟缓儿所受的感觉统合训练来做个案分析。该名个案当时 3 岁 10 个月,动作发展比同...
注意力训练的方法——注视法、冥想法、感觉能量训练、舒尔特表 以下四种方法,久伦教育的注意力训练师在课堂上都会教学员,很有效果,而且...
戒色后回归的十种感觉这季是关于戒色后恢复方面的心得,很多戒友都有写过戒色后身心恢复的文章,恢复主要是两方面,一方面就是身体症状的缓...
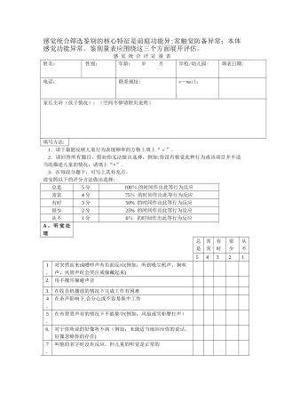
感觉统合筛选鉴别的核心特征是前庭功能异;常触觉防备异常;本体感觉功能异常。鉴别量表应围绕这三个方面展开评估。感 觉 统 合 评 定...
感觉系统检查--浅感觉1。痛觉:用大头针的针尖轻刺被检者皮肤以检查痛觉,左右远近对比并记录感觉障碍类型(过敏、减退或消逝)与范围。 ...
感觉统合 2-3 岁教案(二)一、教学名称:针对年龄段 2—3 岁幼儿的感觉统合课程二、教学目的:1。通过音乐律动、组合游戏及器械操作,...
感觉统合训练方案姓名:学号专业:测评信息:小云,七岁,本体感统失调,视觉统合失调。注意力记忆力差,身体平衡差,胆小懦弱,缺乏自信,...
感统思维教学活动总结我是今年 4 月初加入的小熊猫早教中心团队,担任感统思维课老师。自从加入这个集体,我受到了大家的鼓舞、支持.作为...
感觉统合训练教案(汪洋)姓名:程亦君年龄:3 。 5 岁学生优缺点:指令性好。不爱说话,胆小。一教学目标训练其平衡能力,身体协调性,触...

