毕业论文设计方案题目:计算机实验室排课系统设计与实现学院:忻州师范学院系别:计算机系本 0904 班学号: 201108112043 姓名:杨岩指...
工地试验室标准化建设工地试验室建设标准化、规范化,是提高试验检测数据的客观性和准确性,有效提升试验室管理水平和试验检测工作质量,为...
下载后可任意编辑施工现场实验室管理制度0 总则0.1 目的:为确保工程质量,严格过程控制,为生产、技术提供过程与最终检测结果,法律规范...
1 / 9 附件:机械原理与冲压模具实验室设备采购数量及技术要求一、采购设备数量序号名称数量冲压及模具设计机台冲压模具套动平衡仪台范...
上海市教育委员会专项经费项目申报书(样式)项目名称:科技人文创新实验室建设及课程开设申报单位:上海市朱家角中学申报日期:年月日上海...
有机物的实验室· 制法· 复习练习 1.填表 : 物质原料反应原理装置简笔图实验关键注意事项分离提纯CH4 C2H4 C2H2CH3CHO CH3COOC2H...
20 年月浙江大学实验室检查值日表院系:研究所(实验室):房间号:日水电气火门窗仪器签 名离开时间备注123456789101112131415161718192...
【最新卓越治理方案 您可自由编辑】〔生物科技行业〕生物平安实验室^设要求2021 年 5 月多年的企业咨询参谋经验,经过实战验证可以落地...
金边缘智能-边缘计算-嵌入式人工智能实验室建设1 边缘智能-边缘计算-嵌入式人工智能实验室-3 -1 边缘智能-边缘计算-嵌入式人工智能实验...
茶产业数字化实验室数字实验室是以产业数字化理论为指导,以研究消费 者体验为导向,效劳于产业数字化转型,基于人工智能、 物联网、移动互...
纺织品实验室检测工程一览表纤维成分及其他化学分析测试l.Fiber Analysis 〔成分分析〕a.Qualitative Methods 定性分析AATCC 20ASTM ...
病原微生物实验室生物平安通用准那么(WS233-2021)1 范围本标准规定了病原微生物实验室生物平安防护的根本原那么、分级和根本要求.本标准适...
病原微生物实验室生物平安自查表填报单位:填报人:联系 :序号检查内容符合不符合不适用备注1风险评估与风险限制:实验室应建立并维持风险...
信阳职业技术学院检验科 微生物实验室生物平安手册生物平安治理体系文件目录序号名称备注一实验室人员准入制度二人员培训考核制度三人员健...
1、?中华人民共和国生物平安法?已由中华人民共和国第十三届全国人民代表大会常务委员 会第二十二次会议于〔B 〕通过,现予公布,自〔〕起实...
精品文档附件 2:病原微生物实验室生物平安检查表序号检 查 内 容检查方法评分标准得 分不符合要求或 需整改之处1生物平安实验室的备...
一、总那么二、实验室生物平安治理体系三、生物因子生物危害评估四、实验室人员准入制度五、人员培训考核制度六、人员健康监护制度七、生物...
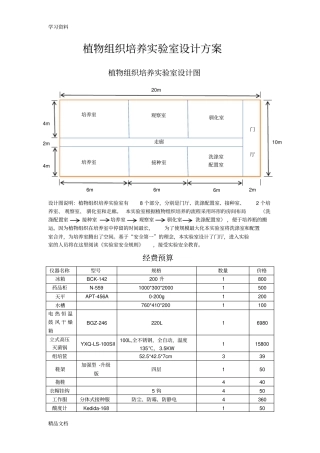
学习资料精品文档植物组织培养实验室设计方案植物组织培养实验室设计图设计图说明:植物组织培养实验室有8 个部分,分别是门厅、洗涤配置...
精品资料梅毒螺旋体实验室检查说明梅毒诊断标准根据卫生部卫生行业标准《梅毒诊断标准》(WS273 - 2007) 。梅毒诊断分为一期、二期、三...
2014 年山东科技大学学生科研立项题目名称:实验室监管系统团队成员:专业:班级:指导教师:电 子 通 信 与 物 理 学 院 2015年...

