第1页共29页编号:时间:2021年x月x日书山有路勤为径,学海无涯苦作舟页码:第1页共29页表11-19机架振动测试报告一、船名___________制造厂...
第1页共84页编号:时间:2021年x月x日书山有路勤为径,学海无涯苦作舟页码:第1页共84页QC技能手册意佳有限公司BESTIDEALLIMITED编号:BI-0...
第1页共146页编号:时间:2021年x月x日书山有路勤为径,学海无涯苦作舟页码:第1页共146页热处理质量检验技术第一章金属学基础第一节金属与...
第1页共2页编号:时间:2021年x月x日书山有路勤为径,学海无涯苦作舟页码:第1页共2页**家具(集团)有限公司文件编号WB-PD-03-12质量检验...
成品检验报告表页次制造批号产品名称规格目标产量生产日程包装前检验包装后检验检验项目月日月日月日月日月日抽样数不合格数%抽样数不合格...
附录A水运工程施工现场质量管理检查记录A.0.0.1施工单位和监理单位应按表A.0.0.1的规定,对施工现场的质量管理体系进行检查并填写记录。水...
第1页共38页编号:时间:2021年x月x日书山有路勤为径,学海无涯苦作舟页码:第1页共38页婴氏(福建)纸业有限公司YINGSHI(FUJIAN)PAPERCO...
桥梁总体现场质量检验表施工单位:合同号:监理单位:编号:ZJ-076-□□-□□□□□□□-□□分项工程名称所属分部工程施工时间桩号及部位...
第1页共101页编号:时间:2021年x月x日书山有路勤为径,学海无涯苦作舟页码:第1页共101页分项工程质量检验评定表分项工程名称:钢筋加工及...
第1页共2页编号:时间:2021年x月x日书山有路勤为径,学海无涯苦作舟页码:第1页共2页产品出厂检验报告序号:产品名称中式香肠型号/规格生...
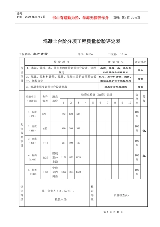
第1页共40页编号:时间:2021年x月x日书山有路勤为径,学海无涯苦作舟页码:第1页共40页混凝土台阶分项工程质量检验评定表工程名称:主井井...
第1页共108页编号:时间:2021年x月x日书山有路勤为径,学海无涯苦作舟页码:第1页共108页2城市桥梁工程2.1模板、支架和拱架2.1.1木模板制...
评定表格填写说明一、检验批表式及字体说明所有表式的表头字体为三号宋体(检验批项目名称加粗),表格内实测数据为六号宋体,其它所有字体...
更多资料请访问.(.....)更多企业学院:...../Shop/《中小企业管理全能版》183套讲座+89700份资料...../Shop/40.shtml《总经理、高层管理...
第1页共39页编号:时间:2021年x月x日书山有路勤为径,学海无涯苦作舟页码:第1页共39页工程质量报验单工程名称:淮南矿业集团煤矸石综合利...
通州区台湖镇站前街南延(一标段)道路、雨水、污水、给水、再生水管线工程质量检验与试验计划编制人:审核人:审批人:中建投工程技术有限...
第1页共112页编号:时间:2021年x月x日书山有路勤为径,学海无涯苦作舟页码:第1页共112页E8.2.2桥梁总体质量检验评定表(监抽)分项工程名...
土方路基检验批质量检验记录市政质检·1·1第页,共页工程名称单位工程名称施工单位分包单位项目经理技术负责人施工工长分部工程名称分项工...
第1页共2页编号:时间:2021年x月x日书山有路勤为径,学海无涯苦作舟页码:第1页共2页砌砖分项工程质量检验评定表工程名称:部位:保证项目...
第1页共2页编号:时间:2021年x月x日书山有路勤为径,学海无涯苦作舟页码:第1页共2页公路工程管理用表检验表35沥青混凝土面层和沥青碎(砾...

