广东省汕头市2016-2017学年高一历史下学期3月月考试卷(含解析)一、选择题:满分48分。本大题共24小题,每小题2分。在每小题列出的四个选...
广东省广州市天河区2017届高三化学第三次模拟考试试题可能用到的相对原子质量:H-1C-12O-18S-32Fe-56Cu-647.下列有关物质的说法正确的是A....
揭阳一中2010~2011学年度第一学期高一级(91届)期中考试化学科试卷(满分:100分考试时间:90分钟)可能用到的相对原子质量H:1C:12N:14O...
广东省佛山市2020届高三上学期期中考试理综化学7.化学与生产、生活、科技、环境等密切相关。下列说法正确的是A.“华为麒麟980”手机中芯片...
广东省阳江市阳东区2016-2017学年高一历史下学期第一次质量检测试题理(选择题)一、选择题1.新华社报道,自2008年1月1日起,清明、端午、...
广东省广州市天河区2018届高三化学上学期第一次月考试题7.化学与生活息息相关,下列说法正确的是A.厨房用品中食醋和纯碱都属于弱电解质B.淀...
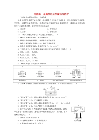
电解池金属的电化学腐蚀与防护1.下列关于电解的叙述中,正确的是()①电解是把电能转变成化学能②电解是把化学能转变成电能③电解质溶液导...
专题二(1)化学平衡状态化学平衡移动【考纲要求】1.了解化学反应的可逆性。2.了解化学平衡建立的过程。3.理解外界条件(浓度、温度、压强、...
饶平侨中高三化学科周练测试题2008.11.30一.选择题(本题包括9小题,每小题3分,共27分。每小题只有一个选项符合题意。)1.下列有关叙述...
广东省阳春二中高二数学选修4-4考试试卷(文科)第I卷注意事项:本次考试试卷分为第I卷和第II卷两部分,考试时间120分钟,满分100分。学生...
广东省清远市阳山县2016-2017学年高一化学下学期第一次月考试题(本卷满分100分,时间90分钟)一、单选题:(共16题每题3分共48分)1.下列可...
深圳市滨河中学2008—2009学年度上学期高三年级第一次月考化学(X)试题(满分150分,考试用时120分钟)可能用到的相对原子质量:H:1O:16C:1...
广东省东莞市2016-2017学年高一化学下学期期初考试试题理说明:本试卷分第Ⅰ卷和第II卷两部分。满分100分,时间90分钟。本卷可能用到的相对...
广东省湛江一中2015-2016学年高一历史上学期期中试题一、单项选择题(本题共24小题,每小题2分,共48分)1.金文中的“封”字,写作或,“...
专题限时训练(十一)常见有机物及其应用A卷(时间:30分钟分数:50分)1.(2014·福建卷)下列关于乙醇的说法不正确的是()A.可用纤维素的水解...
广东省汕头市2016-2017学年高一历史上学期期末考试试题一、单项选择题(只有一个选项符合题目要求。2×40=80分)1.“周代分封制的实质则是...
广东省汕头市潮南区2016-2017学年高一历史下学期期中试题第Ⅰ卷(单项选择题,每小题2分,共48分)1.1871年3月26日,巴黎举行选举,人民群...
专题1-1原电池化学电源【考纲要求】1.了解原电池的工作原理,能写出电极反应和电池反应方程式。2.了解常见化学电源的种类及其工作原理。一...
2016-2017学年第二学期期中考试高一级化学试卷考试时间:90分钟可能用到的相对原子质量:H:1C:12O:16Na:23Mg:24Cl:35.5Zn:65第Ⅰ卷选...
2015-2016学年广东省揭阳一中高一(上)第一次段考化学试卷一、单项选择题(本题包括15小题,每题3分,共45分,每题只有一个正确选项)1....

