建筑工程质量事故处理程序及原则林秀英(福建省莆田市涵江区建设工程质量监督站 351111)[提要]结合多年来建筑工程质量监督过程中质量事...
建筑工程质量事故处理程序及原则1前言建筑工程在设计、施工和使用过程中,不可避开会出现各种问题,而工程质量事故是其中最为严重又较为常...
1、接到事故报告后,立即组成事故现场处理小组(2 人以上),及时赶到事故现场,并要求事故单位通知市建规委、市安监局、市总工会等部门。 2...
幼儿园突发事故处理流程召开紧急会议研商后续处理原则及步骤建档结案后续处理慰问、说明据实记录意外事件发生原因及处理方式意外发生必要处...
任务一:第 1 题(已答). 常用的基础托换措施中,以减少基础底压力为目的的措施是( )。 A. 扩大基础托换法 B. 加深托换法 C. 灌...
任务一:第 1 题(已答). 常用的基础托换措施中,以减少基础底压力为目的的措施是( )。 A. 扩大基础托换法 B. 加深托换法 C. 灌...
工伤死亡事故处理流程项目部发生工伤死亡事故后目击者应立即报告项目部或直接报告公司,在两小时之内上报项目部所在地的安监局、建委、公安...
湖北平安电工材料有限公司管理标准管理制度工伤事故处理流程 SQJMY/OP—-20241 目的为了建立有效的工伤事故处理机制﹐迅速开展工伤事故救...
工 伤 事 故卷内目录1、伤亡事故报告及调查处理制度2、伤亡事故登记表3、职工伤亡事故月报表4、因工死亡事故快报表5、职工伤亡事故台帐6...
工亡事故处理流程一、工伤报案事故出现后现场抢救根据矿山救援操作规程进行积极处理及时拨打 120 抢救,将伤员送往医院抢救。(一)发生...
实验室意外事故处理及报告制度1.实验室意外事故多种多样,应区分仪器设备损坏、爆炸、火灾、被盗、污染、中毒、职业暴露、人身意外损害等不...
安全生产事故处理制度一、 总则1、为了及时报告、统计、调查和处理职工伤亡事故,积极实行预防措施,防止伤亡事故,制定本制度。2、本制度所...
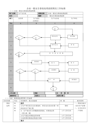
企业一般安全事故处理流程图及工作标准(一)企业一般安全事故处理流程图部门名称生产安全处流程名称企业一般安全事故处理流程层次2概要一...
安全事故处理流程一、事故报告阶段事故发生后,事故单位有关人员在 1 小时内向县级以上安监部门和负有安全生产监督管理职责的有关部门报...
新乡市三十二中学学生意外损害事故处理工作流程图相关责任人以最快的速度把学生送往就近的医院救治学生发生意外损害事故及时通知学生的监护...
学生损害事故处理办法学校: 姓名:第一章 总则 第一条 为积极预防、妥善处理在校学生损害事故,保护学生、学校的合法权益,根据、和其...
事故处理流程图
事故处理民警个人工作总结(精选多篇)第一篇:民警个人工作总结 xxxx 年度个人工作总结xxxx 年以来,本人在 xx 党委和 xxxx 党支部的...
锅炉调整及事故处理 1、技术措施第 1 页共 8 页锅炉调整及事故处理风量调整6.4.2.1 为到达最正确燃烧工况,应调整并维持适宜的风煤比...
制定日期: 事故处理鉴定流程文件编号:实施日期: 版次:修 订 记 录 表项次修订日期页次修订内容最新版次修订者核准部门主管签办人...

