岗位安全风险告知卡作业名称作业对象架子工脚手架搭拆危险等级重大主要危害因素1、架子工无证上岗,患有高血压、心脏病、癫痫病病以及不适...
岗位风险告知卡岗位名称施工班长岗位岗位存在的危险因素存在着机械伤害、高空坠物 、 物体打击等岗位危险,予以告知。1、加强对各工种预...
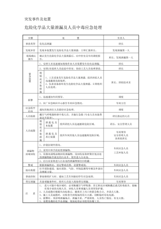
突发事件及处置危险化学品大量泄漏及人员中毒应急处理步骤事故类型发现异常危化品泄漏发现本装置发生危险化学品大量泄露,立即汇报班长。处...
岗位风险告知卡岗位名称危险源1、带电的电器设备漏电刮板输送机司机2、外露转动和传动部分无护罩3、用溜子拉运大块矸石或长物料砸4、溜子刮...
XX 炼化二期项目工程现场主要风险告知牌识别不到的风险就是最大的风险、识别不到的隐患就是最大的隐患序号风险部位1动土作业2.土方堆放距...
岗位安全风险告知卡作业名称作业对象架子工脚手架搭拆危险等级重大1、架子工无证上岗,患有高血压、心脏病、癫痫病病以及不适于高处作业的...
工作场所存在一氧化碳,对人体有损害,请注意防护一氧化碳Carbon monoxide健 康 危 害理化特性如空气中的一氧化碳浓度过高,可经呼吸道...
工作场所存在一氧化碳,对人体有损害,请注意防护一氧化碳Carbon monoxide健 康 危 害如空气中的一氧化碳浓度过高,可经呼吸道进入人体...
岗位风险告知卡岗位名称施工班长岗位岗位存在的危险因素存在着机械伤害、高空坠物 、 物体打击等岗位危险,予以告知。1、加强对各工种预...
岗位安全风险告知卡作业名称作业对象架子工脚手架搭拆危险等级较大主要危害因素1、人的因素:①身体健康状况异常或从事禁忌作业:患有高血...
急救电话消防:119 急救:120 办公室:3风险点名称风险等级诱发事叉车行黄色(三车辆公司级、车间级、班组总经理、车间主任、班组长宀女全...
配电室风险描述由于人员误操作、设备缺陷、外力因素等,易发生火灾、触电等事故。事故火灾、触电或停电事件类型主要标志风险防控措施(1)...
安全标志和职业危害告知卡一、部分安全标志名称及其标志图片序号1标志名称禁止吸烟标志图片备注有甲、乙、丙类的火灾危险物质的场所和禁止...
- 1 - 65 种常见危险化学品 安全告知卡周知卡 目 录 过硫酸钾危险化学品安全周知卡 ..............................................
1 职业病危害警示与告知制度 第一章 总 则 第一条 目 的 为了规范工作场所职业病危害的告知和警示工作,有效预防、控制和消除职业...
变更告知承诺书 篇一:外商投资企业变更审批告知承诺书 XX 省 XX 县区商务委员会外商投资企业变更审批告知承诺书 XX 省 XX 县区商...
双预防机制风险告知卡
①切割机风险点告知卡单位名称:****风险点名称风险点编号风险等级切割机03三级风险安全标志主要危险因素概述由于人员误操作、设备缺陷、外...
危险化学品安全告知牌(一)危化品易燃易爆禁 止 携 带 火 种且 对 人 体 有 害请 注意防护保障健康和安全本品为中枢神经系统抑...
有毒有害物品作业岗位职业病危害告知卡明细序号12345678910111212标示牌名称二氯乙烷苯酚苯酐氯化锌苯哌嗪吡啶三乙胺丙酮乙醇甲醛四氢呋喃...

