电脑桌面
添加小米粒文库到电脑桌面
安装后可以在桌面快捷访问

应急处置流程告知卡汇编事故类型

应急处置流程告知卡汇编事故类型_第1页
1/33
应急处置流程告知卡汇编事故类型_第2页
2/33
应急处置流程告知卡汇编事故类型_第3页
3/33
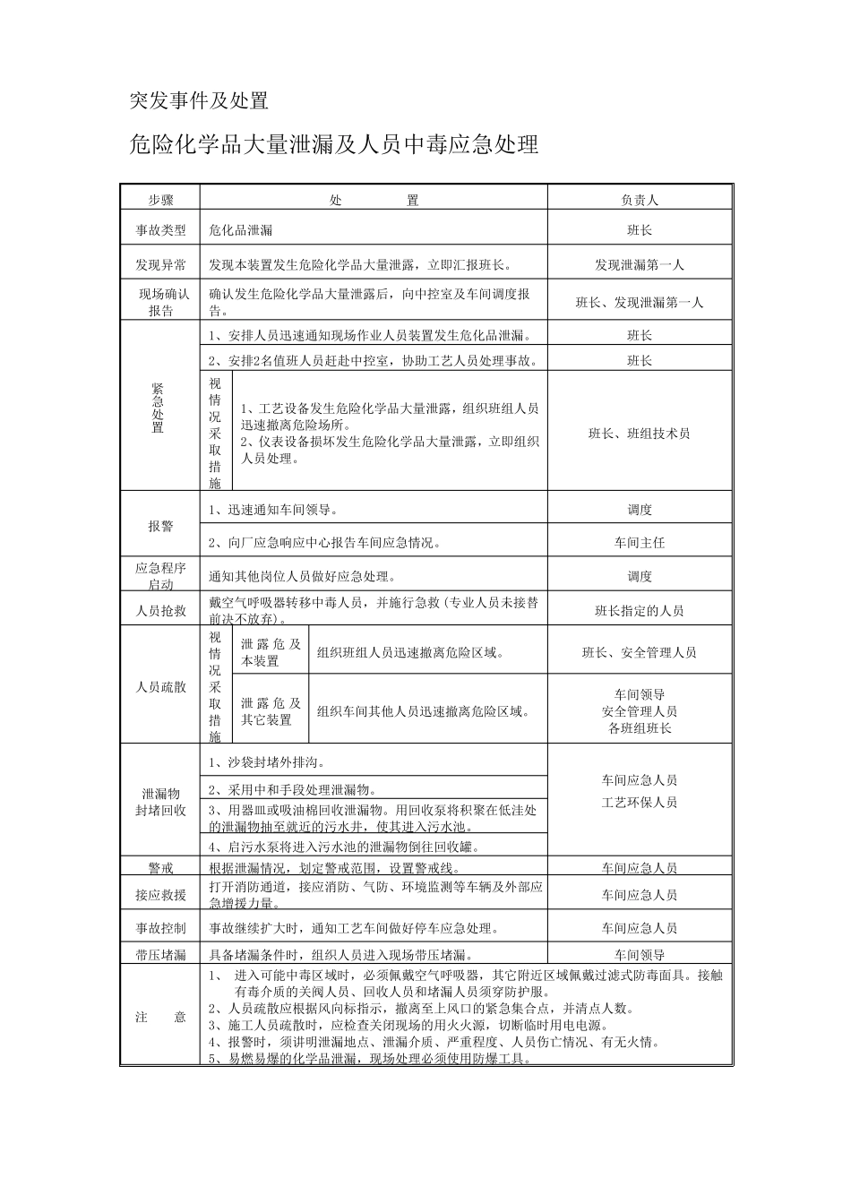
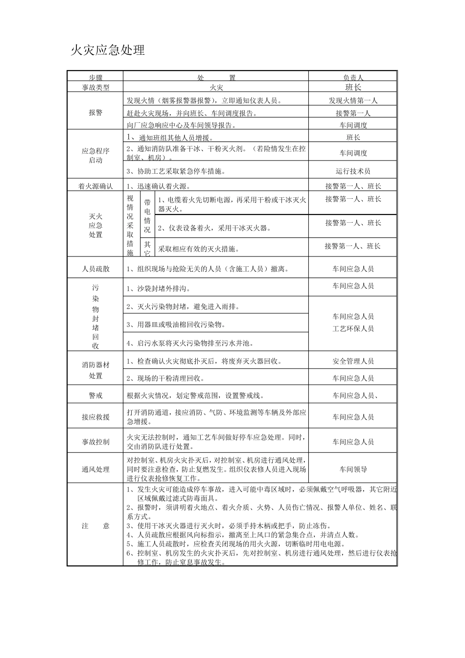
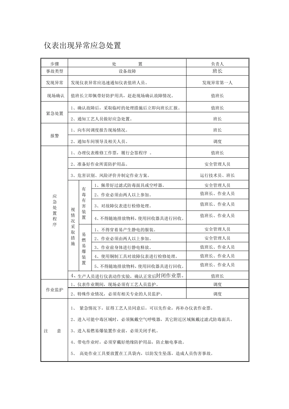
突发事件及处置危险化学品大量泄漏及人员中毒应急处理步骤事故类型发现异常危化品泄漏发现本装置发生危险化学品大量泄露,立即汇报班长。处置负责人班长发现泄漏第一人班长、发现泄漏第一人班长班长现场确认确认发生危险化学品大量泄露后,向中控室及车间调度报报告告。1、安排人员迅速通知现场作业人员装置发生危化品泄漏。2、安排2名值班人员赶赴中控室,协助工艺人员处理事故。紧急处置报警应急程序启动人员抢救人员疏散泄漏物封堵回收警戒接应救援事故控制带压堵漏注意视情况采取措施1、工艺设备发生危险化学品大量泄露,组织班组人员迅速撤离危险场所。2、仪表设备损坏发生危险化学品大量泄露,立即组织人员处理。班长、班组技术员1、迅速通知车间领导。2、向厂应急响应中心报告车间应急情况。通知其他岗位人员做好应急处理。戴空气呼吸器转移中毒人员,并施行急救 (专业人员未接替前决不放弃)。视泄 露 危 及组织班组人员迅速撤离危险区域。情本装置况采取泄 露 危 及组织车间其他人员迅速撤离危险区域。措其它装置施1、沙袋封堵外排沟。2、采用中和手段处理泄漏物。3、用器皿或吸油棉回收泄漏物。用回收泵将积聚在低洼处的泄漏物抽至就近的污水井,使其进入污水池。4、启污水泵将进入污水池的泄漏物倒往回收罐。根据泄漏情况,划定警戒范围,设置警戒线。打开消防通道,接应消防、气防、环境监测等车辆及外部应急增援力量。事故继续扩大时,通知工艺车间做好停车应急处理。具备堵漏条件时,组织人员进入现场带压堵漏。调度车间主任调度班长指定的人员班长、安全管理人员车间领导安全管理人员各班组班长车间应急人员工艺环保人员车间应急人员车间应急人员车间应急人员车间领导1、 进入可能中毒区域时,必须佩戴空气呼吸器,其它附近区域佩戴过滤式防毒面具。接触有毒介质的关阀人员、回收人员和堵漏人员须穿防护服。2、人员疏散应根据风向标指示,撤离至上风口的紧急集合点,并清点人数。3、施工人员疏散时,应检查关闭现场的用火火源,切断临时用电电源。4、报警时,须讲明泄漏地点、泄漏介质、严重程度、人员伤亡情况、有无火情。5、易燃易爆的化学品泄漏,现场处理必须使用防爆工具。火灾应急处理步骤事故类型处置火灾发现火情(烟雾报警器报警),立即通知仪表人员。报警赶赴火灾现场,并向班长、车间调度报告。向厂应急响应中心及车间领导报告。负责人班长发现火情第一人接警第一人车间调度班长车间调度运行技术员接警第一人、...

1、当您付费下载文档后,您只拥有了使用权限,并不意味着购买了版权,文档只能用于自身使用,不得用于其他商业用途(如 [转卖]进行直接盈利或[编辑后售卖]进行间接盈利)。
2、本站所有内容均由合作方或网友上传,本站不对文档的完整性、权威性及其观点立场正确性做任何保证或承诺!文档内容仅供研究参考,付费前请自行鉴别。
3、如文档内容存在违规,或者侵犯商业秘密、侵犯著作权等,请点击“违规举报”。

碎片内容

应急处置流程告知卡汇编事故类型

确认删除?
VIP
微信客服
  • 扫码咨询
会员Q群
  • 会员专属群点击这里加入QQ群
客服邮箱
回到顶部