物业管理服务所需设备表(详细) 一、保洁设备投入情况 序号 名 称 单位 品牌 产地 1 全自动洗地、吸水一体机 台 克力 上海 2...
(新寨煤矿13.03.9)序 号资料分类名 称备 注1采矿许可证2营业执照3安全生产许可证4煤炭生产许可证5矿长资格证6矿长安全资格证7组织机构...
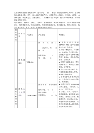
实验室煤炭化验设备配置清单,适用于电厂、钢厂、水泥厂的煤炭检测和煤质分析。包括煤炭化验仪器名称、型号、技术参数和性能介绍;包括量热...
特种行业许可证审批所需资料[五篇范文] 特种行业许可证所需资料 (1)、申请报告(说明资金来源、股份组成、安防设施建设等情况);(2)...
申请助学贷款所需材料[五篇范例] 申请新增助学贷款(新贷)条件 1、家庭经济困难; 2、上一学年必修课不合格不超过三科。 申请新增助学...
北京资质代办所需材料 关于北京资质代办建筑资质要准备的材料有什么,由于建筑资质办理的相关规程比较繁琐,也相对比较专业,那北京博赢天...
申请低保所需材料[大全] 低保复查所需材料 一、申请人家庭成员户口簿、居民身份证原件及复印件。 二、低保申请书。 三、诚信申报承诺书...
办理建设项目选址意见书所需提交的材料 办理建设工程规划许可证所需提交的材料 1、项目单位的申请报告; 2、《建设项目工程规划许可证》...
人体每日所需六大营养营养物碳水化合物作用每人每天供给 400-500 克,占总热量的 60%~65%,如果摄入的碳水化合物不足,人体就会寻找...
父母必读——不同年龄阶段孩子所需要的心理营养健康是人生的财富、健康是动力的源泉、健康是生命的转轴。2015 年 8 月 17 日【导读】...
申请低保所需材料[大全] 申请低保所需材料: 1、个人书面申请 2、户籍证明。户口本,居民身份证复印件。 3、职工月收入证明(由单位劳...
国家助学贷款续贷所需材料 国家助学贷款续贷操作流程 一、借款学生向学院提交制式的国家助学贷款续贷申请书; 二、学校对学生的续贷申请...
下载后可任意编辑英国留学所需的费用简介:英国留学一年费用 随着中国经济的进展及教育全球化的同步推动,赴海外留学已经从精英教育走向大...
下载后可任意编辑美国留学读硕士所需费用介绍 硕士生在美国留学的费用开销由哪几个部分组成呢?下面就来为大家盘点一下硕士生美国留学费用...
五保户档案整理所需材料 发展党员表决票 填票说明:同意吸收该同志为中共预备党员的,在“同意”栏下面的 空格内画上“○”;不同意的,...
韶关产业发展所需专业工种目录表序号专业名称对应或相关职业(工种)资格1机床切削加工(车工方向) 、机床切削加工(车工)、机床切削加...
精心整理精心整理隧道分类:按照隧道所处的地质条件分类:分为土质隧道和石质隧道;按照隧道的长度分类:分为短隧道(铁路隧道规定<500m)...
压力管道安装所需准备资料1、告知书(原件) .备注:安装单位 .无损检测单位应 分别 办理告知手续 . 2、资质证书复印件 (①安装单...
. . 1.挂车无制动答:一、无脚制动:1)主车制动气压好的状况下,检查气管的安装状况;2)检查挂车制动阀的工作状况;3)检查制动阀的工...
酒店经营所需资质序号法律、法规名称相关规定经营资质发证机关备注中华人民共和国消防法第十五条:公众聚集场所在投入使用、营业前,建设单...

