电脑桌面
添加小米粒文库到电脑桌面
安装后可以在桌面快捷访问

煤炭实验室所需仪器设备配置清单

煤炭实验室所需仪器设备配置清单_第1页
1/13
煤炭实验室所需仪器设备配置清单_第2页
2/13
煤炭实验室所需仪器设备配置清单_第3页
3/13
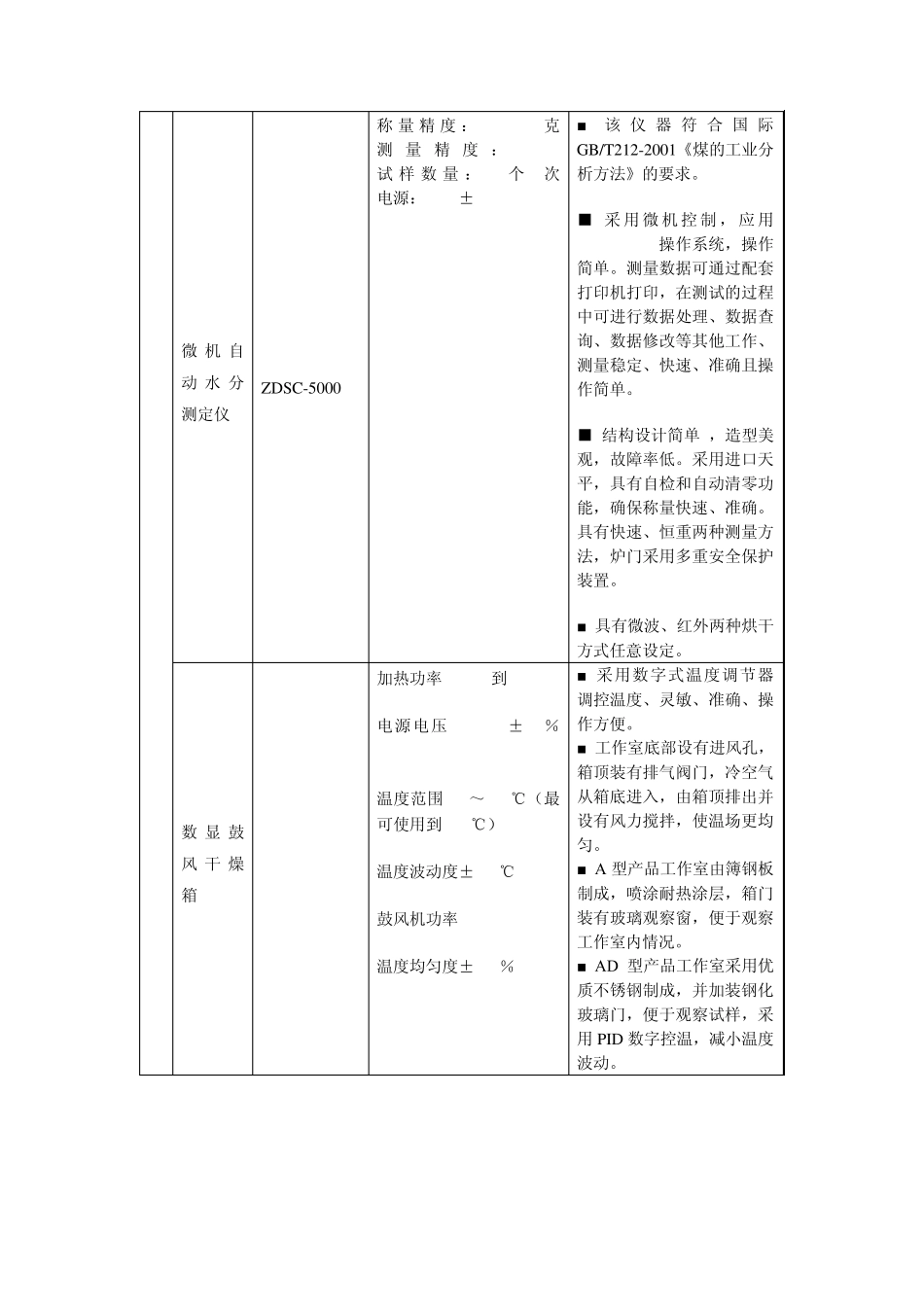
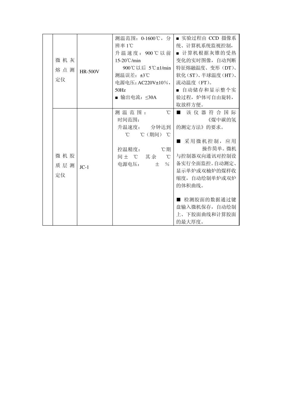
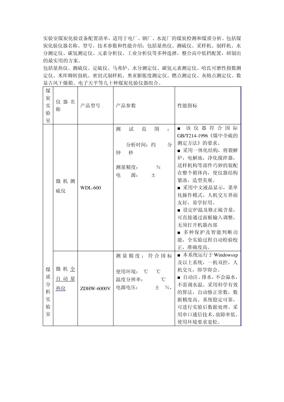
实验室煤炭化验设备配置清单,适用于电厂、钢厂、水泥厂的煤炭检测和煤质分析。包括煤炭化验仪器名称、型号、技术参数和性能介绍;包括量热仪、测硫仪、采样机、制样机、水分测定仪、碳氢测定仪、元素分析仪、工业分析仪等多种选择,整合高中低档配置,研制出的最实用的方案。 包括量热仪、测硫仪、定硫仪、马弗炉、水分测定仪、碳氢元素测定仪、哈氏可磨性指数测定仪、米库姆转鼓机、密封式制样机、奥亚膨胀度测定仪、燃点测定仪、灰熔点测定仪、数显古风干燥箱、电子天平等几十种煤炭化验仪器组合。 煤炭实验室 仪 器 名称 产品型号 产品参数 性能指标 煤质分析实验室 微 机 测硫仪 WDL-600 测试范围:0-99.99% 分析时间:约 3-6分钟 30秒 测量精度: 0.01% 电 源:220V±10% ■ 该 仪 器 符 合 国 际GB/T214-1996《煤中全硫的测定方法》的要求。 ■ 采用一体化结构,将裂解炉,电解池,净化搅拌器,送样机构等部件巧妙的装配在整个箱体内,使仪器结构紧凑,造型美观。 ■ 采用中文液晶显示,菜单化操作模式,人机交互界面友好,易学好用。 ■ 设定炉温及修正硫含量,可直接通过面板输入调整,无须打开机器内部 ■ 多种保护及智能判断功能,全实验过程自动检验校正,准确度高。 微 机 全自 动 量热仪 ZDHW-6000V 测 量 精 度 : 符 合 国 标GB/T213-2003 使用环境:5℃-40℃ 温度分辨率:0.0001℃ 电源电压:AC220V±10%,50Hz ■ 本系统运行于 Windowsxp及以上系统,一机双控,人机交互,即学即会。 ■ 自动注、排水,不会溢水,不需调水温。采用科学有效的算法,自动修正常数,数据精度高。系统稳定可靠,可进行实验后数据处理。采用串口通信技术,故障率低。使用环境要求宽松。 微机灰熔点测定仪 HR-500V 测温范围:0-1600℃,分辨率1℃ 升温速度:900 ℃以前15-20℃/min 900℃以后5℃±1/min 测温误差:±3℃ 电源电压:AC220V±10%,50Hz ■ 输出电流:≤30A ■ 实验过程由CCD 摄像系统、计算机系统监视控制, ■ 计算机根据灰锥的受热变化的实时图像,自动判断特征熔融温度、变形(DT)、软化(ST)、半球温度(HT)、流动温度(FT)。 ■ 自动储存和显示整个实验过程,炉体可自由旋转,取放样方便。 微机胶质层测定仪 JC-1 测温范围:0-999℃ 时间范围:0-999min 升温速度:30分钟达到250℃-730℃(期间)3℃/min 控温精度:350-600℃期间± 5℃...

1、当您付费下载文档后,您只拥有了使用权限,并不意味着购买了版权,文档只能用于自身使用,不得用于其他商业用途(如 [转卖]进行直接盈利或[编辑后售卖]进行间接盈利)。
2、本站所有内容均由合作方或网友上传,本站不对文档的完整性、权威性及其观点立场正确性做任何保证或承诺!文档内容仅供研究参考,付费前请自行鉴别。
3、如文档内容存在违规,或者侵犯商业秘密、侵犯著作权等,请点击“违规举报”。

碎片内容

煤炭实验室所需仪器设备配置清单

小辰3+ 关注
实名认证
内容提供者

出售各种资料和文档

确认删除?
VIP
微信客服
  • 扫码咨询
会员Q群
  • 会员专属群点击这里加入QQ群
客服邮箱
回到顶部