综合人事部部门职责行政人事部:行政类:1、贯彻执行公司总经办的各项决定决议;2、负责公司工作计划、总结、规章制度、各类文件、资料以及...
第1页共22页编号:时间:2021年x月x日书山有路勤为径,学海无涯苦作舟页码:第1页共22页营销中心各部门职责及岗位设置综合管理部职责与岗位...
认证部部门职责生产部部门职责1、严格按工艺、图纸、制度进行生产,确保产品符合要求;2、负责生产现场“6s”管理,产品标识和可追溯性管理...
盐城市天鑫塑业有限公司部门文件汇编文件编号:TX-BM版本号:A受控状态:受控分发号:编制:日期:审批:日期:目录序号文件编号文件名称1T...
央企公司部门职责有限公司保密条例第一条公司秘密关系到公司的安全和利益,所有公司员工有责任和义务保守公司的秘密。第二条公司秘密包括但...
化工厂各部门职责共青团五月花专修学院团委会各部门简介及工作职责中国共产主义青年团是中国共产党领导的先进青年的群众组织。是广大青年在...
部门职责权限及任职要求编制:审核:批准:版本:编号:st/c19-2017xxxxxxxxxa01目的:为了明确职责权利,理顺工作流程,提高质量、效率,...
综合办公室部门职责综合管理办公室职责基本职能行政、人力资源、资质平台、管理优化、企业文化等;部门职责(一)行政管理1、联络与督办负...
总经办各部门职责总经办工作总结总经办是总经理直接领导下的部门,是公司的核心部门之一。在今年的工作中,总经办作为公司的综合服务部门,...
营业本部部门职责说明书(草案)目录一、营业本部部门职责:................................................3(一)营业部部门职责:......
合资公司组织架构和部门职责物流公司组织架构图以及各部门职责一、组织架构:各部门职责:(一)总经理:根据董事会提出的战略目标,组织制...
中石化集团下属某炼油公司部门职责集团办公室部门职责一、主要职责集团办公室是为集团公司服务的的综合协调部门和董事会的办事机构。负责公...
部门职责及主要人员数量及分工现场工作组人员分工及主要管理职责(征求稿)为了更有好的开展易地迁建XX县区工人文化宫现场工作组工作,明确...
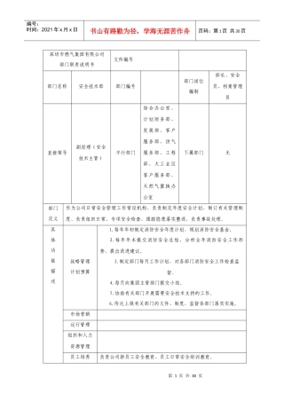
第1页共30页编号:时间:2021年x月x日书山有路勤为径,学海无涯苦作舟页码:第1页共30页深圳市燃气集团有限公司部门职责说明书文件编号部门...
******有限公司WCM-GL-ZJB-10A/00职责范围汇编职责范围汇编******有限公司二○一○年三月第1页共14页******有限公司WCM-GL-ZJB-10A/00职责...
客运站安全生产管理职能部门职责1、传达、贯彻、执行和组织学习上级各有关部门颁发的安全法律法规、规章制度和文件精神。2、协助安全主管站...
部门职责和岗位说明书(版本:06A)编制:***审核:***批准:***受控状态:受控分发号:(15)发布日期:2006年?月?日执行日期:2...
服务管理事业部部门职责心理健康服务部部门职责心理健康服务部,是一个面向全院,倡导健康、文明、向上的校园风尚,关注学生心理健康、能力...
螆肇膃蒀螂肆莅芃蚈肅肅薈薄肄膇莁袃肃艿薆蝿肃莂荿蚅膂肁薅薁螈膃莈蒇螇莆薃袅螇肅蒆螁螆膈蚁蚇螅芀蒄薃螄莂芇袂螃肂蒂螈袂膄芅蚄袁芇蒁薀...
化工厂各部门职责项目经理职责一、自觉贯彻党和国家的各项方针政策,贯彻执行企业规章制度。二、组建项目部,和董事长赋予的项目经理权利。...

