精品文档---下载后可任意编辑六年级语文(上)师生共用导学稿课题:15 为了五美元的礼物 课型:略读课 备课:陈惠琴课前自主预习(扫清...
精品文档---下载后可任意编辑中国托盘共用系统营运模式讨论的开题报告一、选题背景和意义随着全球经济的进展,物流行业也逐渐成为国民经济...
四川省(区域性标准)房屋共用部位、共用设施设备维修项目分类
精品文档---下载后可任意编辑3G/PHS 共用室内分布系统的规划讨论的开题报告一、选题背景随着移动通信技术的进展,人们对无线网络的需求越...
精品文档---下载后可任意编辑KuKa 双频共用船载天线伺服跟踪系统设计及实现的开题报告摘要:本文主要介绍了一种 KuKa 双频共用船载天线...
共用配套设施设备维护与管理
共 用 部 位 、共 用 设备设施日常运行、保养、维修服务标准与收费基准价 项 目 类 别 内 容 运行、保养、维修服务 每平方米...
共用一个IP地址10台机器共享上网就这样配
精品文档---下载后可任意编辑3GPHS 共用室内分布系统的规划讨论的开题报告题目:3GPHS 共用室内分布系统的规划讨论一、讨论背景和意义目...
住宅专项维修资金管理办法 第一章 总 则 第一条 为了加强对住宅专项维修资金的管理,保障住宅共用部位、共用设施设备的维修和正常使用...
购物中心共用水电费计算和分摊方案特别是由于购物中心的体量大,少则上十万平米,多则高达六、七十万平米,每年产生的共用水电费往往高达数...
A8V5协同管理软件(企业版集团版共用)V5.1SP1白皮书
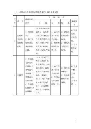
1 (二)房屋本体共用部位定期维修养护计划及实施方案 序 号 项 目 维修类别划分 定 期 维 修 计 划 方 案 标 准 实施效...
物业住宅小区共用部位、共用设施设备运行和维修养护工作计划
下载后可任意编辑社区共用充电设施方案一、背景随着电动汽车的普及,充电设施的需要也日益增加。现在许多小区和社区尚没有完善的充电设施。...
安全技术交底记录表编号工程名称浙江佛学院二期(弥勒圣坛)工程分部分项工程名称共架作业部位大慈宝殿作业内容共架安装交底类别安全技术父...
百度文库- 让每个人平等地提升自我1 编号:专 用 线 共 用 协议为充分发挥铁路专用线的作用,缓解铁路货场的压力,根据铁道部 《关...
郑州市房屋建筑面积测算及共有共用建筑面积分摊规则郑州市房屋建筑面积测算及共有共用建筑面积分摊规则一、一般规定(一)房屋面积测算的内容...
下载后可任意编辑场地共用合作协议模板甲方: 乙方: 签订地点: 签订时间: 编号: 下载后可任意编辑订立合同各合伙人:____________...
下载后可任意编辑场地共用合作协议范文甲方: 乙方: 签订地点: 签订时间: 编号: 下载后可任意编辑甲方:_________________电话:_...

