精品文档---下载后可任意编辑上海名人故居旅游开发利用讨论的开题报告一、讨论背景上海是中国历史文化名城,拥有众多的名人故居,这些故居...
精品文档---下载后可任意编辑万州区低丘缓坡土地资源开发利用适宜性评价讨论的开题报告一、选题的背景和意义随着城市化进程的加快,土地资...
一、单选题 【本题型共 15 道题】 1.加拿大蒙特利尔地下城建设的特点不包括( )。 A.与地面联系紧密 B.混合功能区取代单一功能地...
单建掘开式地下空间开发利用工程 兼顾人防需要设计导则(试行) 浙江省住房和城乡建设厅 浙江省人民防空办公室 2 0 1 1 年 1 1 月...
下载后可任意编辑经济区非煤矿产开发利用方案范文为全面提高全区非煤矿山矿产资源开发的规模化、集约化、科学化水平,切实加强矿山环境和安...
下载后可任意编辑矿产开发利用质效管理年实施方案范文根据全市____年国土资源工作安排部署,为进一步加强和改善矿政管理,经局党组讨论,决...
桂林城镇低效用地再开发利用实施意见 XX 市城镇低效用地再开发利用实施意见 (暂行) 第一章 总则 第一条 为推动 XX 市城镇低效用...
中 国 云 母 矿 资 源 开 发 利 用 一 、 地质勘查 中 国 云 母 矿 地质勘探至今尚无正式规范,仅在 1965年地质部全国...
下载后可任意编辑经济区非煤矿产开发利用方案为全面提高全区非煤矿山矿产资源开发的规模化、集约化、科学化水平,切实加强矿山环境和安全生...
国有建设用地开发利用监管协议甲方:佛山市高明区荷城街道办事处通讯地址:乙方:通讯地址:乙方于年月_日公开竞得位于髙明区荷城街道髙明...
1 4 水资源状况及其开发利用现状分析 4.1水资源状况 4.1.1水资源分区 水资源分区采用区域区划的有关规定和方法,在高级分区中以水资源...
地热水(矿泉水)资源开发利用方案编 制 要 求一、地热水、矿泉水资源开发利用方案编制要求1.矿区概述1.1 矿区位置及交通矿区行政区划...
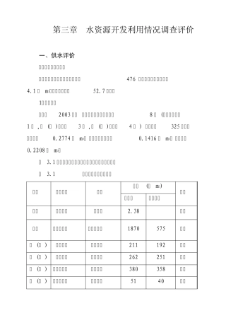
第三章 水资源开发利用情况调查评价 一、供水评价 (一)供水基础设施 建国以来,彭州市建成水利工程476 处,具有蓄引提水能力4.1 亿...
国有建设用地开发利用监管协议甲方:佛山市高明区荷城街道办事处通讯地址:乙方:通讯地址:乙方于年月日公开竞得位于高明区荷城街道高明大...
合理开发利用 丰富音乐教学资源课程资源是新一轮国家基础教育课程改革所提出的一个重要概念。什么是课程资源?课程资源也称教学资源,就是...
1世界稀土资源及其开发利用Yuanzi16本文目录一、本文写作背景二、稀土及其名称由来三、稀土矿物及其特点、分类和常见矿物种类四、稀土矿石...
瑞昌市矿产资源开发利用情况调查报告 根据市矿产资源整合领导小组的工作安排,4月下旬,整合领导小组成员单位根据各自职责,对我市矿产资源...
世界稀土资源及其开发利用Yuanzi16本文目录一、本文写作背景二、稀土及其名称由来三、稀土矿物及其特点、分类和常见矿物种类四、稀土矿石与...
矿产资源开发利用方案》编写提纲一、概述(一)项目名称、隶属关系及矿山位置。1、项目名称、隶属关系。2、项目位置、交通、地理概况;插图...
. . . . 专业资料精心整理*** 市*********** 采石场建筑石料用灰岩矿资 源 开 发 利 用 方 案 *****矿产开发综合服务中心二...

