房建工程分部分项单位工程划分标准 Document serial number【UU89WT-UU98YT-UU8CB-UUUT-UUT108】序号分部工程子分部工程分项工程无支护...
房建工程主要分部(分项)工程施工方法6.1 测量放线:平面轴线定位采取方格网法,垂直度控制采用天底垂直照准法,仪器采用激光铅垂仪、经...
单位工程序号分部工程子分部工程分项工程1. 东乌 旗客 运综 合楼 2.东 乌旗 机械 化地基养 路与基保 养1础点 3.东 乌旗 货物...
序号分部工程子分部工程分项工程素土、灰土地基,砂和砂石地基,土工合成材料地基,粉煤灰地基,强夯地基,注浆地基,预压地基,砂石桩复合地...
.房建工程分部/分项分部工程子分部工程1.1.1 土方开挖1.1.2 土方回填1.2.1 排桩墙支护1.2.2 降水与排水1.2.3 地下连续墙1.2 有支护土...
第1页 共13页人工费机械费1010101002001挖基础土方:挖桩承台土方:挖三类土:挖土深度1.64m内:土方回填、余方外运,运距自行考虑m3325.5137.2...
精心整理 建筑工程的分部工程、分项工程划分 分部工程代号 分部工程 子分部工程 分项工程 01 地 基 与 基 础 地基(01) 素土、...
建筑工程分部分项工程划分 序号 分部工程 子分部工程 分项工程 1 地 基 与 基 础 土方工程 土方开挖,土方回填,场地平整 基...
GB503002013建筑工程质量验收标准分部、分项、检验批划分方案
附录B 建筑工程分部(子分部)工程、分项工程划分表 序号 分部工程 子分部工程 分项工程 1 地基与基础 土方工程 土方开挖,土方回...
第1页 共6页 C.7 消火栓系统工程 11030701003001消火栓镀锌钢管安装部位(室内、外):室内;材质:镀锌;型号、规格:DN150 连接方式:沟槽...
表 G建筑装饰装修分部工程质量验收记录编号:单位(子单位)工程名称施工单位分包单位滨水小区一期 1#楼/子分部工程数量11分项工程数量技...
1----项目---栋建筑节能分部工程质量评估报告编制(总监理工程师):证书号:批准(单位技术负责人):证书号:贵州化兴建设监理有限公司20...
建筑节能分部工程施工方案(标准化格式文本)工程名称:XDG(XQ)-2012-24 号地块飞马纺机地块二期工程编制人:朱建益审核人:罗元发批准人...
建筑给水排水及采暖工程分部(子分部)工程质量验收记录编号:080101中建三局鲁巷片危房改造工程结构类型单位(子单位)工程名称框架及层数武...
城镇道路分部(子分部)工程与相应的分项工程及检验批的划分及系统编号表分部工程序编编分部工程名称号号号子分部工程子分部工程名称编号01...
分部分项工程开工报告编写内容及用表★ 第一部分 分部、分项工程 开工报告编写内容及用表 填写说明: 1、分部工程开工报告,由承包人...
下载后可任意编辑地基与基础分部验收方案范文会议时间:____年____月____日会议地点:现场办公室会议主持人:梅____参会单位及人员:建设单...
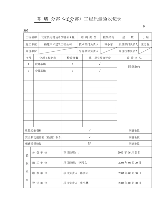
幕 墙 分部(子分部)工程质量验收记录0307工程名称施工单位分包单位序号12分项工程名称玻璃幕墙金属幕墙检验批数22北京奥运村运动员宿舍...
CB15 分部工程开工申请表(娄星[2015 ]分开工01 号)合同名称:芦淞区(淡家冲)新出险重点小Ⅱ型病险水库除险加固工程致:株洲市神禹水...

