电脑桌面
添加小米粒文库到电脑桌面
安装后可以在桌面快捷访问

幕墙分部子分部工程质量验收记录文档

幕墙分部子分部工程质量验收记录文档_第1页
1/15
幕墙分部子分部工程质量验收记录文档_第2页
2/15
幕墙分部子分部工程质量验收记录文档_第3页
3/15
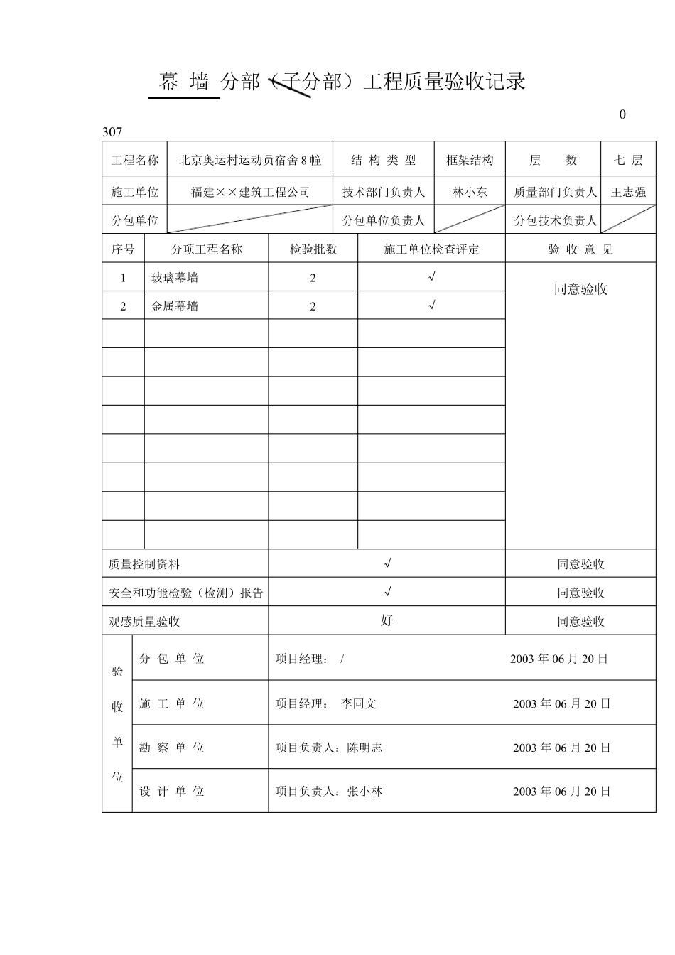
幕 墙 分部(子分部)工程质量验收记录0307工程名称施工单位分包单位序号12分项工程名称玻璃幕墙金属幕墙检验批数22北京奥运村运动员宿舍 8 幢福建××建筑工程公司结 构 类 型技术部门负责人分包单位负责人框架结构林小东层数质量部门负责人分包技术负责人验 收 意 见七 层王志强施工单位检查评定√√同意验收质量控制资料安全和功能检验(检测)报告观感质量验收分 包 单 位验收单位√√好同意验收同意验收同意验收项目经理: /2003 年 06 月 20 日施 工 单 位项目经理: 李同文2003 年 06 月 20 日勘 察 单 位项目负责人:陈明志2003 年 06 月 20 日设 计 单 位项目负责人:张小林2003 年 06 月 20 日监理(建设)单位总监理工程师:郝大海(建设单位项目专业负责人)2003 年 06 月 20 日说明:子分部工程全部验收合格,则该分部工程合格。玻璃幕墙分项工程质量验收记录030701工程名称施工单位分包单位序号123北京奥运村运动员宿舍 8 幢福建××建筑工程公司结构类型项目经理分包单位负 责 人施工单位检查评定结果框架七层李同文检验批数项目技术负责人分包项目经理3王小全检验批部位、区段二至三层玻璃幕墙安装四至五层玻璃幕墙安装六至七层玻璃幕墙安装监理(建设)单位验收结论√√√合 格合 格项目专业技术负责人:陈小强2003 年 05 月 25 日同意验收监理工程师:胡晓明(建设单位项目专业技术负责人)2003 年 05 月 25 日检查结论验收结论注:分项工程可由一个或若干个检验批组成,检验批应按楼层、变形缝或施工段进行划分成若干个数量。玻璃(明框)幕墙工程检验批质量验收记录表(主控项目)GB50210-2001(Ⅰ)0 1030701单位(子单位)工程名称分部(子分部)工程名称施工单位北京奥运村运动员宿舍 8 幢幕墙子分部验收部位项目经理①~⑨轴二层李同文福建省××建筑工程公司XDQB2002-24 幕墙工程施工工艺标准施工执行标准名称及编号施工质量验收规范的规定1主控项目2345678各种材料、构件、组件造型和立面分格玻璃质量与主体结构连接件连接紧件螺栓玻璃下端托条明框幕墙玻璃安装超过 4m 高全玻璃幕墙安装第 9.2.2 条第 9.2.3 条第 9.2.4 条第 9.2.5 条第 9.2.6 条第 9.2.7 条第 9.2.8 条第 9.2.9 条施工单位检查评定记录监理(建设)单位验收记录√√√√√√√√符合要求9点支承幕墙安装第 9.2.10 条第 9.2.11 条第 9.2.12 条第 9.2.13 条...

1、当您付费下载文档后,您只拥有了使用权限,并不意味着购买了版权,文档只能用于自身使用,不得用于其他商业用途(如 [转卖]进行直接盈利或[编辑后售卖]进行间接盈利)。
2、本站所有内容均由合作方或网友上传,本站不对文档的完整性、权威性及其观点立场正确性做任何保证或承诺!文档内容仅供研究参考,付费前请自行鉴别。
3、如文档内容存在违规,或者侵犯商业秘密、侵犯著作权等,请点击“违规举报”。

碎片内容

幕墙分部子分部工程质量验收记录文档

文库当当响+ 关注
实名认证
内容提供者

该用户很懒,什么也没介绍

确认删除?
VIP
微信客服
  • 扫码咨询
会员Q群
  • 会员专属群点击这里加入QQ群
客服邮箱
回到顶部