单位工程子单位工程分部工程子分部工程土方工程土方开挖,土方回填分项工程支护工程地下连续墙(成槽、钢筋、混凝土),混凝土灌注桩(成孔...
.力高澜湖花园 9#楼工程地基与基础分部工程质量自评报告安徽三建工程有限公司江西分公司澜湖花园项目部二 0 一六年..会签工程名称:力高...
黄埔东路(黄埔大道支线~华坑路)改造工程-土建施工五标地基与基础分部(第 7-9 节段)验收监 理 工 作 总 结广州市市政工程监理有...
临港生活广场地基与基础分部质量验收自评报告福建华建工程建设有限公司2017 年 8 月 2 日临港生活广场地基与基础分部质量验收自评报告...
地基与基础分部验收会议纪要想要知道地基与基础分部验收会议纪要该怎么写呢?下文是地基与基础分部验收会议纪要,欢迎阅读!地基与基础分部验...
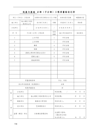
..地基与基础 分部(子分部)工程质量验收记录单位(子单位)工程名称施工单位分包单位序号独山建筑工程有限责任公司/先建村村民还建住宅...
XX 大厦地基与基础分部工程验收总结XX 大厦地基与基础分部工程施工总结编制单位:中国建筑第四工程局有限公司项目经理:编制日期: 2016...
地基与基础分部工程质量验收自评报告深业紫麟山花园(?区商住楼)工程地基与基础分部工程质量验收自评报告一、工程概况,一,、工程简介深业紫...
页眉碧桂园阳光城·天玺7#楼、8#楼、9#楼地基与基础分部工程验收自评报告页脚页眉施工单位:浙江东越建设有限公司编制日期:2019 年 4 ...
.地基与基础 分部工程质量验收记录表阳信县滨北新材料高层生活区 10#住宅楼邹平县第二建筑有限责任公司地下 2层;地上28 层马长福工程...
地域文化(专)-0001 **********楼 12#楼地基与基础(主体结构)分部工程质量评估报告编审核人:审批人:制人:高达建设发展管理有限责任...
精品文档-可编辑1#、2#、8#、9#楼地基与基础分部工程验收方案2017 年 3 月 12 日一、验收主持:由总监理工程师(张维)主持。二、参加...
工 程 质 量 评 估 报 告(地基与基础分部工程)工程名称 贵州毕节.东升华庭 1#商住楼建设单位 毕节长弘房地产开发有限公司施工...
水晶湖郡 B 区二期工程2-1#~2-3#楼、2-15#楼地基与基础分部工程监理质量评估报告长实监理、总监理工程师:企业技术负责人:厦 门 长 ...
地基与基础 分部工程质量验收记录表阳信县滨北新材料高层工程名称生活区 10#住宅楼邹平县第二建筑施工单位有限责任公司分包单位序号123子...
翡翠府邸 1#楼地基与基础分部工程质量自评报告中国建筑第五工程有限公司二 O 一六年三月翡翠府邸1#楼地基与基础分部工程质量自评报告一...
北屯市引水入城商业步行街项目10#地基与基础工程监理总结新疆泽强工程项目管理有限公司年月日目录一.工程概况二.监理评估依据三.工程质...
开元·东麓国际7#楼、12#楼地基与基础分部工程监理质量评估报告监理单位:重庆华大建筑工程监理有限公司总监理工程师:日期:2016 年1月19...
表 B.0.7地基与基础分部工程 报审表工程名称:肥西县高店粮食现代物流园工程施工编号:致:安徽省恒信工程监理有限责任公司(项目监理机...
【最新整理,下载后即可编辑】钢板桩工程报验申请表工程名称:广州南沙新区明珠湾区灵山岛尖区域城市开发与建设项目-----GD2202004灵山岛尖...

