电脑桌面
添加小米粒文库到电脑桌面
安装后可以在桌面快捷访问

地基与基础-分部工程质量验收记录表

地基与基础-分部工程质量验收记录表_第1页
1/15
地基与基础-分部工程质量验收记录表_第2页
2/15
地基与基础-分部工程质量验收记录表_第3页
3/15
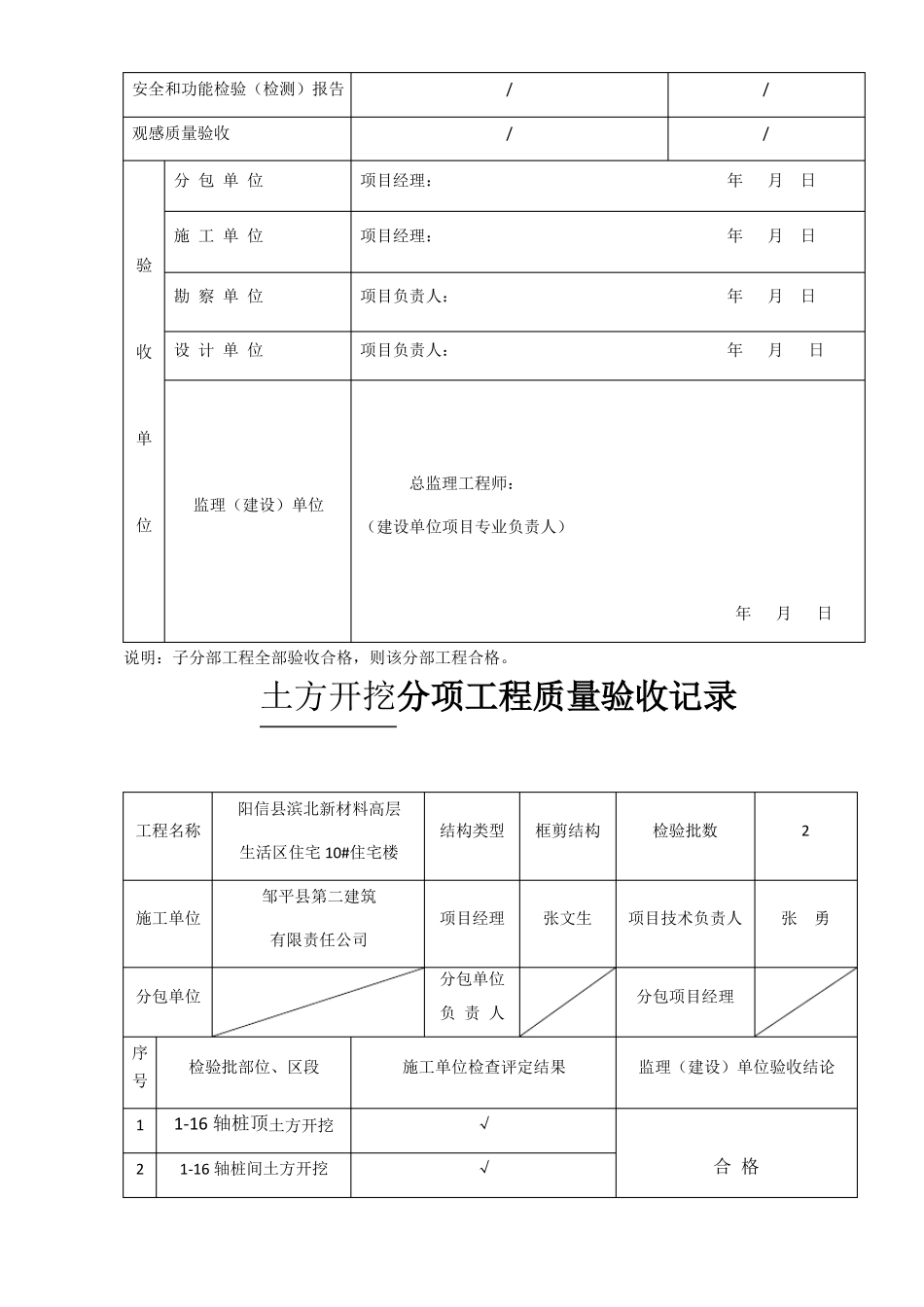
地基与基础 分部工程质量验收记录表阳信县滨北新材料高层工程名称生活区 10#住宅楼邹平县第二建筑施工单位有限责任公司分包单位序号123子分部工程名称无支护土方子分部地下室防水子分部混凝土基础子分部分包单位负责人分项工程项数243分包技术负责人验 收 意 见技术部门负责人田汝忠质量部门负责人马长福结 构 类 型框剪结构层数地下 2层;地上28 层施工单位检查评定√√√质量控制资料安全和功能检验(检测)报告观感质量验收验收单勘 察 单 位设 计 单 位分 包 单 位施 工 单 位√√项目经理: /年月日项目经理:年月日项目负责人:年月日项目负责人:年月日位总监理工程师:监理(建设)单位(建设单位项目专业负责人)年月日说明:①子分部工程全部验收完成,则分部工程也验收完成。②分部工程质量验收记录表可做可不做。无支护土方 分部(子分部)工程质量验收记录阳信县滨北新材料高层工程名称生活区住宅 10#住宅楼邹平县第二建筑施工单位有限责任公司分包单位序号1分项工程名称土方开挖分包单位负责人检验批数2分包技术负责人验 收 意 见技术部门负责人田汝忠质量部门负责人 马长福结 构 类 型框架剪构层数地下 2层;地上28 层施工单位检查评定√质量控制资料√安全和功能检验(检测)报告观感质量验收分 包 单 位施 工 单 位验收单监理(建设)单位位勘 察 单 位设 计 单 位////项目经理:年月日项目经理:年月日项目负责人:年月日项目负责人:年月日总监理工程师:(建设单位项目专业负责人)年月日说明:子分部工程全部验收合格,则该分部工程合格。土方开挖分项工程质量验收记录阳信县滨北新材料高层工程名称生活区住宅 10#住宅楼邹平县第二建筑施工单位有限责任公司分包单位分包单位序号12负 责 人检验批部位、区段分包项目经理项目经理张文生项目技术负责人张勇结构类型框剪结构检验批数2施工单位检查评定结果监理(建设)单位验收结论1-16 轴桩顶土方开挖1-16 轴桩间土方开挖√√合 格检查结论项目专业验收结论监理工程师:(建设单位项目专业技术负责人)年月日技术负责人:年月日注:分项工程可由一个或若干个检验批组成,检验批应按楼层、变形缝或施工段进行划分成若干个数量。地下室防水 分部(子分部)工程质量验收记录阳信县滨北新材料高层工程名称生活区住宅 10#住宅楼邹平县第二建筑施工单位有限责任公司分包单位序号12分项工程名称基础筏板防水分项地下室外墙分项...

1、当您付费下载文档后,您只拥有了使用权限,并不意味着购买了版权,文档只能用于自身使用,不得用于其他商业用途(如 [转卖]进行直接盈利或[编辑后售卖]进行间接盈利)。
2、本站所有内容均由合作方或网友上传,本站不对文档的完整性、权威性及其观点立场正确性做任何保证或承诺!文档内容仅供研究参考,付费前请自行鉴别。
3、如文档内容存在违规,或者侵犯商业秘密、侵犯著作权等,请点击“违规举报”。

碎片内容

地基与基础-分部工程质量验收记录表

您可能关注的文档

爱的疯狂+ 关注
实名认证
内容提供者

该用户很懒,什么也没介绍

确认删除?
VIP
微信客服
  • 扫码咨询
会员Q群
  • 会员专属群点击这里加入QQ群
客服邮箱
回到顶部