表 B.0.7地基与基础分部工程 报审表工程名称:肥西县高店粮食现代物流园工程施工编号:致:安徽省恒信工程监理有限责任公司(项目监理机...
【最新整理,下载后即可编辑】钢板桩工程报验申请表工程名称:广州南沙新区明珠湾区灵山岛尖区域城市开发与建设项目-----GD2202004灵山岛尖...
分部分项检验批沟槽开挖管道基础管道接口管道敷设管道回填井室沟槽开挖管道基础管道接口管道敷设管道回填井室沟槽开挖管道基础管道接口管道...
十、各分部分项工程的主要施工方法本工程总体施工顺序为先地下 , 后地上, 先土建, 后安装, 先结构, 后装修, 基础完工后主体工程自上...
施工技术交底记录工程名称:项目技术负责人:专业班组长:施工单位:项目专业施工员:项目专业质量检查员:编号:防水-001-01交底时间: 2...
危险性较大的分部分项工程安全管理措施一、安全组织措施项目经理部成立安全领导小组,项目经理任组长,安全员任副组长,建立健全安全管理制...
阳光100国际新城泊林翠庭EI 组团项目危险性较大的分部分项工程安全管理制度中建三局建设工程股份公司工程概况:沈阳阳光 100 国际新城泊...
编制:编制日期:年...危险性较大的分部分项工程的验收月日批准:审核:.目B2-4-1模板工程安全验收表B2-4-2落地式钢管扣件脚手架搭设验收表...
危险性较大的分部分项工程的相关措施及方案1、土方、基坑降、排水施工方案根据工程实际及工程周边环境及地下管线资料,周围环境复杂,在该...
项目建办质﹝ 2018 ﹞31 号、住房城乡建设部令第 37 号一、基坑支护、降水工程一、基坑工程开挖深度超过3m(含 3m)或虽(一)开挖深...
生物医药创新孵化园项目三标段危险性较大的分部分项工程安全管理制度四川大安建筑工程有限责任公司2016 年 7 月根据《危险性较大分部分...
危险性较大分部分项工程及易发生重大事故的部位、环节的预防监控和应急预案陕秦建发〔2010〕35 号陕西秦通建设工程有限公司关于印发施工现...
1.生产安全重要危险源分级表2.项目重要危险源清单3.分公司月度重要危险源清单4.危险性较大分部分项工程统计台账5.高风险作业安全专项控制记...
1 附 件 1 智慧园6#楼 玻璃幕墙节能分项工程施工方案 南京仙林大学城科技园智慧园幕墙工程 编制人: 审核人: 批准人: 2 0 1...
表 5.2.4分部(分项)工程安全技术交底表单位:中太建设集团股份有限公司交底日期:年月日工程名称:南京高淳碧桂园一期 A 标段分部(分...
电气(九九回归)分部(子分部)工程验收记录表表 F.0.1工程名称施工单位分包单位序号1234567九九回归、飞天迎宾夜景结构类型技术部门负责...
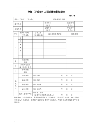
.分部(子分部)工程质量验收记录表表 C7-6单位(子单位)工程名称施工单位分包单位序号子分部(分项)工程名称123145234质量控制资料安全...
河 北 省 南 水 北 调 配 套 工 程邯郸市南水北调配套工程水厂以上输水管道工程第一设计单元施工第三标段分部工程验收鉴定书单位...
表 B.0.8分部工程报验表工程名称:碧桂园万山湖壹号 A 区项目 185#楼编号:致:河南省育兴建设工程管理有限公司我方已完成基础附件:分...
装饰装修分部工程 报验申请表工程名称:宜化·新天地(一期)商品房 2#楼编号:致:湖北华茂建设监理有限公司(监理单位)我单位已完成了装...

